Golf Cabrio Mod. 84-93 Seite 888

Hinweis: Dies ist eine maschinenlesbare No-Flash Ansicht.
Klicken Sie hier um zur Online-Version zu gelangen.

Inhalt

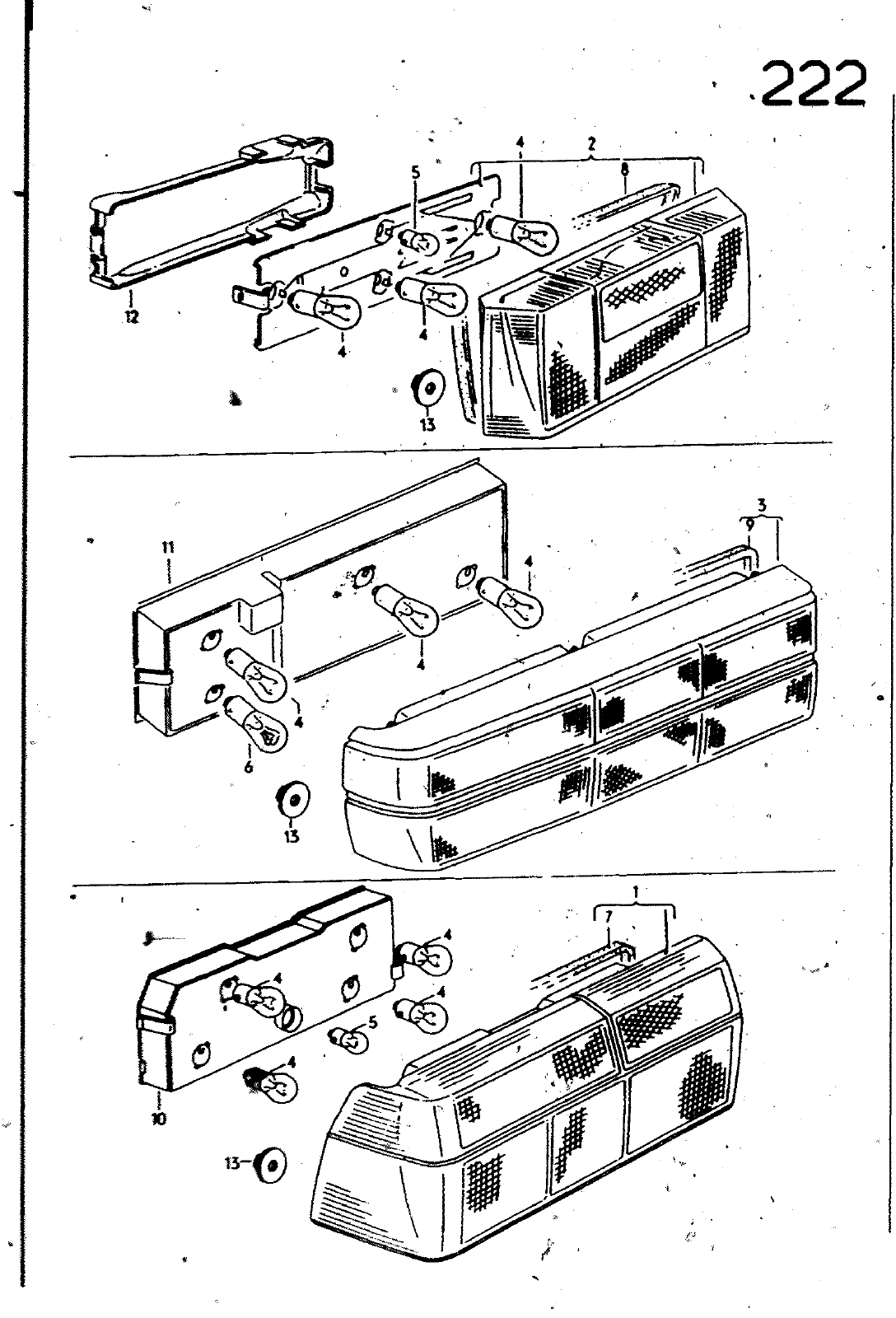
222 a A a 1 ä x4 1B k ß r n T 5 T ez HAUPTGRUPPE 9 BILD ERSATZTEILE NR ELEKTRISCHE AUSRUESTUNG BENENNUNG BEMERKUNG ST MODELL 2 12 12 12 21 12 12 12 4 5 8 12 13 71 945 71 945 71 945 71 945 71 945 71 945 71 945 1 945 017 017 71 945 71 945 III J III K 111 N llf T 112 J 112 K 112 N 112 T 7 2 2 718 B 191 285 8 171 857 026 A BREMS ßLINK UNO SCMLUSSLEUCHTEN RUCCKFAHRLEUCHTE SCHLUSSLEUCHTE 0HN6 RUECKFAHRLEUCHTE SCHLUSSLEUCHTE MIT RUCCKFAHRLEUCHTE SCHLUSSLEUCHTE MIT RUECKFAHRLEUCHTE SCHLUSSLEUCHTE MIT RUECKFAHRLEUCHTE SCHLUSSLEUCHTE OHNE RUECKFAHRLEUCHTE SCHLUSSLEUCHTE MIT RUECKFAHRLEUCHTE SCHLUSSLEUCHTE MIT RUECKFAHRLEUCHTE SCHLÜSSLEUCHTE MIT RUECKFAHRLEUCHTE gLUCHLAMPE GLUEHLAMPE DICHTUNG ABOECKKAPPE FUER SCHLUSSLEUCHTE SECHSKANTMUTTER LINKS HELLA LINKS HELLA FRANKANI LINKS LINKS RECHTS HELLA RECHTS HELLA RECHTS FRANKANI RECHTS P25 1 12V21W GI2V5W CZ 3D 222 D 19 054


Vorschau Golf Cabrio  Mod. 84-93 Seite 888