Golf Cabrio Mod. 84-93 Seite 891

Hinweis: Dies ist eine maschinenlesbare No-Flash Ansicht.
Klicken Sie hier um zur Online-Version zu gelangen.

Inhalt

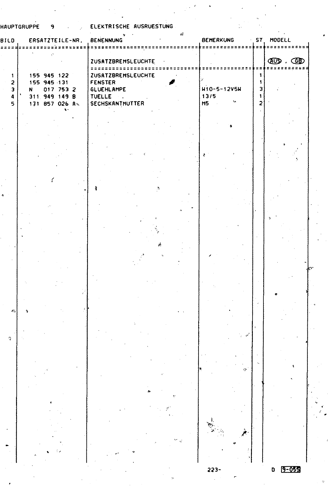
223 Ii tS HAUPTGRUPPE 9 ELEKTRISCHE AUSRUGSTUNG BILO ERSATZTEILE NR BENENNUNG 155 945 122 155 945 131 N 017 753 2 311 949 149 B 171 eS7 026 BEMERKUNG ZUSATZBREMSLEUCHTE ZUSATZBREMSLEUCHTE FENSTER GLUEHLAMPE TUELLE SECHSKANTMUTTER W10 5 12V5W 13 5 M5 ST MODELL CQ OB 223 0 19 059


Vorschau Golf Cabrio  Mod. 84-93 Seite 891