Golf Cabrio Mod. 84-93 Seite 898

Hinweis: Dies ist eine maschinenlesbare No-Flash Ansicht.
Klicken Sie hier um zur Online-Version zu gelangen.

Inhalt

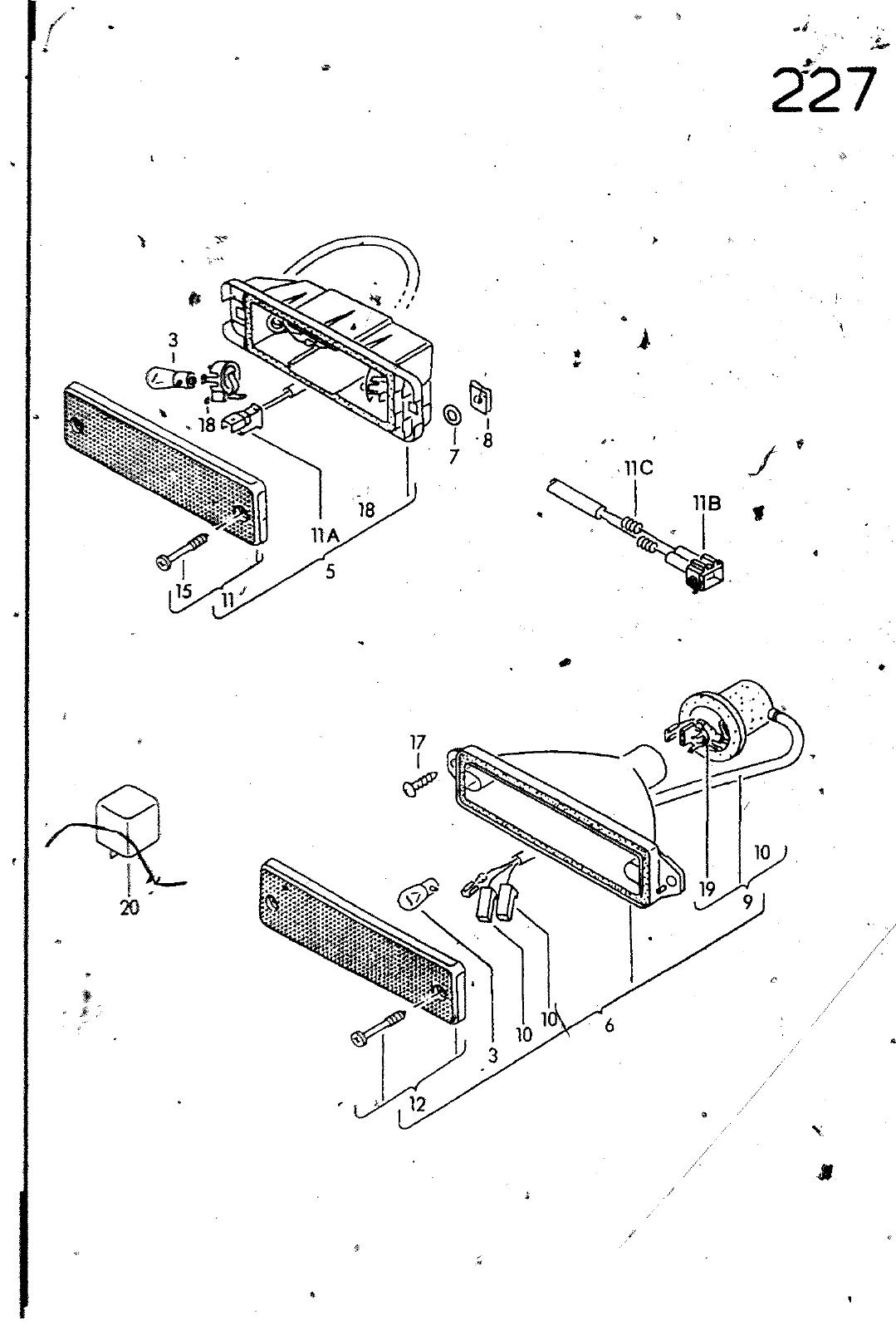
2 27 5 ITA y nc 118 HAURTGRUPPE 9 ELEKTRISCHE AUSRUESTUNG r BICD ERSATZTEILE NR BENENNUNG BEMERKUNG ST MODELL 11 1lf 1IB 11C 15 18 20 120 N 017 732 N 017 738 1T1 953 055 171 953 055 N 011 540 N 015 448 1 171 953 141 171 953 141 C 171 971 934 357 972 762 357 972 741 A 321 953 169 A III 945 265 191 953 227 A 431 953 231 BLINKLEUCHTE F ORN 15 J 015 000 OLUEHLAMPE GLUEHLAMPE BLINKLEUCHTE BLINK STANOUCHT LEUCHTE SCHEIBE SCHNAPPMUTTER FENSTER FENSTER FLACHSTECKHUELSENGEHAEUSE F 15 HH035 000 FLACHSTECKERGEHAEUSE F 15 0Q0 001 15 J 0r5 000 TUKLLE F 15 J OOO OOiq 15 J 015 000 LINSENBLECHSCHRAUßE LAMPENFASSUNG BLWNK WARNLICHT RELAIS BLINK WARNLICHT RELAIS i FUER FAHRZEUGE MIT ANHAENGERBETRtEB P25 1 12V21W P25 2 12V21 5W GELB A5 5X12 5X1f6 B4 2X16X 1 GELB HELLA SIOLER ZIZALA GELB ULO UHL FER 6 3 5 6X7 8 4 2X22 1 POL G 12V 4X2tW 12V 6X2IW 4 CD CD 227 1 0 I9 059I wauPTARuPPF q ELEKTRISCHE AUSRUESTUNG


Vorschau Golf Cabrio  Mod. 84-93 Seite 898