Golf Cabrio Mod. 84-93 Seite 902

Hinweis: Dies ist eine maschinenlesbare No-Flash Ansicht.
Klicken Sie hier um zur Online-Version zu gelangen.

Inhalt

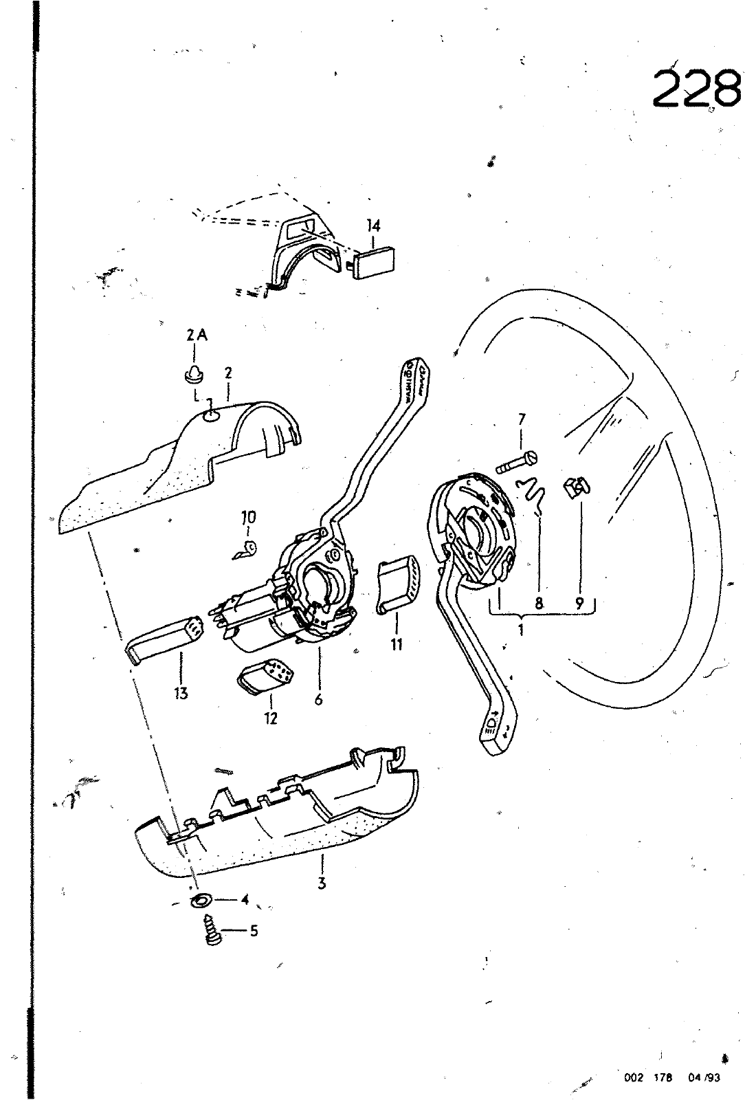
28 a 9j 4 f COZ IM 04 3 HAUPTGRUPPE 9 ELEKTRISCHE AUSRUESTUßG BILD ERSATZTEILE NR BENENNUNG BEMERKUNG ST MODELL SCHAtTER FUER BLINKER FERNf UNO ABBLENDLICHT LICHTHUPE SCHEIBENWISCHER UND WISCHER WASCHER BETAETIGUNG 1 1 12 12 13 321 953 513 08 83 07 93 08 83 07 93 321 953 513 08 83 07 93 08 83 07 93 155 953 513 08 89 07 93 15 953 513 08 89 07 93 531 953 515 08 Q3 07 92 08 83 07 92 155 953 5I 08 92 07 93 155 953 515 08 92 07 93 171 953 516 08 93 07 92 08 83 07 92 155 953 516 08 92 07 93 N 013 958 321 953 519 CMC 90V 01C 90V 01C OlC 01C 90V 01C 01C 01 c 90V 08 83 07 93 08 83 07 93 01C 7 0 01C 90V SCHALTER FUER BLINKER FERN UND ABBLENDLICHT LICHTHUPE UND PARKLEUCHTE SATIN CHWARZ SATTELBRAUN SCHALTER FUER BLINKER FERN ÜNO ABBLENDLICHT LICHTHUPE UND PARKLEUCHTE FUER FAHRZEUGE MIT GESCHWINOIGKEITSREGELANLAGE SATINSCHWARZ SATTELBRAUN SCHALTER FUER ÖLINKgR FERN UND ABBLENDLICHT LICHTHUPE UNO PARKLEUCHTE FUER FAHRZEUGE MIT AIRBAG SATINSCHWARZ SCHALTER FÜER BLINKER FERN UNO ABBLENDLICHT LICHTHUPE UNO PARKLEUCHTE FUER FAHRZEUGE MIT GESCHWINOIGKEITSREGELANLAGE FUER AIRBAG 7 SATINSCHWARZ VERKLEIDUNG OBERTEIL F 15 N 035 000 SATINSCHWARZ fATTELBRAUN tßKLElOUNG OBERTEIL F 15 P OOO 001 smilNSCHMARZ SERKLSlOUNG OBgßTEIL FUER FAHRZEUGE MIT AIRBAG F 15 P OOO 001 SATINSCHWARZ VERKLEIDUNG UNTERTEIL F 15 N 035 000 SATINSCHqfRZ SATTELBRAUN VERKLEIDUNG UNTERTEIL F 15 P OOO 001 SATINSCHWARZ LINSENBLECHSCHRAUBE SCHALTER FUER SCHEIBENWISCHER UNO WISCHER WASCHER BETAETIGUNG SATINSCHWARZ SATTELBRAUN J B3 5X13 228 0 0353 I I I


Vorschau Golf Cabrio  Mod. 84-93 Seite 902