Golf Cabrio Mod. 84-93 Seite 906

Hinweis: Dies ist eine maschinenlesbare No-Flash Ansicht.
Klicken Sie hier um zur Online-Version zu gelangen.

Inhalt

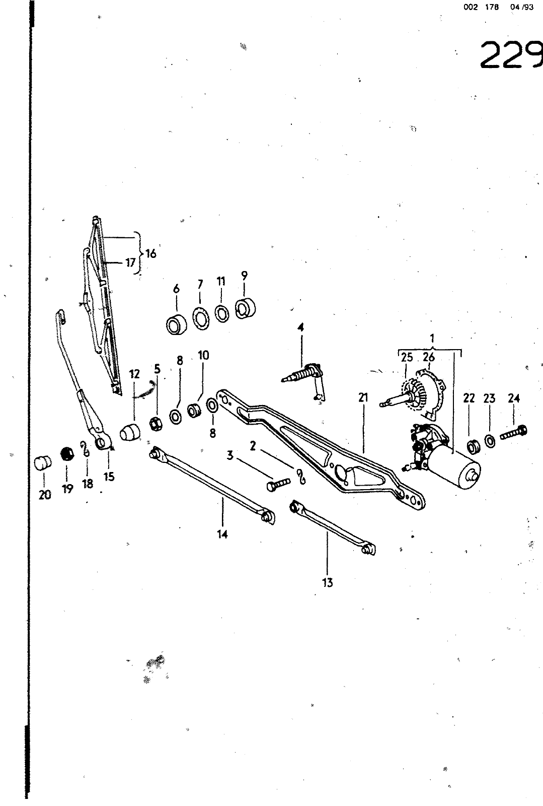
MB 178 W W 229 7 11 10 25 26 12 22 23 24 e 19 20 HAUPTGRUPPE 9 ELEKTRISCHE AUSRUESTUNG 1LD ERSATZTEILE NR BENENNUNG BEMERKUNG 10 11 12 13 13 14 14 15 15 15 15 15 16 116 17 18 19 121 22 23 24 171 955 17i f55 1171 955 172 955 N 0 2 N 010 171 955 172 955 171 955 172 955 823 955 172 955 172 955 172 955 481 955 172 995 113 A 113 AX 113 AVI 212 14 215 215 216 216 243 A 251 254 255 257 172 955 258 133 955 261 191 955 265 171 955 275 171 955 325 171 955 325 171 955 326 171 955 326 171 955 409 172 955 409 172 955 409 161 9 5 425 871 955 425 161 955 429 N 012 227 3 N 01 006 8 133 955 435 171 955 611 172 955 611 III 955 641 N 011 666 10 N 010 216 12 161 998 001 A SCHEIBENWISCHER WISCHERMOTOR WISCHERMOTOR WISCHERMOTOR FEOERSCHEIBE SECHSKANTSCHRAUBE WISCHERWELLE MIT LAGER WISCHERWELLE MIT LAGER WISCHERWELLE MIT LAGER WISCHERWELLE MIT LAGER SECHSKANTMUTTER DISTANZHUELSE DISTANZHUELSE DICHTUNG DECKSCHEIBE DISTANZHUELSE DISTANZHUELSE LAGERDICHTUNO GUMMISCHEIBE LAGERDECKEL ANTRIEBSSTANGE ANTRIEBSSTANGE ANTRIEBSSTANGE ANTpiEBSSTANGE WISCHERARM WISCHERARM MIT LEITSCHAUFEL NICHT MEHR LIEFERBAR ERSATZ WISCHERARM WISCHERARM ÜISCHERARM MIT LEITSCHAUFEL NICHT MEHR LIEFERBAR ERSATZ WISCHERBLATT WISCHERBLATT MIT LEITSCHAUFEL IFAHRERSEITEI GUMMI FUER WISCHERBLATT FEOERSCHEIBE SECHSKANTMUTTER ABDECKKAPPE WISCHERRAHMEN WISCHERRAHMEN ZWISCHENSCMEIBE SCHEIBE SECHSKANTSCHRAUBE 1 SATZ WISCHERBLAETTER ST fßOBLL LLKG LLKG RLKG 86 M6X12 LINKS LINKS RECHTS RECHTS MI 6X1 LINKS RECHTS RECHTS VERCHROMT LINKS INNEN RLKG RECHTS INNEN RLKG LLKG RLKG LLKG RLKG RLKG RLKG RLKG 15 8 LINKS RECHTS RECHTS LINKS LINKS RLKG LLKG RLKG LLKG RLKG LLKG LLKG 171 191 955 409 955 425 A RLKG LINKS RLKG RECHTS RLKG 172 955 409 191 955 425 A 4P0MM 4Ö0MM 400MM M6 LLKG RLKG 86 1X18X2 M6X18 4 GH GLI GLI 229 0 13353


Vorschau Golf Cabrio  Mod. 84-93 Seite 906