Golf Cabrio Mod. 84-93 Seite 914

Hinweis: Dies ist eine maschinenlesbare No-Flash Ansicht.
Klicken Sie hier um zur Online-Version zu gelangen.

Inhalt

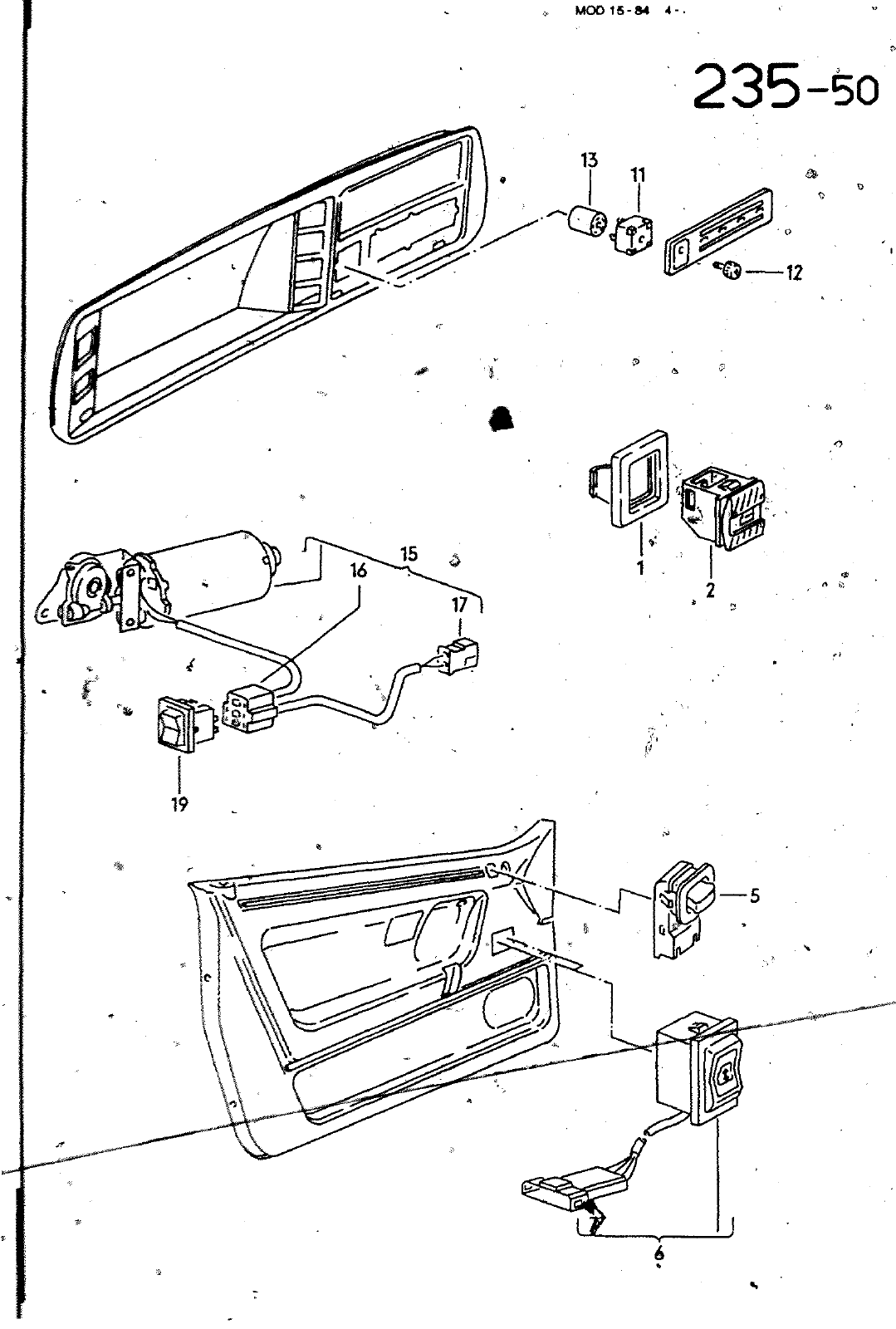
MOO15 84 4 235 50 HAUPTGRUPPE 9 ELEKTRISCHE AUSRUESTUNG 8ILD ERSATZTEILE NR BENENNUNG 12 12 155 959 855 A 08 89 07 3 155 959 855 08 89 07 93 32t 959 565 11 12 13 15 115 1 17 19 01C 01C 321 959 511 321 959 513 B 171 959 999 191 959 761 191 959 762 191 959 869 A 161 971 988 C 533 959 855 A BEMERKUNG SCHALTER FUER RUECKBLICK SPIEGEL ELEKTRISCH VERSTELLBAR UNO BEHEIZBAR SCHALTER FUER VEROECKGESTELL MIT HYDRAULISCHER BETAETIGUNG FUER ELEKTRISCHE FENSTERHEBER SITZVERSTELLMOTOR SCHALTER FUER ELEKTRISCHEN FENSTERHEBER SATINSCHWARZ SCHALTER FUER FAHRZEUGE MIT VERDECKGESTELL MIT HYDRAULISCHER BETAETIGUNG SATINSCHWARZ SCHALTER FUER RUECKBLICK SPIEGEL ELEKTRISCH VERSTELLBAR UNO BEHEIZBAR SCHALTER FUER GEßLAESEMOTOR KNOPF FUER SCHALTER FLACHSTECKHUELSENGEHAEUSE SITZVERSTELLMOTOR SITZVERSTELLMOTOR FLACHKONTAKTGEHAEUSE FLACHSTECKERGEHAEUSE SCHALTER 21MM 6 3 5 POLIG LINKS RECHTS 6 3 ST MODELL 235 50 0 CEg3 HAUPTGRUPPE 9 ELEKTRISCHE AUSRUESTUNG


Vorschau Golf Cabrio  Mod. 84-93 Seite 914