Golf Cabrio Mod. 84-93 Seite 928

Hinweis: Dies ist eine maschinenlesbare No-Flash Ansicht.
Klicken Sie hier um zur Online-Version zu gelangen.

Inhalt

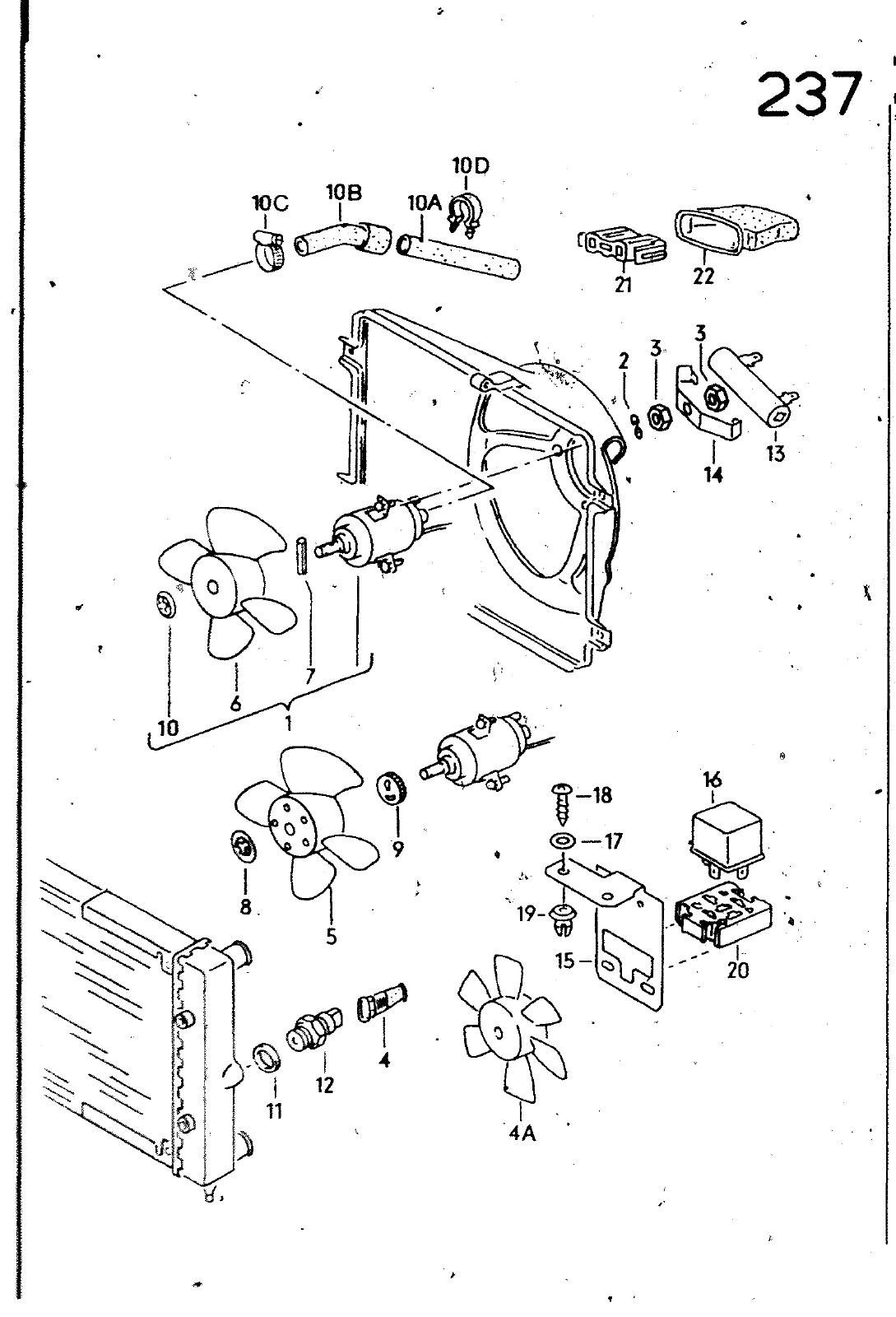
237 10D 10B 10A IOC Cß 22 13 14 10 16 18 17 19 0 15 20 9 12 4A HAUPTGRUPPE 9 ELEKTRISCHE AUSRUESTUNG BILD ERSATZTEILE NR 1 in III 111 2 3 4 41 4A 4 1 Igl 7 8 181 9 10 11 12 1121 1 3 14 165 959 455 L 165 959 455 T 165 959 455 T 165 459 455 AM N 012 226 5 N 011 006 8 171 959 459 8 7 972 525 8 191 959 465 A 191 959 465 431 959 465 171 959 465 A 321 959 465 823 959 469 431 959 471 171 959 471 431 959 473 823 959 473 N 043 808 3 191 959 481 B 191 959 481 C 171 959 493 171 971 280 t BENENNUNG ELEKTROLUEFTER BEMERKUNG ELEKTROLUEFTER ELEKTROLUEFTER FUER FAHRZEUGE MIT VORBEREI TUNG ZUM NACHTRAEGLICHEN EINBAU EINER KLIMAANLAGE FUER FAHRZEUGEINSATZ IN WARMEN LAENDERN FUER ANHAENGERBETRIEB ELEKTROLUEFTER ELEKTROLUEFTER LUEFTERRAO FEDERSCHEIBE SECHSKANTMUTTER SCHUTZKAPPE m UE LUEFTERRAO FUER ELEKTROLUEFTER LUEFTERRAO FUER ELEKTROLUEFTER LUEFTERRAO FUER ELEKTROlWEFTERi LUEFTERRAO FUER ELEKTROLUEFTER LUEFTERRAO FUER ELEKTROLUEFTER SPNNNSTIFT r KLEMMSCHEIBE SfCHERUNGSKLAMMER ZßljNSCHEIBE SICHERUNGSSCHEIBE OOPPELTHERMOSCHALTER WIDERSTAND FUER ANHAENGERBETRIEB FUER FAHRZEUGElÜSATZ IN WARMEN LAENDERN HALTER FUBßr WIOERSTANO ST MODELL 100 60W 280MM AEG 200 120W 280MM AEG 200 120W 280MM AE6 250 150W 280MM AEG B6 M6 2 FACH 3 FACH 280MM AEG 3 10 13 18 21 23 25 27 28 31 32 35 280MM BOSCH 3 10 f3 l8 21 24 26 29 30 33 34 280MM AEG 1 2 11 12 19 20 MARELLI 12 19 BOSCH 280MM 1 2 11 20 280MM 1 2 11 12 19 20 BOSCH AEG MARELLI AEG BOSCH 22X29 9SC 84C 95C 84C 102C 91C OX EW EX HK HN KT RE EWf JW 2H EW EX HN RE EWA DX HK JH KT 2H 237 D 19 074


Vorschau Golf Cabrio  Mod. 84-93 Seite 928