Golf Cabrio Mod. 84-93 Seite 930

Hinweis: Dies ist eine maschinenlesbare No-Flash Ansicht.
Klicken Sie hier um zur Online-Version zu gelangen.

Inhalt

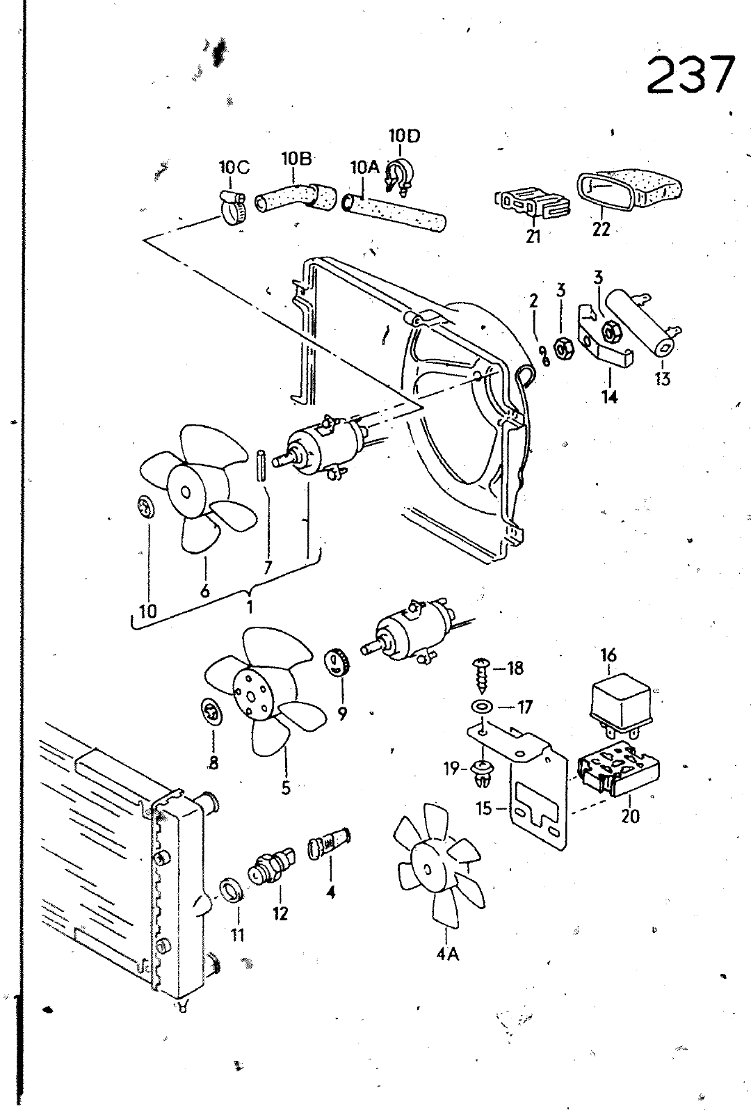
237 lOA 10 D Ho 22 13 14 9Ü r 16 18 17 3 19 15 20 w 4A IG 16 17 18 19 20 21 121 121 22 122 122 122 161 972 141 951 N 900 N Oj3 155 905 161 937 443 959 357 972 191 906 431 959 191 927 357 972 595 253 B 602 01 998 1 370 501 B 840 773 232 8 841 907 742 A 357 1972 742 B HALTER FUER RELAIS RELAIS KLEMMSCHEIBE SENKBLECHSCHRAUBE EINSTECKMUTTER RELAISI WEGER FLACHKONTAKTGEHREUSE FLACHKONTAKTGEHAEUSE FLACHSTECKHUELSENGEHAEUSE TUELLE X SCHUTZKAPPE TUELLE FUER LEiTUNG TUELLE FUER LEITUNG 6 84 2X16 3 POLIG 3tP0LIG 3 POLIG 16X25 9 0X7 8 2 0 f 7MM 9 0X7 8 2 7 2 9MM KLIMAANLAGE KLIMAANLAGE 237 0 irsT HAUPTGRUPPE 9 ELEKTRISCHE AUSRUESTUNG


Vorschau Golf Cabrio  Mod. 84-93 Seite 930