Golf Cabrio Mod. 84-93 Seite 933

Hinweis: Dies ist eine maschinenlesbare No-Flash Ansicht.
Klicken Sie hier um zur Online-Version zu gelangen.

Inhalt

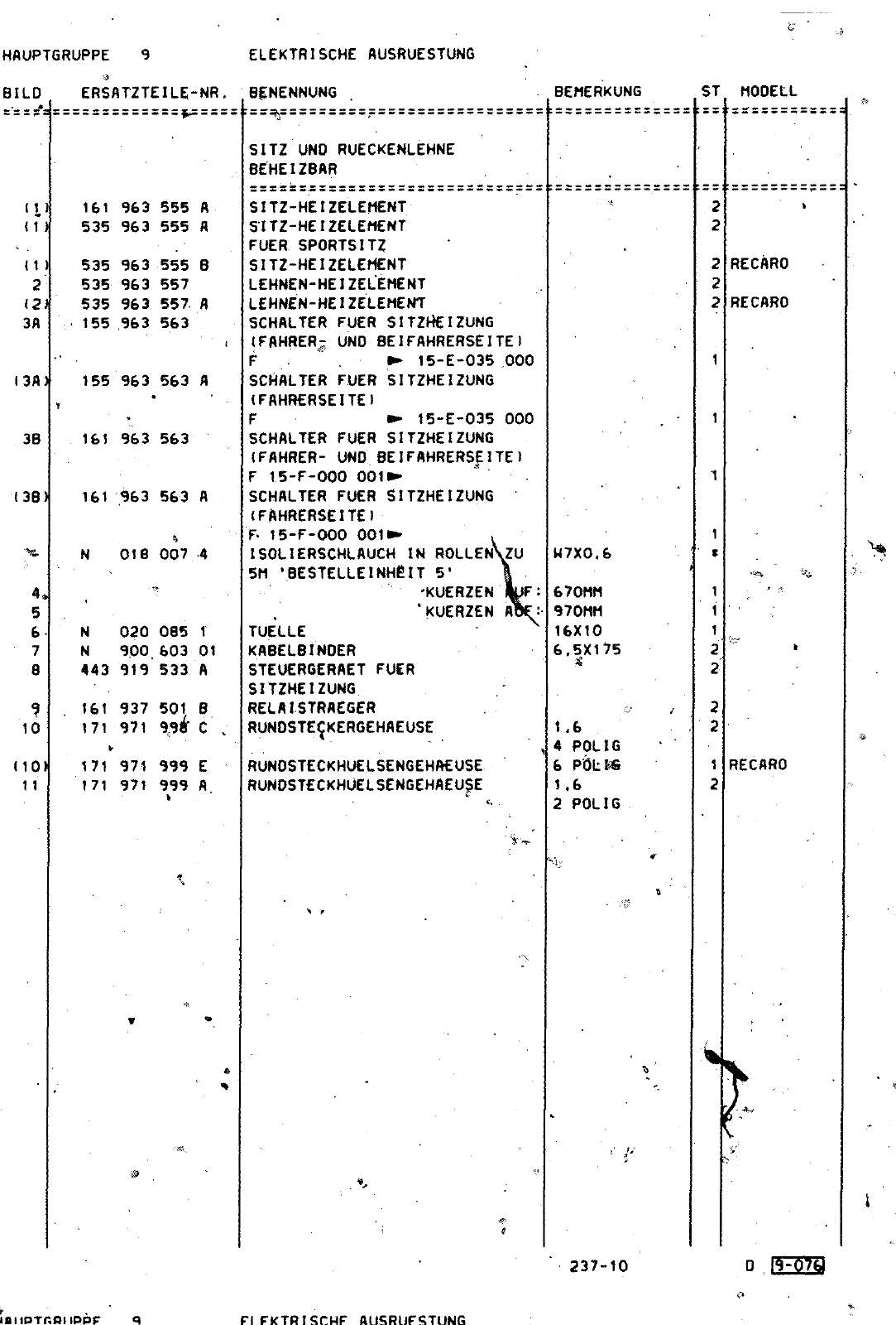
237 10 HAUPTGRUPPE ELEKTRISCHE AUSRUESTUNG BILD 3A 0 DG I3A 3B 138 4 5 6 7 8 9 10 10 11 ERSATZTEILE NR 161 963 555 A 535 963 555 A 535 963 555 B 535 963 557 535 963 557 A 155 963 563 155 963 563 A 161 963 563 161 963 563 A 018 007 4 N 020 085 t N 900 603 01 443 919 533 A 161 937 501 B 171 971 Tpf C 171 971 999 E 171 971 999 A BENENNUNG BEMERKUNG SITZ UND RUECKENLEHNE BEHEIZBAR SITZ HEIZELEMENT SITZ HEIZELEMENT EUER SPORTSITZ SITZ HEIZELEMENT LEHNEN HEIZELEMENT LEHNEN HEIZELEMENT SCHALTER FUER SITZHEIZUNG FAHRER UNO 8EIFAHRERSEITEI F 15 E 035 000 SCHALTER FUER SITZHEIZUNG IFAHRERSfITEI F 15 E 035 000 SCHALTER FUER SITZHEIZUNG FAHRER UNO BEIFAHRERSfITEI F 15 F OOO 001 SCHALTER FUER SITZHEIZUNG FAHRERSEITEI F 15 F OOO 001 ISOLIERSCHLAUCH IN ROLLEN 5M BESTELLEINHßlT 5 KUERZEN KUERZEN TUELLE KABELBlNDER STEUERGERAET FUER SITZHEIZUNG RELAISTRAEGER RUWOSTECKERGEHAEUSE RUNOSTECKHUELSENGEHREUSE RUNDSTECKHÜELSENKEHAEUSE ST MODELL W7X0 6 670MM 970MM 16X10 6 5X175 1 6 4 POLIO 6 POL 1 6 2 POLIG RECARO RECARO RECARO FIEKTRISCHE AUSRUESTUNG 237 10 0 g3za


Vorschau Golf Cabrio  Mod. 84-93 Seite 933