Golf Cabrio Mod. 84-93 Seite 934

Hinweis: Dies ist eine maschinenlesbare No-Flash Ansicht.
Klicken Sie hier um zur Online-Version zu gelangen.

Inhalt

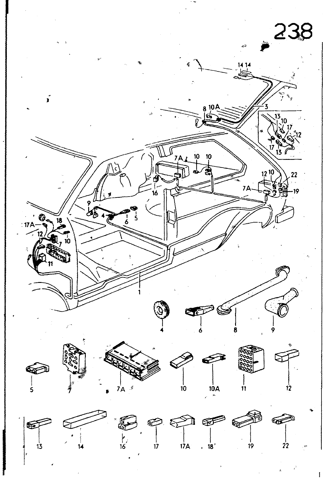
2 1414 10 A 13 1 7A 7A 0 10 10A 11 14 h 16 17 17A 18 19 22 HAUPTGRUPPE 9 ELEKTRISCHE AUSRUESTUNG BILD ERSATZTEILE NR BENENNUNG BEMERKUNG MODELL ST KENNBUCHST 155 971 011 AC 4 15 15 6 161 7 7A 8 18 9 19 19 10 10A 11 112 113 14 116 117 7Ä 211 443 311 867 281 161 161 171 171 113 191 443 111 171 711 535 906 Z31 906 231 B 972 525 A 1 919 141 A 937 501 8 945 247 971 840 971 840 A 971 901 A 906 232 A 906 102 B 971 921 B 971 921 171 971 934 171 161 161 111 161 161 161 161 431 971 971 N 971 976 A 971 976 A 971 977 971 989 C 971 988 C 971 990 A 971 976 A 971 995 LEITUNGSSATZ HINTEN LEITUNGSSATZ HINTEN MITVERWENDEN MITVERWENDEN BEI BEDARF MITVERWENDEN BEACHTE STROMLaUFPLAN RLKG 15 K 035000 113 971 901 A 15 F 000001 867 972 525 A 443 906 231 2H VERGASd fADIO LAUfSPRECHER UND ANTENNENTEILE SIEHE ZUBEHOERKATALOG TUELLE FLACHSTECKHUELSENGEHAEUSE FLACHSTECKHUELSENGEHAEUSE SCHUTZKAPPE SCHUTZKAPPE RELAISTR EGER FLACHKONTAKTGEHAEUSE TUELLE nxuE WINKELSCHUTfKMPPE F JL 15 K 035 000 FLACHKONTAKTGEHAEUSE F ZkS L OOO doi TUELLE F 15 L OOO 001 FLACHSTECKHUELSENGEHAEUSE FLACHSTECKHUELSENGEHAEUSE FLACHSTECKHUELSENGEHAEUSE RUNDSTECKHUELSENGEHAEUSE FLACHSTECKERGEHAEUSE MITVERWENDENI FLACHSTECKERGEHAEUSE MITV RWENDEN FLACHSTECKERISOLATOR FLACHSTECKHUELS MÄEHAEUSE MITVERWENOENi FLACHSTECKERGEHtSySE FLACHSTECKHUELSEN gWAEUSE MITWERWENDENi FLACHSTECKERGEHAEUSE FLACHSTECKHUELSENGEHAEUSE 2 POLIG 6 3 6 POLIG 22X15 10 22X15 LlNXg 22X15 10 22X15 RECHTS 12X6 2 POLIG 19x20 5 6 3 6 3 1 POLIG 6 3 2 POMG 18 POLIG 1 POLIG 161 971 990 A 1M W 161 971 990 A 6 3 1 POLIG 2 POLIG 161 971 988 C 2 POLIG 1 POLIG 161 971 976 A 1MUG 6 3 1 POLIG VERGASER VERGASER MOTOR 238 0 nJ c QTi qit a iFiarWSTFCKFRGEHAEUSE Ii POLIG


Vorschau Golf Cabrio  Mod. 84-93 Seite 934