Golf Cabrio Mod. 84-93 Seite 940

Hinweis: Dies ist eine maschinenlesbare No-Flash Ansicht.
Klicken Sie hier um zur Online-Version zu gelangen.

Inhalt

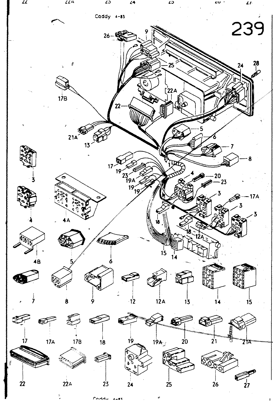
fo Z4 Caddy 4 a3 239 26 28 25 24 9 r22A 17B 21A 17 23 20 19A 19 19 17A 4A 12A 15 J 14 48 12A 14 20 19A 22 22A 23 26 24 25 27 155 971 051 AE 155 971 051 AM 155 971 051 AL 155 971 051 CH 155 971 051 80 155 971 051 DA 155 971 051 CA 155 4 1 051 171 971 651 CG HO 191 906 231 161 937 501 161 937 501 N 904 218 02 N 017 131 5 531 941 845 161 941 767 III 953 631 171 953 633 171 953 635 171 953 637 321 971 837 11j 971 921 171 971 934 161 971 970 171 971 971 171 971 971 LEITUNGSSATZ FUER SCHALTTAFEL F 15 H OOO 001 15 H 035 000 LEITUN S ATZ FUER SCHALTTAFEL F l xgrOOO 001 LflTUNGSSATZ FUER SCHALTTAFEL FUER FAHRZEUGE MIT TAGESFAHRLICHTSCHALTUNG F 15 E 011 290 LEITUNGSSATZ FUER SCHALTTAFEL FUER FAHRZEUGE MIT TAGESFAHRLICHTSCHALTUNG F 15 E 011 291 15 E 035 000 LElTUNGSSATZ FUER SCHALTTAFEL FUER FAHRZEUaP MIT TAGESFAHRLICHTSCHALTUNG F 15 F OOO 001 15 G 035 000 LEITUNGSSÜTZ FUER SQgALTTAFEL FUER FAHRZEUGE MIT TAGESFAHRLICHTSCHALTUNG F 15 H OOO 001 15 H 035 000 LEITUNGSSATZ FUER SCHALTTAFEL FUER FAHRZEUGE MIT TAGESFAHRLICHTSCHALTUNG F 1 J OOO 001 LEITUNGSSATZ FUER SCHALTTAFEL FUER FAHRZEUGE MIT TAGESFAHRLICHTSCHALTUNG F 15 H OOO 001 15 H 035 000 LEITUNGSSATZ FUER SCHALTTAFEL FUER FAHRZEUGE MIT TAGESFAHRLICHTSCHALTUNG F 15 J OOO 001 FLACHKONTAKtGEHAEUSE F 15 F OOO 001 RELAISTRAEGER SICHERUNGSOOSE FUER FLACHSICHERUNG F 15 F OOO 001 FLACHKONTAKT MIT fWSTNASE m 15 F OOO 001 piACHSICHERUNG F 15 F OOO 001 RELAISTRAEGER F 15 F OOO 001 FLACHSTECKHUELSENGEHAEUSE FLACHSTECKHUELSENGEHAEUSE FLACHSTECKHUELSENGEHAEUSE FLACHSJECKHUELSENGgHAEUSE FLACHSTECKHUELSENGEHAEUSE FLACHSTECKHUELSENGEHAEUSE FLACHSTECKHUELSENGEHAEUSE FLACHSTECKHUELSENGEHAEUSE FLACHSTECKHUELSENGEMMEUSE MITVERWENDEN RUNOSTECKHUELSENGEHAEUSE RUNOSTECKHUELSENGEHAEUSE LLKG LLKG LLKG LLKG ttKG LLKG LLKG LLKG 2 POLIG 6 3 0 5 1 0 10 R0T 3 POLJG 7 POLIG 8 POLIG 5 POLIG 4 POLIG 1 POLIG 2 POLIG 3 POLIG 161 971 975 28 POLJG ROT 28 POLIG BLAU 239 CD AUTOMATIK JH CD D CD CD BX KT fCgb DX KT kx KT 3D 0 iTiÄa 1 I


Vorschau Golf Cabrio  Mod. 84-93 Seite 940