Golf Cabrio Mod. 84-93 Seite 946

Hinweis: Dies ist eine maschinenlesbare No-Flash Ansicht.
Klicken Sie hier um zur Online-Version zu gelangen.

Inhalt

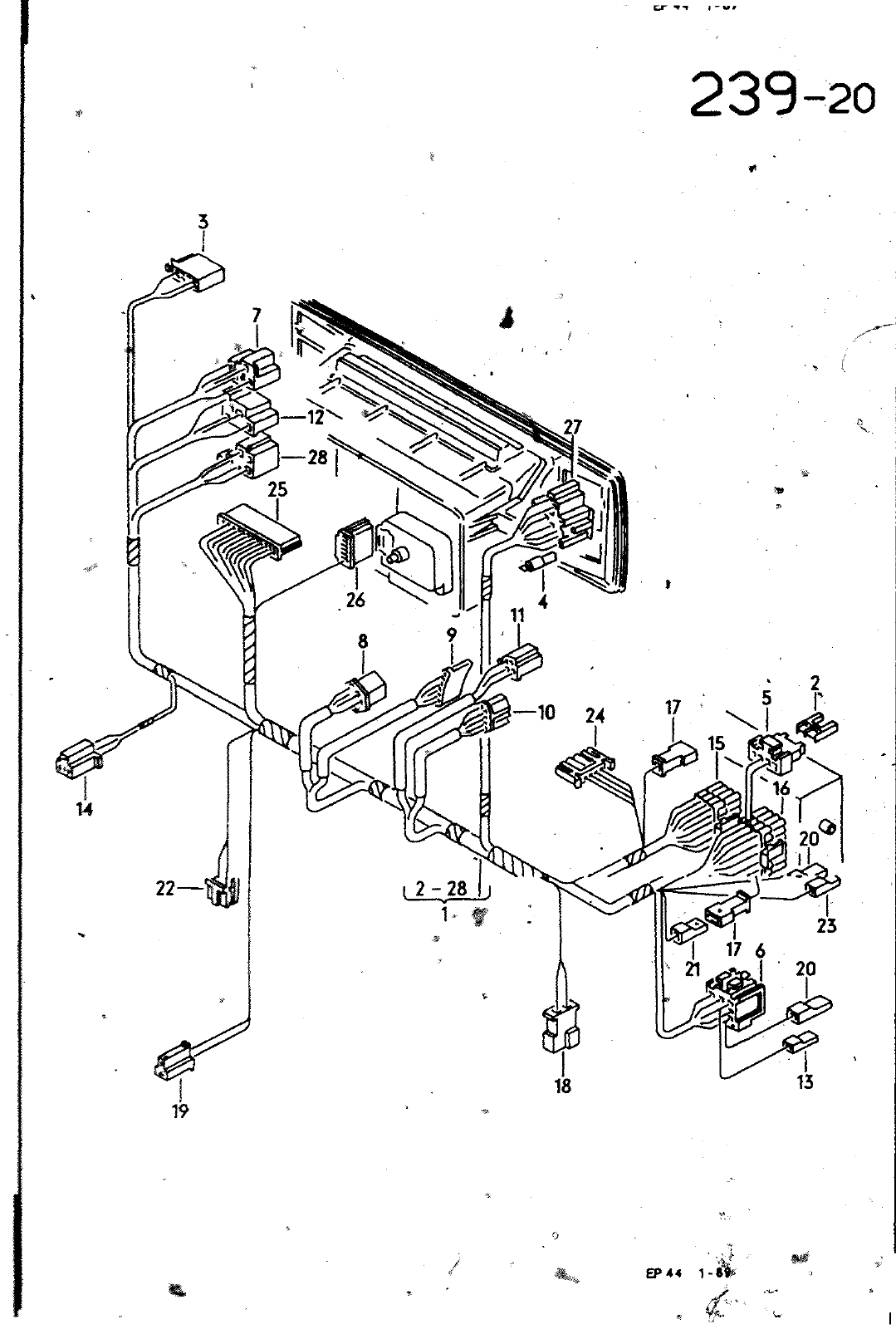
239 20 K 12 27 28 26 10 5 r 10 24 O 20 i2 28 j 23 I 17 6 a 4 20 11 II 155 971 051 MC 155 971 051 GN 155 971 051 HE 155 971 05I 60 fse 971 051 GP l 155 971 051 HK 155 971 051 GR 1 5 971 0 1 JO 155 971 0 1 JE 155 971 051 HP 155 971 051 HT 154 971 051 CC 154 971 051 CG 154 971 051 CG 154 971 051 CP 154 971 051 es 154 971 051 es LEITUNGSSATZ FUER SCHALTTAFEL F 15 M OOO 001 LEITUNGSSATZ FUER SCHALTTAFEL LEiTUNGSSATZ FUER SCHALTTAFEL FUER FAHRZEUGE MfT AKTIV LAUTSPRECHERN LEITUNGSSATZ FUER SCHALTTAFEL FUER FAHRZEUGE MIT MULTIFUNK TIONSANZEIGS LEITUNGSSATZ FUER SCHALTTAFEL FUER FAHRZEUGE MIT MULTIFUNK TIONSANZEIGE FUER FAHRZEUGE MIT AKTIV LAUTSPRECHERN LEITUNGSSATZ FUER SCHALTTAFEL FyER FAHRZEUGE MIT MULTIFUNK TIONSANZEIGE FUER FAHRZEUGE MIT AKTIV LAUTSPRECHERN LEITUNGSSATZ FUER SCHALTTAFEL FUER FAHRZEUGE MIT TAGESFAHRLICHTSCHALTUNG LEiTUNGSSATZ FUER SCHALTTAFEL FUER FAHRZEUGE MIT T eESFAHRL CHTSCH LTUNG FUER FAHRZEUGE MIT AKTiV LAUTSPREtHERN LEITÜNGSSATZ FUER SCHALTTAFEL UNO OpER FUER FAHRZEUGE MIT AIR8AG FUER FAHRZEUGE MIT AKflV LAUTSPRECHERN LEITUNGSSATZ FUER SCHALTTAFEL FUER FAHRZEUG MIT TAGESFAHRLICHTSCHALTUNG UNO ODER FUER FAHRZEUGE MIT AIR8AG FUER FAHRZEUGE MI AKTIV LAUTSPRECHERN LEITUNGSSATZ FUER SCHALTTAFEL LEITUNGSSATZ FUER SCHALTTAFEL FUER FAHRZEUGE MIT AKTIV LAUTSPRECHERN LEITUNGSSATZ FUER SCHALTTAFEL LEITUNGSSATZ FUER SCHALTTAFEL FUER FAHRZEUGE MIT AKTIV LAUTSPRECHERN MITVERWENDEhU LEITUNGSSATZ FUER SCHALTTAFEL FUER FAHRZEUGE MIT AKTIV LAUTSPRECHERN LEITUNGSSATZ FUER SCHALTTAFEL FUER FAHRZEUGE MIT AKTIV LAUTSPRECHERN LEITUNGSSATZ FUER SCHALTTAFEL MITVERWENOEM LEITUNGSSATZ FUER SCHALTTAFEL LLKG LLKG LLKG LLKG LLKG LLKG LLKG LLKG LLKG LLKG LLK8 RLKG 867 971 999 RLKG RLKG RLKG 867 971 999 8 RLKG 0X EW EX 2H EW EX 2H EW EX 2H 2M 0X 2H DX CD 2H 0X B 44 1 239 20 8 EW EX XCB JH EW EX JH 3g EW EX B EW EX 3E 0X 0 iFcn I j 07 ru liPlTliWAqoaT FUFR SCHALTTAFEL RLKG 1 0X


Vorschau Golf Cabrio  Mod. 84-93 Seite 946