Golf Cabrio Mod. 84-93 Seite 948

Hinweis: Dies ist eine maschinenlesbare No-Flash Ansicht.
Klicken Sie hier um zur Online-Version zu gelangen.

Inhalt

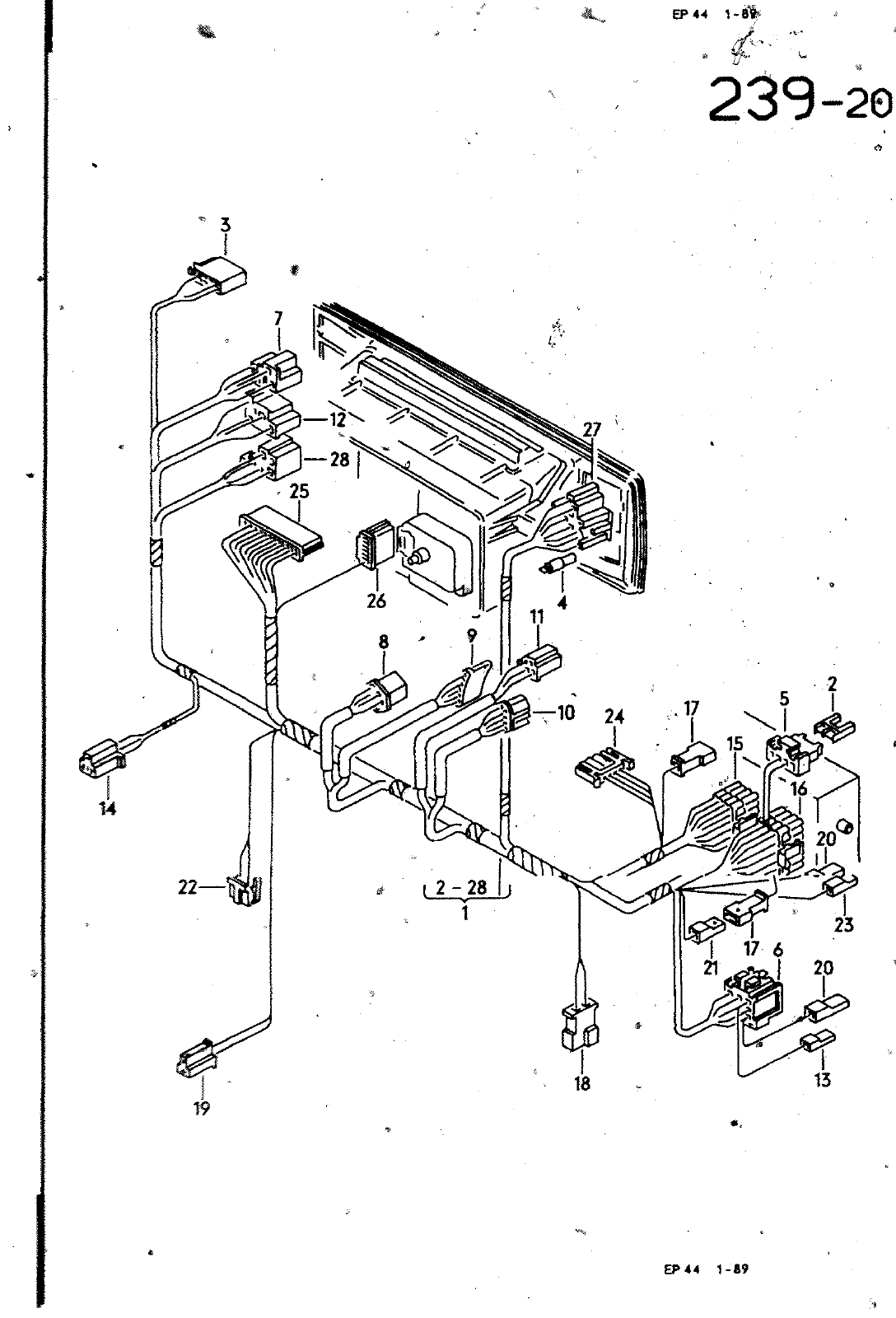
EP44 2 9 20 K 27 28 1 10 24 1 Iß d5 Q 20 t2 28lj 21 I 20 EP44 1 9 III 154 971 051 CH 154 971 051 CH 10 111 12 13 14 114 15 16 17 18 19 20 21 22 23 N 017 131 5 357 035 447 161 971 989 C 321 919 039 N 017 751 2 161 937 501 161 937 501 B 171 941 599 III 953 631 191 953 631 171 953 633 171 971 998 C 171 99 63 171 953 637 A 321 971 837 III 971 921 8 161 971 970 1 71 971 998 B 171 971 971 L 171 971 971 M 161 97t 976 m 161 971 988 C 161 971 989 C 171 971 990 161 971 990 A 191 971 993 431 971 995 LEITUNGSgßTZ FUER SCHALTTAFEL FUER FAHRZEUGE MIT AKTIV LAÜTSPRECHERN MITVfRWENOEN LEITUNGSSATZ FUER SCHALTTAFEL FUER FAHRZEUGE MIT AKTIV LAUTSPRECHERN FLACHSICHERUNG FLACHKONTAKTGEHAEUSE ANSCHLUSSSTUECK AUTORAOIO FLACHSTECKHUELSENGEHAEUSE ANSCHLUSSSTUECK FUER FAHRZEUGE MIT AKTIV LAUTSPRECHERN F 15 M OOO 001 LAMPENFASSUNG GLUEHLAMPE SICHERUNGSOOSE FUER FLACHSICHERUNG RELAISTRAEGER ANSCHLUSSSTUECK LAM8DA S0N0E FLACHSTECKHUELSENGEHAEUSE FLACHSTECKHUELSENGEHAEUSE ANSCHLUSSSTUECK ZUENOANLASS SCHALTER F 15 K 035 080 FLACHSTECKHUELSENGEHAEUSE ANSCHLUSSSTUECK ZUENOAHLASS SCHALTER F 15 L OOO 001 FLACHSTECKHUELSENGEHAEUSE RUNOSTECKERGEHAEUSE FUER FAHRZEUGE MIT MULTIFUNK TIONSANZEIGE FLA HSTECKHUCLSENGEHAEUSE FLACHSTECKHUELSENGEHAEUSE FLACHSTECKHUELSENGEHAEUSE FLACHSTECKHUELSENGEHAEUSE FLACHSTECKHUELSENGEHAEUSE KyiPPLUN i ZIGARETTENAN UENDEg RUNDSTECKERGEHAEUSE KUPPLUNG KONSOLE RONDSTECKHUCLSENGEHAEUSE RUNOSTECKHUELSENGEHAEUSE FLACHSTECKERGEHAEUSE FLACHSTECKERGEHAEUSE FLACHSTECKHUELSENGEHAEUSE ANSCHLUSSSTUECK ZENTRALELEKTRIK LAMBOA SONOE FLACHSTECKHUELSENGEHAEUSE FLACHSTECKHUELSENGEHAEUSE FLACHKONTAKTGEHAEUSE ANäCHLUSSSTUECK BREMSLICHTSCHALTER FLACHSTECKHUELSENGEHAEUSE RLKG 867 971 999 8 ALKG 10 R0T AMP 8 POL IG SCHWARZ 2 POLIG W5 1 2 12V1 2W 2 POLIG 9 POLIG RELAIS 5 POLIG 7 POLIG 6 POLIG 7 POLIG 4 POLIG 8 POLIG 5 POLIG 4 POLIG 1 POL IG 3 POLIG 3 POLIG 28 POLIG 28 POLIG 1 POLIG 2 POLIG 2 POLIG POLIG POLIG POLIG 1 POLIG 239 BO DX 3B 0X D 19 084


Vorschau Golf Cabrio  Mod. 84-93 Seite 948