Golf Cabrio Mod. 84-93 Seite 960

Hinweis: Dies ist eine maschinenlesbare No-Flash Ansicht.
Klicken Sie hier um zur Online-Version zu gelangen.

Inhalt

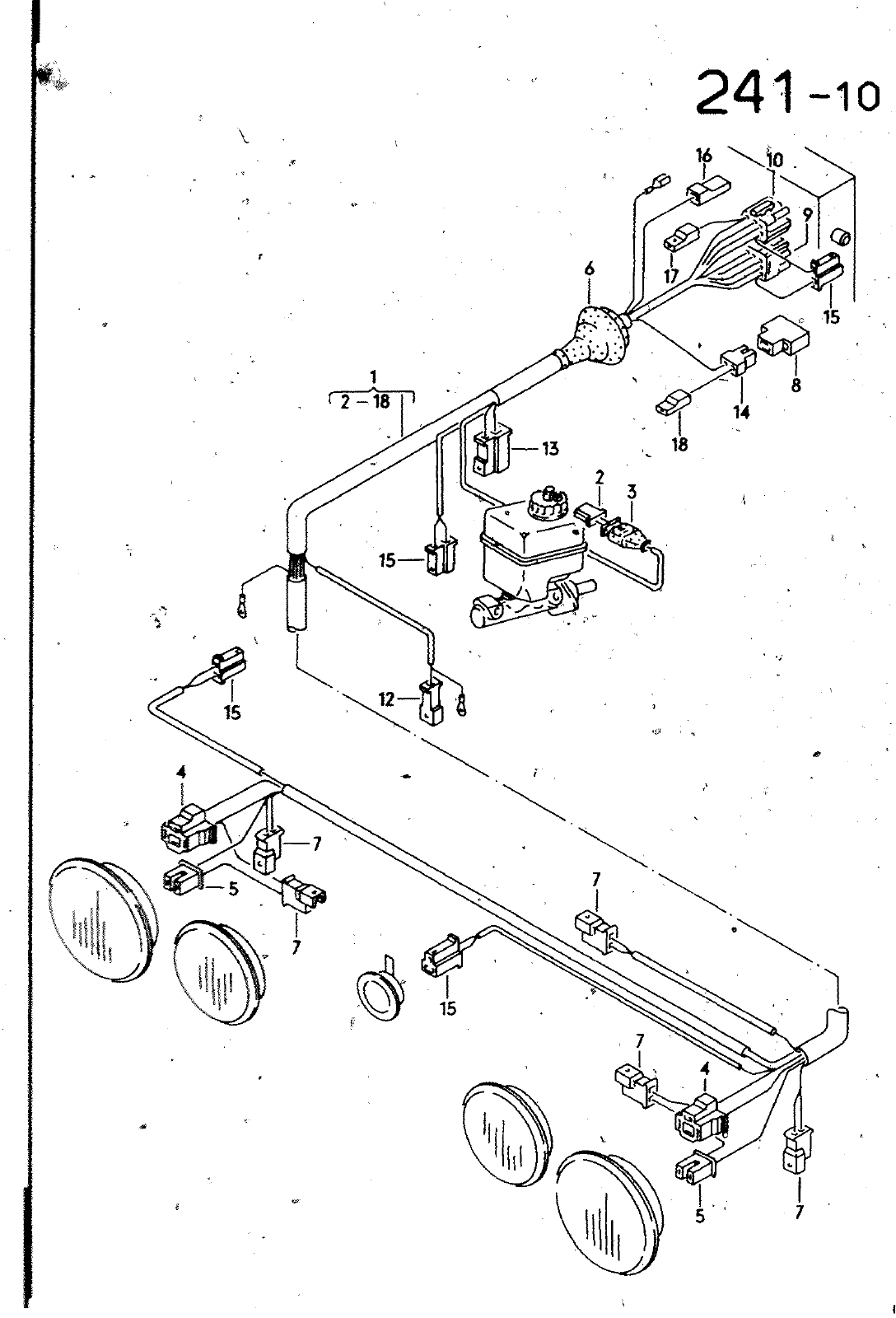
I 1 c TZig i 3 0 HAUPTGRUPPE 9 BILD ERSATZTEILE NR ELEKTRISCHE AUSRUESTUNG BENENNUNG BEMERKUNG ST KENNBUCHST 154 971 071 A 154 971 071 C 154 971 071 E 155 971 071 BK 155 971 071 Am 155 971 071 AD 154 971 071 C 155 971 071 J 155 971 071 AH 155 971 071 BE 155 971 071 BN 155 971 071 L 155 971 071 AF 155 971 071 BE 154 971 071 A 154 971 071 C 154 971 071 E 154 971 071 E 443 906 231 447 919 141 1 1 941 165 321 941 600 357 972 752 1H0 971 840 LEITUNGSSATZ LINKS VORN F 15 H OOO 001 DX JH KT 2H LEITUNGSSATZ LINKS VORN F 15 H 035 000 LEITUNGSSATZ LINKS VORN F 15 J OOO 001 15 K 035 000 LEITUNGSSATZ LINKS VORN F 15 L OOO 001 15 L 035 000 LEITUNGSSATZ LINKS VORN F 15 M OOO 001 LEITUNGSSATZ LINKS VORN F 15 H 035 000 LEITUNGSSATZ LINKS VORN F is j oop 001 15 K 035 000 LEITUNGSSATZ LINKS VORN FUER FAHRZEUGE MIT fWLTIFUNK TIONSANZEIGE F 15 K OOO 001 15 K 035 000 LEITUNGSSATZ LINKS VORN F 15 H 035 000 LEITUNGSSATZ LINKS VORN F 15 J OOO 001 15 K 035 000 LEITUNGSSATZ LINKS VORN F 15 L OOO 001 15 L 035 000 LEITUNGSäATZ LINKS VORN F 15 M OOO 001 LEITUNGSSATZ LINKS VORN F 15 H 035 000 LEITUNGSSÖTZ LINKS VORN F 15 J 000 001 15 K 035 000 LEITUNGSSATZ LINKS VORN F 15 L OOO 001 15 L 035 000 LEITUNGSSATZ LINKS VORN F 15 H 035 000 LEITUNGSSATZ LI KS VORN F 15 J OOO 001 15 K 035 000 LEITUNGSSAT LINKS VORN F 15 L OOO 001 LEITUNGSSATZ UNKSVORN BEACHTE STRÖMLAUFPLAN KUPPLUNG LEITUNGSSATZ RECHTS VORN MITVERWENDEN F 15 L OOO 001 FLACHSTECKHUELSENGEHAEUSE SCHÜTZKAPPE FLACHSTECKHUELSENGEHAEUSE FLACHSTECKHUELSENGEHAEUSE F 15 K 035 000 FLACHKONTAKTGEHAEUSE F 15 L OOO 001 MITVERWENDEN TUELLE LLKG LLKG LLXG LLKG LLKG LLKG LLKG LLKG LLKG LLKG RLKG RLKG RLKG 161 971 990 A N 017 490 7 RLKG 2 POLIG yPOL IG 2 POLIG 357 972 741 A 46 10 5 OX ox f DX JH JH JH 3 ww jß JH 2H 2H CD KT 3D KT OD ZH 3S DX 3S fx 3B jOx jH ÄÜ5 JH 241 10 D 19 090 I I ilgu


Vorschau Golf Cabrio  Mod. 84-93 Seite 960