Golf Cabrio Mod. 84-93 Seite 962

Hinweis: Dies ist eine maschinenlesbare No-Flash Ansicht.
Klicken Sie hier um zur Online-Version zu gelangen.

Inhalt

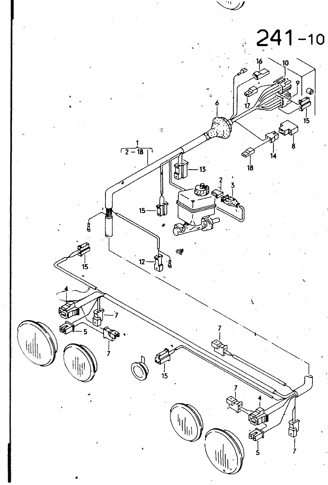
241 10 V 10 6 2 181 2 241 10 U I7 U7U 8 9 10 12 1 3 14 1141 16 17 18 155 971 843 A 4 71 971 934 171 971 934 357 972 752 357 972 753 803 971 968 171 971 971 S 17t 971 971 T 161 971 976 A 161 971 988 C 937 501 8 161 971 989 C 357 972 752 171 971 990 161 971 990 A 431 971 995 155 971 843 C HALTER ANSCHLUSSSTUECK MASSELEITUNG ZYLINDERKOPF FLACHSTECKHUELSENGEHAEUSE ANSCHLUSSSTUECK THERMOZEITSCHALTER FLACHSTECKHUELSENGEHAEUSE ANSCHLUSSSTUECK DOPPELSCHEINWERFER BLINKLEUCHTE F 15 H 035 000 FLACHKÖNTAKTGEHAEUSE ANSCHLUSSSTUECK OOPPELSCHEINWERFER BLINKLEUCHTE F IS J OOO 001 MITVERWENOEN FLACHKONTAKTGEHAEUSE ANSCHLUSSSTUECK FUER FAHRZEUGE MIT LEUCHTWEITENVERSTELLUNG MITVERWENDEN F 15 M OOO 001 POTENTIALVERTEILER RUNDSTECKHUELSENGEHAEUSE RUNDSTECKHUELSENGEHAEUSE FLACHSTECKERGEHAEUSE ANSCHLUSSSTUECK DREHSTROMGENERATOR FLACHSTECKERGEHAEUSE ENTFALLEN ERSATZ RELAISTRAEGER LEITUNGSSATZ KUEHLLUFTREGULIERUNG F 15 L OOO 001 FLACHSTECKHUELSEN ANSCHLUSSSTUECK SCHALTER FUER RUECI F I SIGNALHORN BREdSLICHTSCHALTj WARNKONTAKT FLACHKONTAKTGPßAEUSE ANSCHLUSSSTUECK SCHALTER FUER RUECKFAHRLEUCHTE F 15 L OOO 001 MITVERWENOEN FLACHSTECKHUELSENGEHAE0SE FLACHSTECKHUELSENGEHAEUSE FLACHSTECKHUELSENGEHAEUSE HALTER FLACHKONTAKTGEHAEUSE HALOGEN FERNSCHE bwERFER BLINKLEUCHTE HAEUSE AHRLEUCHTE K 035 000 MIT 2H 2 POLIG 2 POLIG 2 POLIG 357 972 741 A 3 POLIG 357 972 741 A 6 POLIG 12 POLIG 10 POLIG 1 POLIG 2 POLIG 161 971 988 C 161 971 989 C 9 POLIG 2 POLIG 2 POLIG 357 972 741 1 POLIG 1 POLIG 1 POLIG 2H 241 10 D 19 0911


Vorschau Golf Cabrio  Mod. 84-93 Seite 962