Golf Cabrio Mod. 84-93 Seite 967

Hinweis: Dies ist eine maschinenlesbare No-Flash Ansicht.
Klicken Sie hier um zur Online-Version zu gelangen.

Inhalt

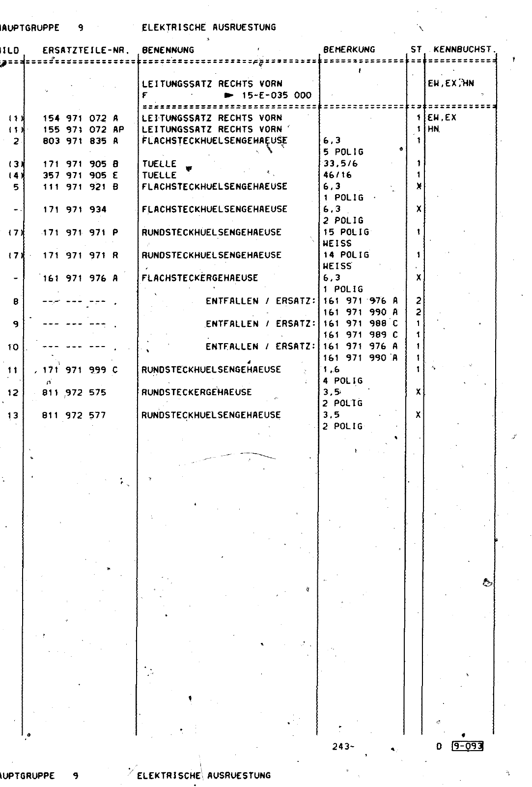
L 12 243 0 10 12 13 HAUPTGRUPPE 9 8 L0 ERSATZTEILE NR ELEKTRISCHE AUSRUESTUNG BENENNUNG BEMERKUNG ST KENNBUCHST 17 17 8 9 TO 11 12 13 154 971 155 973 803 971 171 971 357 971 III 971 171 971 171 971 171 971 161 971 072 A 072 AP 835 A 905 B 905 E 921 B 934 971 P 971 R 976 A 171 971 999 C 811 972 575 811 972 577 LEITUWGSSATZ RECHTS VORN F 15 E 035 000 EW EX HN LEITUNGSSATZ RECHTS VORN LEITUNGSSATZ RECHTS VORN FLACHSTECKHUELSENGEHA USE TUELLE TUELLE FLACHSTECKHUELSENGEHAEUSE FLACHSTECKHUELSENGEHAEUSE RUNOSTECKHUELSENGEHAEUSE RUNDSTECKHUELSENGEHAEUSE FLACHSTECKERGEHAEUSE ENTFALLEN ERSATZ ENTFALLEN ERSATZ ENTFALLEN ERSATZ RUNOSTECKHUELSENGEHAEUSE HUNOSTECKERGfHAEUSE RUNDSTECKHUELSENGEHAEUSE 6 3 5 POLIG 33 5 6 46 16 6 3 1 POLIG 6 3 2 POLIG 15 POLIG WEISS 14 POLIG WEISS 6 3 1 POLIG 161 971 161 161 161 161 971 971 971 971 161 971 1 6 4 POLIG 3 2 POL Iis 3 5 2 POLIG 976 A 990 A 988 C 989 C 976 A 990 A EW EX HN 243 0 19 093 HAUPTGRUPPE 9 ELEKTRISCHE AUSRUESTUNG


Vorschau Golf Cabrio  Mod. 84-93 Seite 967