Golf Cabrio Mod. 84-93 Seite 972

Hinweis: Dies ist eine maschinenlesbare No-Flash Ansicht.
Klicken Sie hier um zur Online-Version zu gelangen.

Inhalt

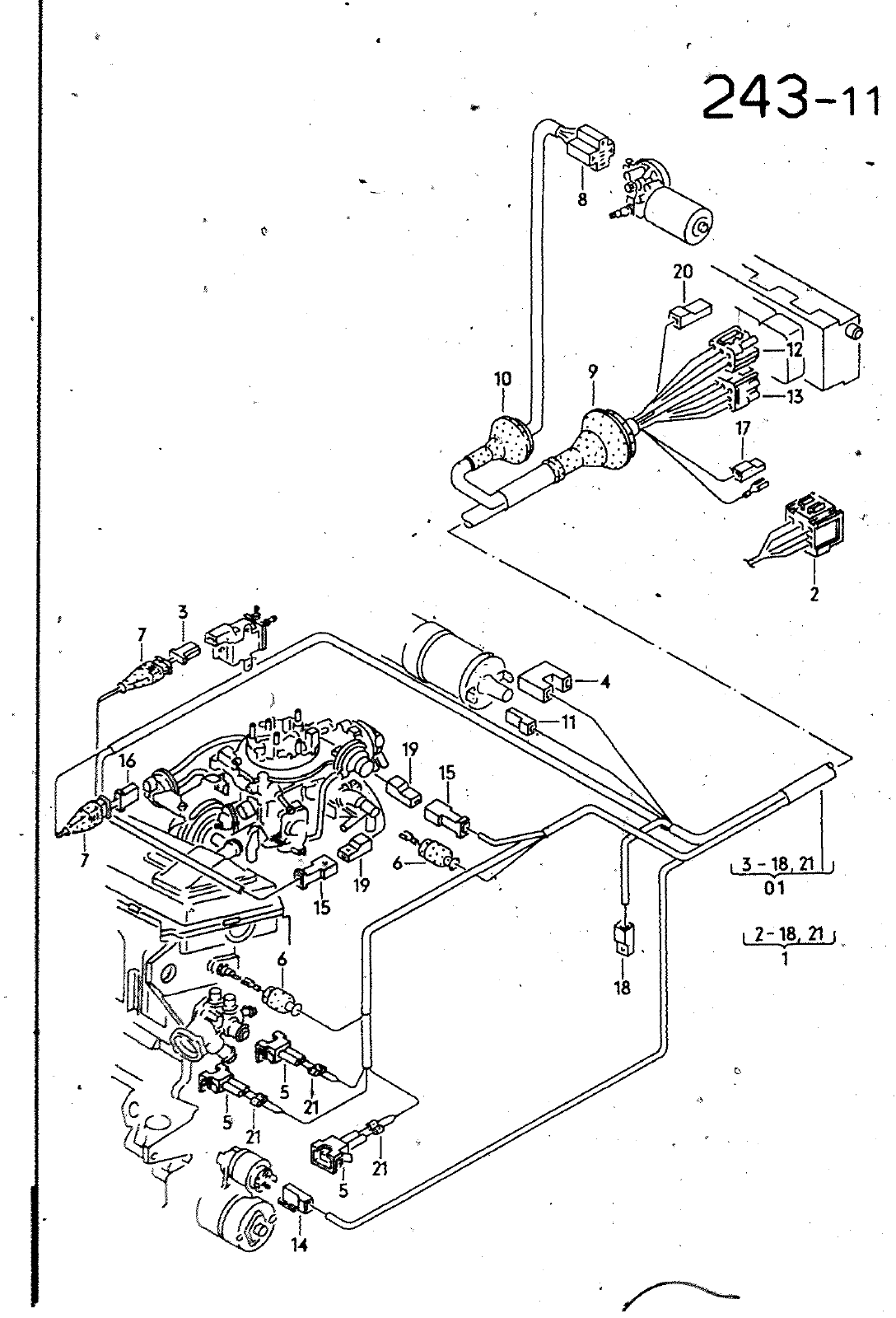
243 11 20 17 4S 3 18 21 j 01 2 18 21 1 4 a HAUPTGRUPPE 9 BILD ERSRT TEILE NR ELEKTRISCHE AUSRUESTUNG BENENNUNG BEMERKUNG ST KENNBUCHST 01 101 101 101 7 8 19 10 11 12 13 LEITUNGSSATZ RECHTS VORN F 1S K 000 465 F 15 K OOO 722 F 15 K OOO 566 F 15 K 001 911 155 971 072 CB 155 971 Ö72 CC 155 971 072 CO 154 971 072 M 154 971 072 N 154 971 072 0 155 971 072 8T 155 971 072 C 155 971 072 CP 154 971 072 154 971 072 L 154 971 072 P 191 905 897 161 937 501 B 443 06 231 171 906 231 8 037 906 240 191 919 083 447 919 141 803 971 835 A 357 971 905 E I7l 971 905 B III 971 921 B 171 971 971 P 971 971 R LEITUNGSSATZ RECHTS VORN LEITUNGSSATZ RECHTS VORN F 15 K Ö35 000 LEITUNGSSATZ RECHTS VORN F 1S L 000 001 LEITUNGSSATZ RECHTS VORN LEITUNGSSATZ RECHTS VORN F 15 K 035 000 LEITUNGSSATZ RECHTS VORN F 15 L OOO 001 LEITUNGSSATZ RECHTS VORN LEITUNGSSATZ RECHTS VORN F 15 K 035 000 LEITUNßSSATZ RECHTS VORN F 15 L OOO 001 r LEITUNGSSATZ RECHTS VORN LEITUNGSSATZ RECHTS VORN F 15 K 035 000 LEITUNGSSATZ RECHT VORN F 15 L OOO 001 RUNDSTECKHUELSENGEHREVSE RELAISTRAEGER FLACHSTECKHUELSENGEHAEUSE FLACHSTECKHUELSENGEHAEUSE FLACHKONTAKTGEHAEUSE ANSCHLUSSSTUECK REIZUNG SAUGROHR STARTAUTOMATIK TEMPEMTURSCHmLTER SCHUTZKAPPE ANSCHLUSSSTUECK OELDRUCKSCHALTER SCHUTZKAPPS FLACHSTECKHUELSENGEHAEUSE TUELLE TUELLE FLACHSTECKHUELSENGEHAEUSE RUNOSTECKHUELSENGEHAEUSE RUNOSTECKHUELSENGEHAEUSE LLK LLKQ EW RE AUTOMATIK EW RE EX AUTOMATIK EX LLKG RLKG RLKG RLKG LLKG LLKG LLKG RLKG RLKG RLKG 4 POLIG 9 POLIG 2 POLIG 2 POLIG 2 POL I G 32X10 0 3 1 8 5 POL IG 46 16 33 5 6 1 POL IG 15 POLIG 14 POLIG 243 11 EW RE AUTOMATIK EW RE AUTOMATIK EW RE EW RE AUTOMATIK EW RE AUTOMATIK EW RE EX AUTOMATIK EX AUTOMATIK EX EX AUTOMATIK EX AUTOMATIK EX AUTOMATIK EX 0 I t oni in


Vorschau Golf Cabrio  Mod. 84-93 Seite 972