Golf Cabrio Mod. 84-93 Seite 976

Hinweis: Dies ist eine maschinenlesbare No-Flash Ansicht.
Klicken Sie hier um zur Online-Version zu gelangen.

Inhalt

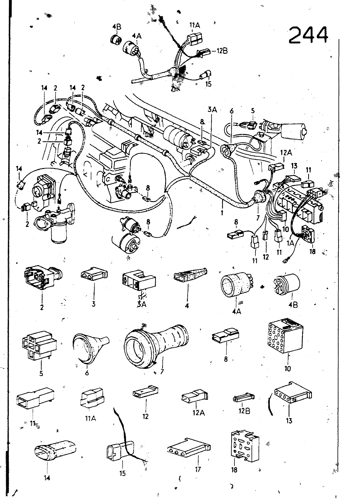
HA 48 244 4A MB 14 2 M r i 3A 12A o 1A 3A 48 0 0 0 a er 0 l 128 12A Dn Sa HAUPTGRUPPE ELEKTRISCHE AUSRUESTUNG BILD ERSATZTEILE NR BENENNUNG 6 171 8 10 lio 11 11 112 IV 12A B 13 14 15 17 1S5 971 072 AK 154 71 072 C 037 06 240 443 906 232 443 906 231 171 906 231 B 447 919 141 803 971 835 A 803 971 892 171 971 905 B 357 971 905 E III 971 921 B 191 g71 922 171 971 971 P 71 971 971 R 161 971 990 A 431 97 1 995 171 4 1 997 m 171 971 9 1 810 972 SA 811 372 57 311 906 23f 8 BEMERKUNG ST KENNBUCHST LEITUNGSSATZ RECHTS VORN F 15 E 03S 000 LEITUNGSSATZ RECHTS VORN LEITUNGSSATZ RECHTS VORN FLACHKONTAKTG HAEUSE MITVERWENOEN FLACHKONTAKTGEHAEUSE FLACHSTECKHUELSENGEHAEUSE ANSCHLUSSSTUECK WASSERSTANDSSCHALTER FLACHSTECKHUELSENGEHAEUSE SCHUTZKAPPE FLACHSTECKHUELSENGEHAEUSE ANSCHLUSSSTUECK WASSERSTANDSSCHALTER FLACHSTECKHUELSENGEHAEUSE TUELLE ANSCHLUSSSTUECK TEMPERATURGEBER TUELLE TUELLE FLACHSTECKHUELSENGEHAEUSE ANSCHIUSSSTUCCK OELDRUCKSCHALTER ZUENDSPULE RELAIS FLACHSTECKHUELSENGEHAEUSE ANSCHLUSSSTUECK DREHSTROMGENERATOR RUNDSTECKHUELSENGEHAEUSE RUNOSTECKHUELSENGEHAEUSE ENTFALLEN ERSATZ ENTFALLEN RSATZI ENTFALLEN 1 f RSATZ FLACHSTECKHUELSENGEHAEUSE ANSCHLUSSS CK OELTEMPERATURGEBER MASSELEITUNG fRRF TOFFPUMPE FkpCHSTECKHUELSENGEHAEUSE CHLUSSSTUECK AASSELEITUNG RUNDSTECKHUELSENGEHAEUSE ENTFALLEN ERSATZ RUNDSTECKHUELSENGEHAEUSE TWELLE RUNDSTECKERGEHAEUSE FLACHSTECKHUELSENGEHAEUSE 2 POL I G 357 972 741 2 POLIG 2 POLIG 2 POLIG 5 POl 3X25 j 6 16 4 PQLIG 1 POLIG KL 50 15 POLIG WEISS 14 POLIG WEISS 161 971 976 A 161 971 990 A 161 971 988 C 161 971 976 A ltl 971 990 A 1 POLIG 1 POLIG 5 POLIG 161 971 976 A 161 71 990 A 4 PQLIG 2 POLIG 3 POLIG OX KT JHf CI CD JH DX KT DX KT CD CD 244 D 19 099 I 1 I


Vorschau Golf Cabrio  Mod. 84-93 Seite 976