Golf Cabrio Mod. 84-93 Seite 984

Hinweis: Dies ist eine maschinenlesbare No-Flash Ansicht.
Klicken Sie hier um zur Online-Version zu gelangen.

Inhalt

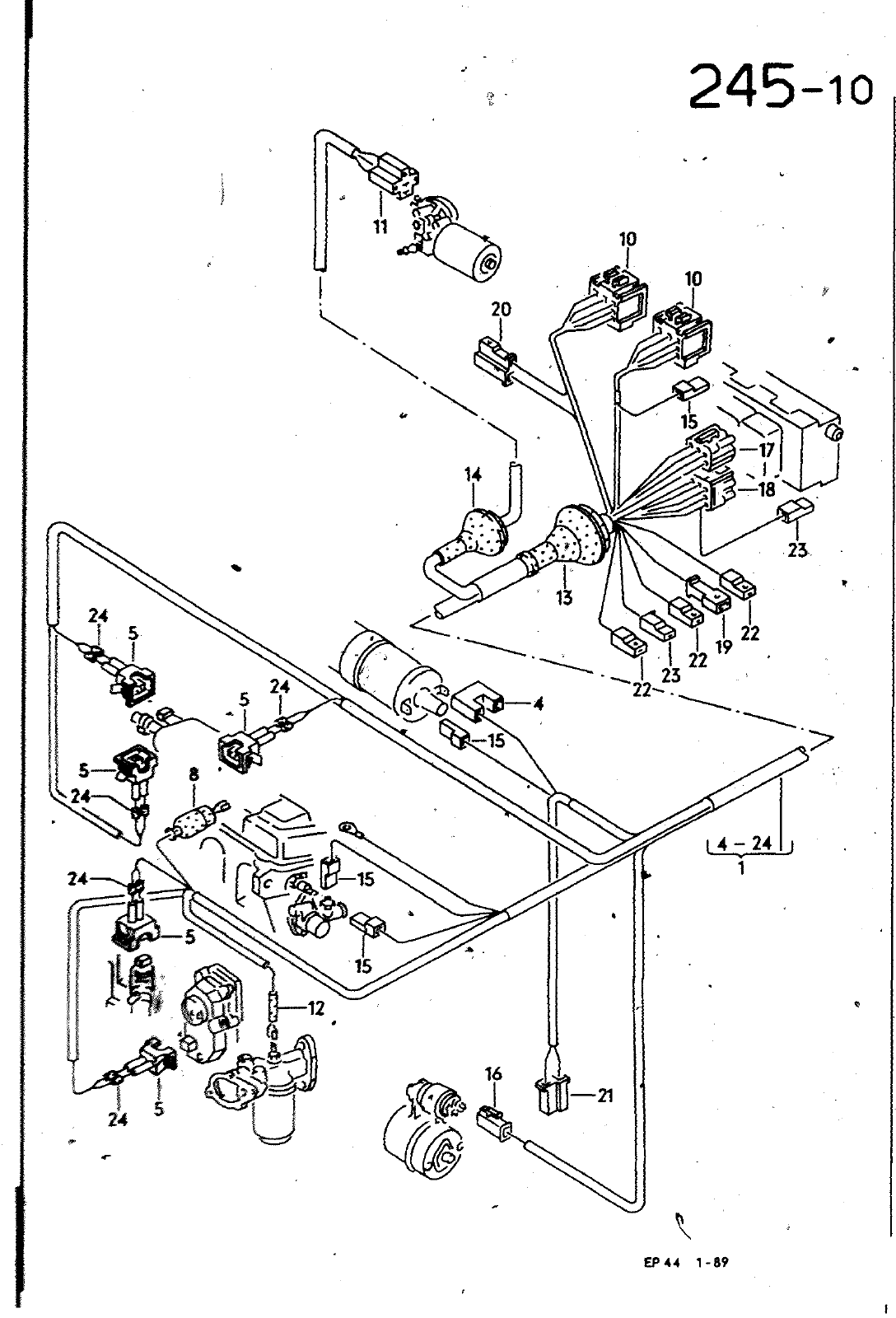
245 10 20 23 22 22 23 24 22 14 24 I L 21 EP44 1 9 HAUPTGRUPPE 9 ELEKTRISCHE AUSRUESTUNG BILD ERSATZTEILE NR BENENNUNG BEMERKUNG ST MODELL 11 11 i 11 141 4 14 4 10 11 12 113 14 15 16 17 18 19 20 155 971 472 BM 155 971 072 CO 155 971 072 BS 155 971 072 CE 154 971 072 G 155 971 072 CT 155 971 072 DC 155 971 072 00 154 971 072 191 905 897 171 906 231 B 443 906 231 357 972 752 037 906 240 191 919 083 161 937 803 971 803 971 357 971 171 971 III 971 191 971 171 971 171 971 161 971 161 971 501 B 835 A 892 905 E 5 B 921 8 922 371 P 971 R 976 A 988 C LEITUNGSSATZ RECHTS VORN F 15 K OOO 001 15 K 035 000 F 15 K 001 208 1S K 035 000 OX KT JH LEITUNGSSATZ RECHTS VORN LEITUNGSSATZ RECHTS VORN FUER FAHRZEUGE MIT MULTIFUNK TIONSANZEIGE LEITUNGSSATZ RECHTS VORN LEITUNGSS TZ RECHTS VORN EUER FAHRZEUGE MIT MULTIFUNK tlONSANZEIGE LEITUNGSSATZ RECHTS VORN LEfTUNGSSATZ RECHTS VORN F i5 L 000 001 LEITUNGSSATZ RECHTS VORN LElTUÜßSSÄfZ RECWfS VORN LEITU GSSATB RECHTS VORN L ITÜNGSSATZ RECHTS VORN LEITUNGSSATZ RECHTS VOR LEITUNGSSATZ RECHTS VORN RUNOSTECKHUELSENGEHAEUSE FLACHSTECKHUELSENGEHAEUSE FLACHSTECKHUELSENGEHAEUSE ANSCHLUSSSTUECK KUEHLWASSERREGLER F i5 k 035 000 MITVERWENOEN FLACHKONTAKTGEHAEUSE ANSCHLUSSSTUECK KUEHLWASSERREGLER F 1S L 000 Obl MITVERWENOEN FLACHKONTAKTGEHAEUSE SCHUTZKAPPE ANSCHLUSSSTUECK OELDRUCKSCHALTER RELAISTRAEGER FLACHSTECKHUELSENGEHAEUSE TUELLE TUELLE TUELLE FLACHSTECKHUELSENGEHAEUSE FLACHSTECKHUELSENGEHAEUSE RUNOSTECKHUELSENGEHAEUSE RUNOSTECKHUELSENGEHAEUSE FLACHSTECKERGEHAEUSE FLACHSTEtK RGEHAEUSE LLKG LLKG LLKG LLKG RLKG LLWG LLKG LLKG RLKG RLKG RLKG 4 POL 2 POL 2 POL 171 919 141 2 POLIG 357 972 741 2 POL IG 32X10 0 3 1 8 9 POLIO 5 POLIG 3X25 46 16 33 5 6 1 POLIG 1 POLIG 15 POLIG 14 POL IG 1 POLIO 2 POL IG 2 5 10 OX KT JH AUTOMATIK JH AUTOMATIK JH OX KT DX 2H NDS JH OX KT 2H AUTOMATIK 2H OX 3 O JH BB 3E AUTOMATIK JH AUTOMATIK 0 m ioa


Vorschau Golf Cabrio  Mod. 84-93 Seite 984