Golf Cabrio Mod. 84-93 Seite 986

Hinweis: Dies ist eine maschinenlesbare No-Flash Ansicht.
Klicken Sie hier um zur Online-Version zu gelangen.

Inhalt

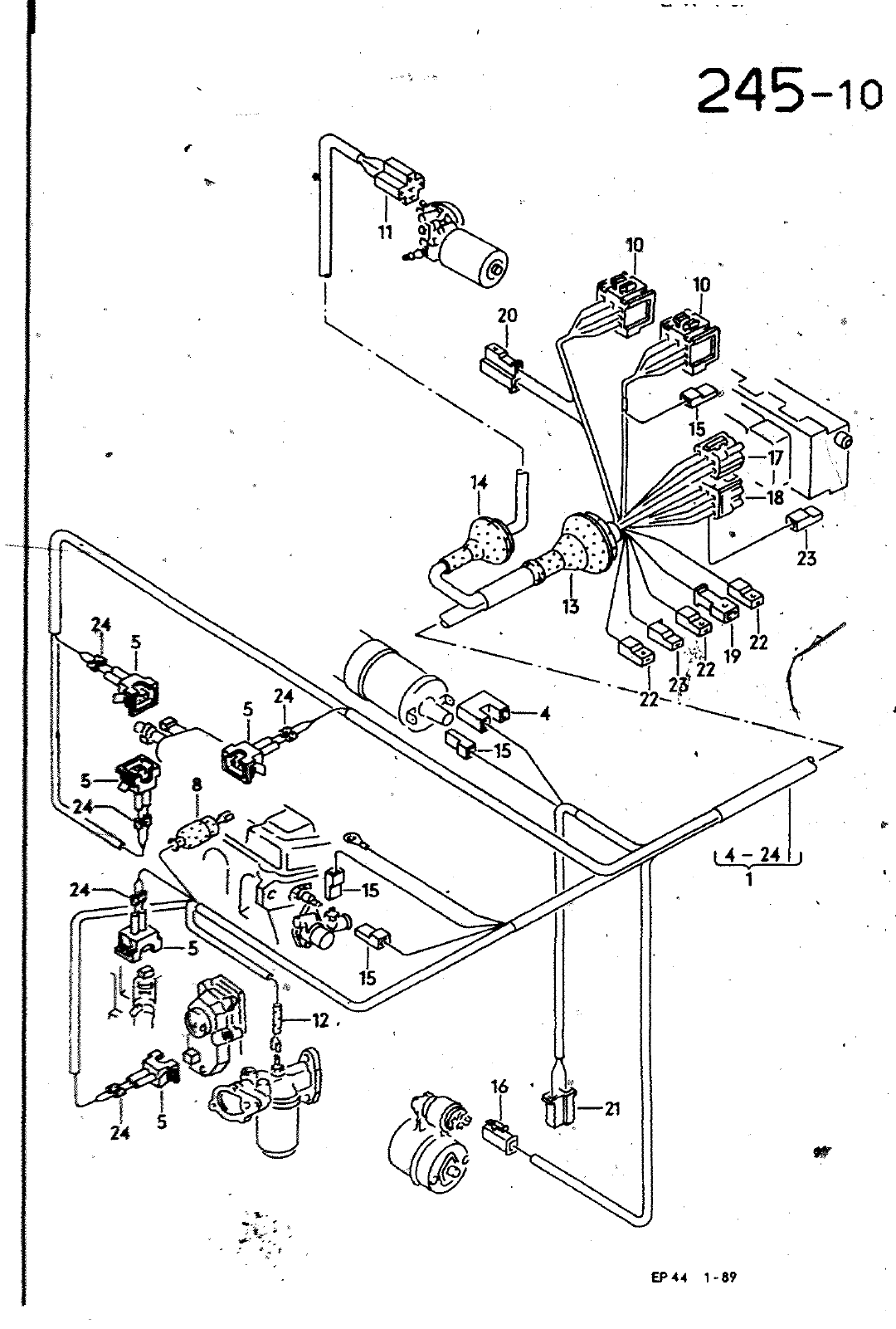
245 10 24 10 20 23 22 22 15 15 12 16 4 4 1 EP44 1 8 161 971 989 C 161 971 990 A 431 971 995 357 972 741 A FLACHSTECKHUELSENGEHAEUSE NSCHLUSSSTUECK KUPPLUNG FLACHSTECKHUELSENGEHAEUSE FLACHSTECKHUELSENGEHAEUSE TUELLE 1 FUER LEITUNG 2 POLIG 1 POLIG 1 POLIG 5 6X7 8 0 5 1 5 245 10 0 m ioa


Vorschau Golf Cabrio  Mod. 84-93 Seite 986