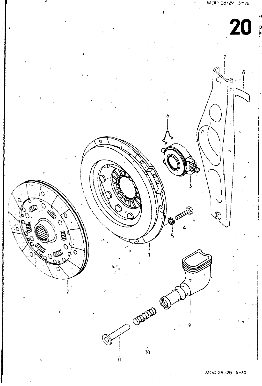
rwuujw ry 6 6 20 0 NK D 28 29 5 0 HAUPTGRUPPE BILD ERSATZTEILE NR MOTOR BENENNUNG BEMERKUNG ST KENNBUCHST 2 3 4 5 161 6 7 8 9 10 11 029 141 025 B 061 141 031 088 141 165 N 010 239 11 N 012 008 113 141 177 C 113 141 178 C 015 141 715 015 Ml 721 015 301 117 008 141 723 008 141 727 KUPPLUNG KUPPLUNGSDECKEL UND DRUCKPLATTE KUPPLUNGSSCHEIBE AUGRUECKLAGER SECHSKANTSCHRAUBE FEOCRRING HALTEFEDER LINKS HALTEFEDER RECHTS AUSRUECKHEBEL FEDER ABDECKKAPPE RUCCKZU6FEDER fUCHRUNG FUER RÜECKZUGFEOER CG 328 MM M8X18 88 20 0 11 0211

Vorschau Lastentransporter LT F-28-D-007 273 Seite 119
Hinweis: Dies ist eine maschinenlesbare No-Flash Ansicht.
Klicken Sie hier um zur Online-Version zu gelangen.