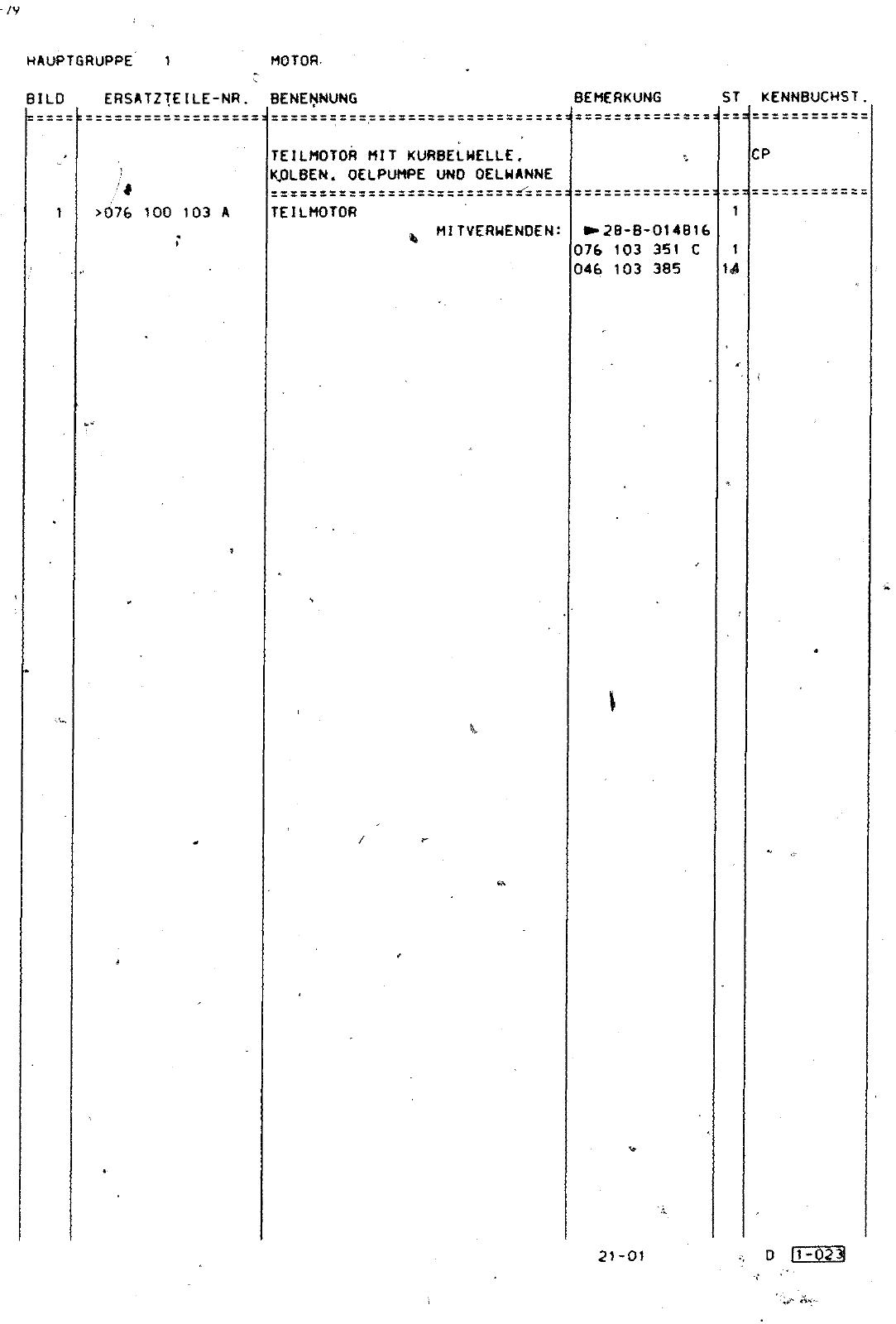
21 HAUPTGRUPPE 1 MOTOR 01 BILD ERSATZTEILE NR BENENNUNG 076 100 103 A TEfLMOTOm MIT KURBELWELLE KßLBEN OELPUMPE UNO OELWANNE BEMERKUNG ST KENNBUCHST CP TEILMOTOR MITVERWENDEN 28 B 014816 076 103 351 C 046 103 385 21 0 r D M 0231 MOD 29 4 81

Vorschau Lastentransporter LT F-28-D-007 273 Seite 124
Hinweis: Dies ist eine maschinenlesbare No-Flash Ansicht.
Klicken Sie hier um zur Online-Version zu gelangen.