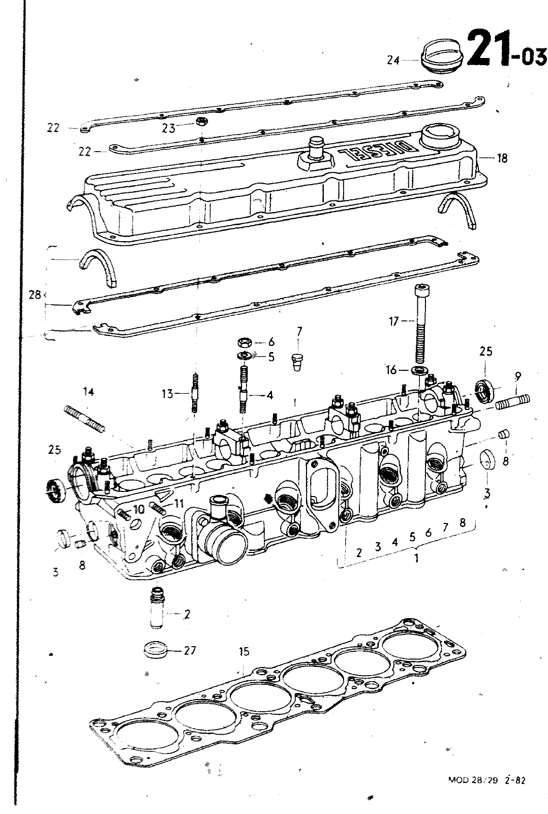
HAUPTGRUPPE 1 BILD 28i 24 23 131 5 25 115 Ü5C3B 1151 ÜD 151 1151 15 1161 27 15 1171 ERSATZTEILE NR MOTOR BENENNUNG BEMERKUNG ST KENNBUCHST 076 103 351 B 076 103 351 C 056 103 N 011 056 M 3 011 011 035 103 056 103 014 900 044 044 419 914 2 397 558 2 008 8 643 B 379 596 1 082 03 410 2 419 2 066 103 400 N 044 411 2 072 103 383 C 072 103 383 T 072 103 383 0 072 103 383 4 072 103 383 E 072 103 383 AB 056 103 377 N 901 157 01 056 103 385 046 103 385 103 469 A 072 103 591 N 011 006 8 28 B 014 816 23 8 012 BUND ZYLINOERKOPF ZYLINOERKOPFOICHTUNG ZYLINOERKOPFHAUBE VENTILFUEHRUNG ZYLINOERKOPF F ZYLINOERKOPF F 28 8 014 817 VENTILFUEHRUNG VERSCHLUSSDECKEL STIFTSCWRAUBE SCHEIBE SECHSKANTMUTTER OELSPRITZDUESE VERSCHLUSSSTOPFEN STIFTSCHRAUBE STIFTSCHAAueg STIFTSCWRAUGE STIFTSCHRAUBE F STIFTSCHRAUBE MIT F 28 B 012 327 STIFTSCHRAUBE ZYLINOERKOPFOICHTUNG t KERBE F L 28 B 014 ZYLINOERKOPFOICHTUNG KERBE F 28 8 014 8 7 ZYLINOERKOPFOICHTUNG 28 B 0I4 ZYLINOERKOPFOICHTUNG 2 KERBEN 28 8 014 817 ZYLINOERKOPFOICHTUNG KERBEN 28 B 014 ZYLINOERKOPFOICHTUNG KERBEN 28 8 014 817 SCHEIBE 28 B 014 SCHEIBE 28 8 014 817 ZYLINOERSCHRAU0E MIT INNCNSECHSKANTKOPF 28 B 014 ZYLINDERSCHRAUBE 28 8 014 817 ZYLINOERKOPFHAUBE WSTE SttHSKANTMUTTER 326 816 816 816 24 MM M 8X56 8 4 M8 AN8AX28 M8X20 M8X28 M6X15 M6X14 M8X30 1 4 MM 1 4 MM 1 5 MM 1 5 MM 1 6 MM 6 M 12 5X23X4 5 M 11X1 5X98 12X115 M6 21 03 L CP D 11 029 MOD 28 29 2 82 j 24 I 049 103 485 A jvERSCHLUSSOECKEL WTFRFHfP UIRnI

Vorschau Lastentransporter LT F-28-D-007 273 Seite 127
Hinweis: Dies ist eine maschinenlesbare No-Flash Ansicht.
Klicken Sie hier um zur Online-Version zu gelangen.