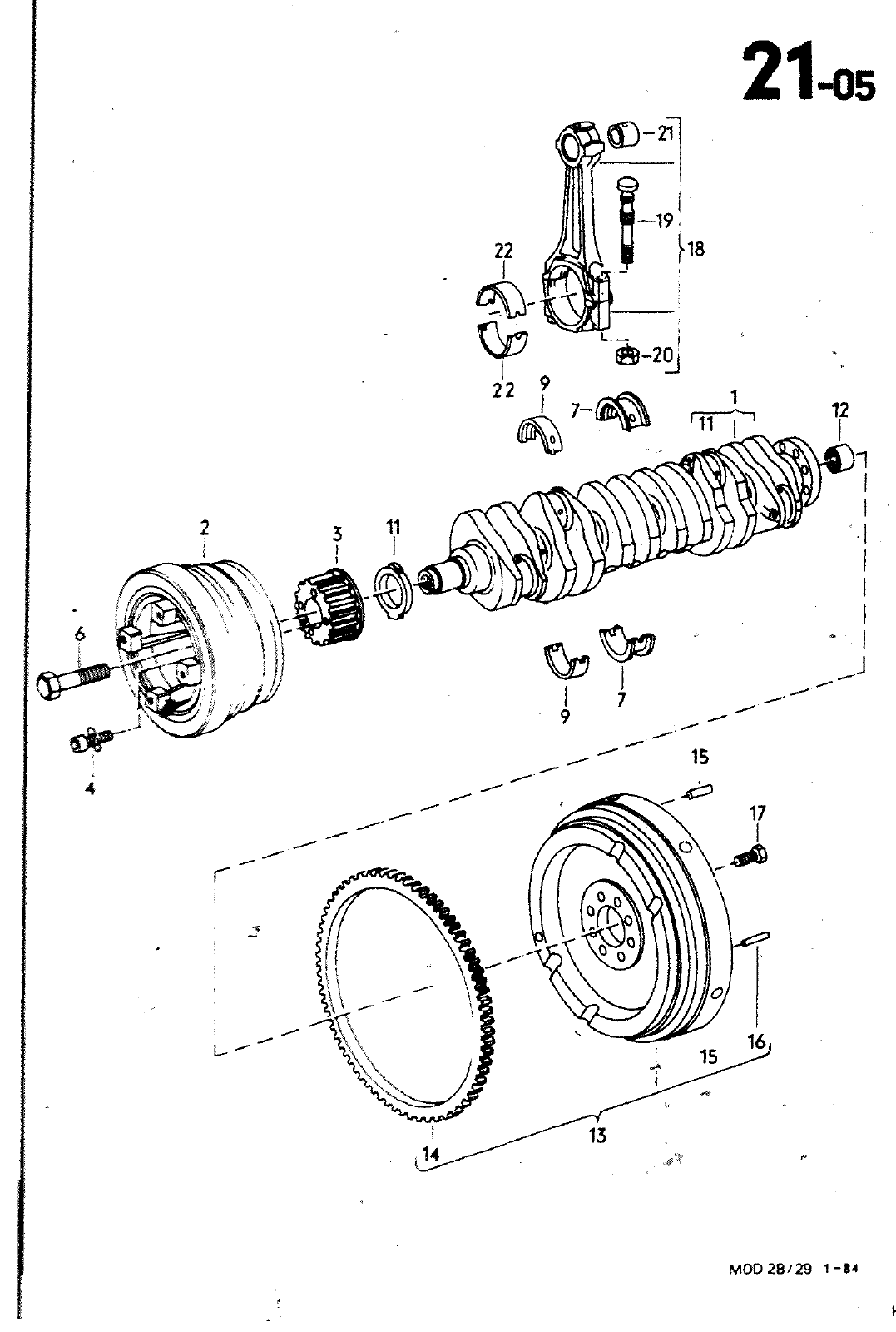
21 5 19 Ä 20 MOO 28 29 1 14 HAUPTGRUPPE MOTOR BILD ERSATZTEILE N BENENNUNG BEMERKUNG ST KENNBUCHST 171 171 171 9 191 191 91 11 12 13 14 15 16 17 18 19 1191 20 201 21 22 221 1221 072 105 021 076 105 251 069 105 263 N 090 315 1 N 012 241 11 N 010 143 2 AMV 188 000 02 035 198 431 035 198 433 035 198 435 035 198 437 035 T98 49t 035 198 493 035 198 495 035 198 497 Ot9 105 177 060 105 313 B 072 105 269 B 059 105 275 N 013 210 t N 013 205 2 N 902 061 01 075 056 068 056 oea 069 069 069 069 076 076 076 198 401 105 425 105 425 105 427 105 427 105 431 105 701 105 707 105 713 198 501 198 503 198 505 KURBELWELLE SCHWUNGRAD KEILRIEMENSCHEIBE MIT SCHWIN6UNGS0AEMPFER ZAHNRIEMENSCHEIBE y KURBELWELLE KEILRIEMENSCHEIBE MIT SCMWINGUNGSDAEMPFER ZAHWRIEMENSCHEIBE KOMBI SCHRAUBE FEOERSCHEIBE SECHSKANTSCHRAUBE DICHTUNGSPASTE 1 SATZ KURBELWELLENLAGER LAGER 4 1 SATZ KURBELWELLENLAGER LAGER 4 1 SATZ KURBEIWELLENLAGER LAGER 4 1 SATZ KURBELWELLENLAGER LAGER 4 t SATZ KURBELWELLENLAGER LAGER 1 3 5 7 1 SATZ KURBELWELLENLAGER LAGERt1 3 5 7 1 SATZ KURBELWELLENLAGER LAGER 1 3 5 7 1 SATZ KURBELWELLENLAGER LAGER 1 3 5 7 MITNEHMER NADELLAGER SCHWUNGRAD ANCÄSSZAHNKRANZ ZYLINWERSTIFT ZYLINOERSTIFT SECHSKANTSCHRAUBE LAGERUNG CP M8X25Z3 B8X15 M18X1 5X65 50 UNTERGR 0 25 UNTERGR zO SO UNTERGR 0 75 UNTERGR 0 25 UNTERGR 0 50 UNTERGR 0 75 6M6X16 4H8X28 M10X1X20 1 1 1 4 4 1 X 1 X X X 6 X X X 1 1 1 1 3 2 8 1 SATZ PlEUCLSTANGdk PLEUELSCHRAUBE PLEUELSCHRAUBE EINGEPRESST SECHSKANTMUTTER BUNOMUTTER PLEUELBUCHSE PLEUELLAGERSCMALE PLEUELLAGERSCHALE PLEUELLAGERSCHALE 1 SATZ PLEUELLAGER 1 SATZ PLEUELLAGER 1 SATZ PLEUELLAGER UNTERGR 0 25 UNTERGR 0 50 UNTERGR 0 25 UNTERGR 0 50 X 12 X 12 X 6 X X X X X X 21 05 D M 02a HAUPTGRUPPE 1 MOTOR

Vorschau Lastentransporter LT F-28-D-007 273 Seite 133
Hinweis: Dies ist eine maschinenlesbare No-Flash Ansicht.
Klicken Sie hier um zur Online-Version zu gelangen.