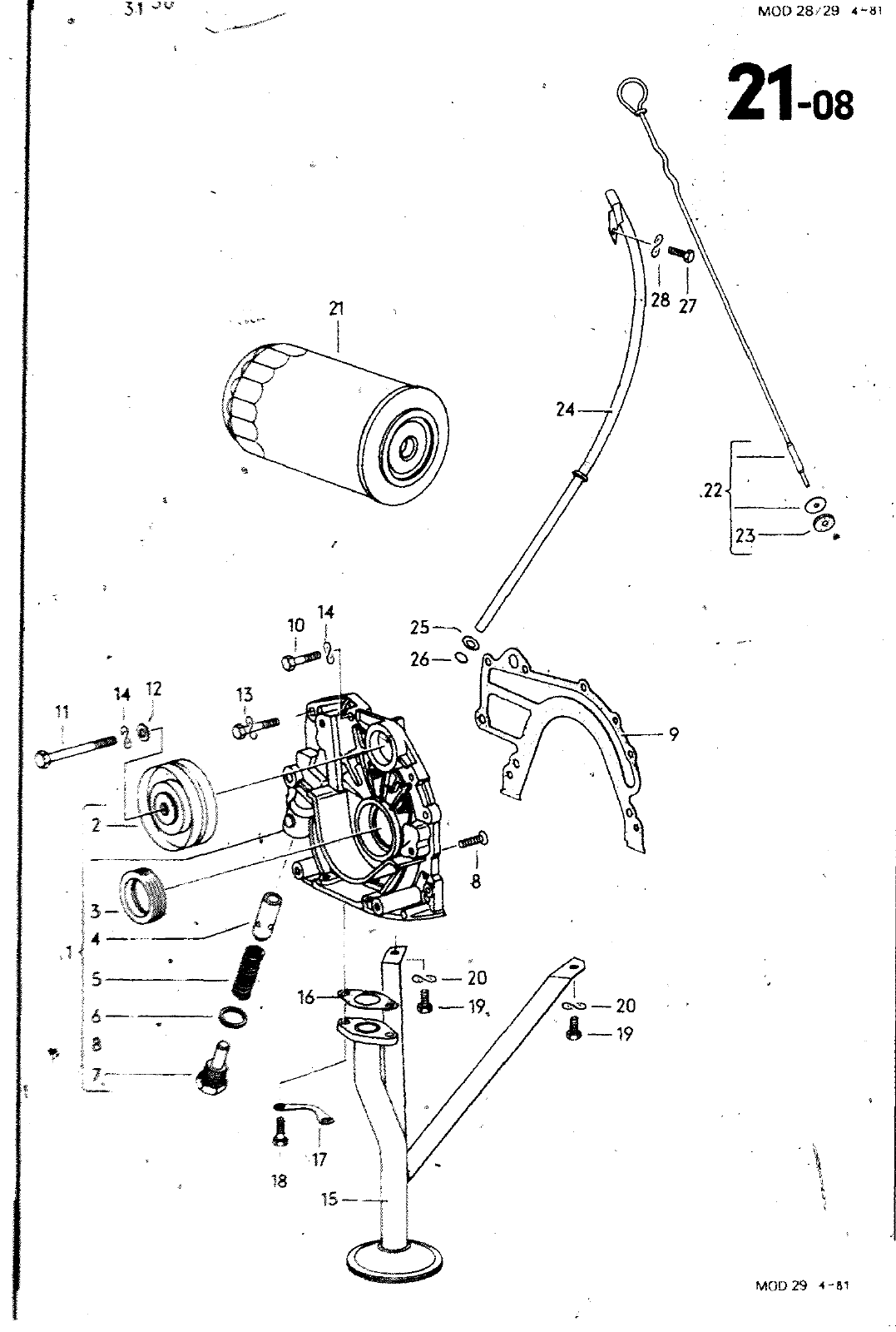
MOO 28 29 4 28 24 2 23 25 26 O o M 1 oa 20 03 20 O MOD29 4 1 HAUPTGRUPPE MOTOR BILD ERSATZTEILE NR BENENNUNG BEMERKUNG ST KENNBUCHST 2 3 4 5 6 7 8 9 10 11 12 13 14 15 16 17 18 19 20 21 22 23 24 25 26 27 28 M9H5 069 109 069 115 035 IIS 035 115 N 013 035 115 N 010 N 0 010 011 090 012 076 115 035 115 035 115 N 010 010 012 076 115 07 IIS 060 115 076 115 076 115 060 115 N 010 N 012 105 B 243 B 147 C 411 421 832 1 431 986 4 189 B 341 2 368 1 666 3 2 1 1 226 5 251 257 259 216 12 210 7 226 5 561 611 625 629 643 539 215 13 226 5 OELPUMPE OELFILTER OELMESSSTAB OCIPUMPE SPANNROLLE RADIALWELLENDICHTRING KOLBEN ORUGKFEDER OICHTRING VERSCMLUSSSCHRAUBE SENKSCHHAUK DICHTUNG SECHSKANTSCHRAUBE SECHSKANTSCHRAUBE SCHEIBE KOMBI SCHRAUBE FEDERSCHEIBE SAUGROHR DICHTUNG SICHERUNGSBLECH SECHSKANTSCHRAUBE SECHSKANTSCHRAUBE FEOERSCHEIBE OELFILTER OELMESSSTAB DICHTRING FUEHRUNGSROHR SCHEIBE DICHTRING SECHSKANTSCHRAUBE FEOERSCHEIBE AI 8X22 AM6X15 B X30 M6X62 B6 1 M6X22Z3 B6 M6X18 M6X10K B6 7 3X2 4 M6Xt5 B6 CP 21 08 D Mtoaa

Vorschau Lastentransporter LT F-28-D-007 273 Seite 141
Hinweis: Dies ist eine maschinenlesbare No-Flash Ansicht.
Klicken Sie hier um zur Online-Version zu gelangen.