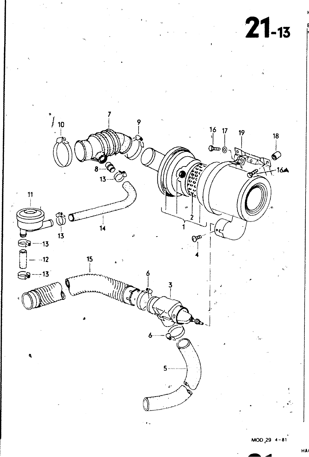
21 13 10 16A 3 13 s ege i3 s iwoo 4 i HAUPTGRUPPE t MOTOR BILO ERSATZTEILE NR I 2 3 4 5 6 7 8 1 10 11 u n 14 15 t 17 1 11 076 076 076 076 o o N 07 N 07 N N 07 N N 07 3 1 N N N 2 1 2 1 129 607 129 607 A 129 614 129 620 129 671 014 139 5 US 43 024 50 4 129 27 133 IM 0 024 50 4 Og4 51 1 129 101 M0 5W 0 4 511 125 450 125 55 C oho 21 12 010 20 5 011 53 125 50 01 53 01 3 t BENENNUNG BEMERKUNG ST KENNBUCHST LUFTFILTER OmUCKREGELVENTIL LUFTFILTER ZYKLOMLUFTFILTER VCmSCHlUSSeUEGEL FILTEREINSATZ REGLER LINSENSCWRAUBE LUFTSCMLAUCH SCHELLE LVFTSCMIAUCH ZWISCHENSTUECK StMCLUE SCHELLE 0 VCK E ELVENT L SCHLAUCH SCHELLE LUfTSCHLAUCH LUFTFUEHMUNG SECMSKAHTSCHRAUeE SECHSKANTSCHRAUBE SCHEIBE aUMMILAOER HALTER FUCR LUFTFILTER CP M X12 LC40 66 LC 50 70 LA70 90 1 X3X40 LC23 35 M X18 MtX 7 0 M 03a HAUPTORUPPE 1 MOTOR

Vorschau Lastentransporter LT F-28-D-007 273 Seite 153
Hinweis: Dies ist eine maschinenlesbare No-Flash Ansicht.
Klicken Sie hier um zur Online-Version zu gelangen.