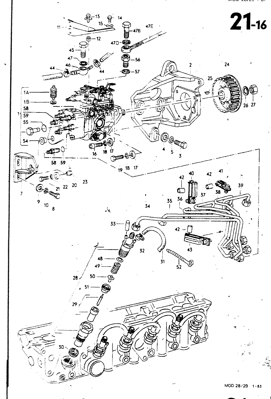
21 47B 12 470 45 j I 56 I lA C 18 26 27 9 f9T atjrr Jga r jL y3cSjL xx frD i54 dgD 41x TäL ja Ejg o rG4Sr 5 W AL V 18 17 40 42 K 6 48 49 2 so g 29 o f C4 Y v k ßLKß 16 MOD 28 29 1 83 I HAUPTGRUPPE 1 MOTOR BILD ERSATZTEILE NR BENENNUNG 1 1A 18 2 3 4 5 7 8 9 10 11 12 1 3 14 15 16 17 18 19 20 21 22 23 24 25 26 27 28 29 30 31 32 33 34 35 36 37 38 39 40 41 42 43 44 45 46 076 130 107 068 130 135 068 130 139 069 3 30 147 C N 010 275 4 N 011 527 11 N 013 230 6 069 130 131 N 010 241 199 125 012 241 130 177 311 N 076 B 15 11 052 N N N N 111 N 861 N N 068 069 N N N 068 068 068 N 109 135 090 281 010 215 012 226 044 704 129 720 012 241 010 253 827 559 010 332 012 241 130 197 130 III C 012 706 1 012 042 4 011 030 4 l Q 201 i 6 211 130 219 020 353 5 1 1 3 5 I II 6 4 11 N 900 455 01 068 130 229 072 130 301 072 130 302 072 130 303 072 130 304 072 130 305 130 306 130 421 130 431 130 441 130 541 024 509 4 072 068 06 068 072 N 068 130 157 N 900 736 01 BEMERKUNG EINSPRITZPUMPE EINSPRITZPUMPE ELEKTROMAGNETISCHER ABSTELLER DICHTRING FUER ELEKTROMAGNETISCHEN ABSTELLER KONSOLE SECHSKANTSCHRAUBE SCHEIBE FEOCRSCHEIBE HALTER SECHSKANTSCHRAUBE SCHEIBE FEOEMSCHEIBE TRAE6ERBLECH FUER 80WDENZUEGE ABSTANDSBUCHSE KOMBI SCHRAUBE SECHSKANTSCHRAUBE FEDERSCHEIBE ZYLINOERSCHRAUBE SCHEIBE FE0ERSCHEI8E SECHSKANTSCHRAUBE SCHEIBE SECHSKAßTSCHmAUB Uk FEDERSCHEIBE KEGELMUTTER ZAMNRIEMCNSCHEfBE SCHEIBENFEDEA FEOERAING SECHSKÄNTMUTTEp EINSPRITZOUESE KOMPLETT OWESE KOERPER MIT DUESENNAOEL OICHTSCHEIBE SCHLAUCH IN ROLLEN ZU 5 M BESTELLEINHEIT 5 KUERZEN AUF SCHELLE KAPPE DRUCKROHR DRUCKROHR DRUCKROWR DRUCKROHR OßVdKROHR DRUCKROHR SCHELLE SCHELLE SCHLAUCH SCHELtE SCHELLE HOHLSCHRAUBE MIT RUECKLAUFDROSSEL RINGSTUTZEN 21 16

Vorschau Lastentransporter LT F-28-D-007 273 Seite 159
Hinweis: Dies ist eine maschinenlesbare No-Flash Ansicht.
Klicken Sie hier um zur Online-Version zu gelangen.