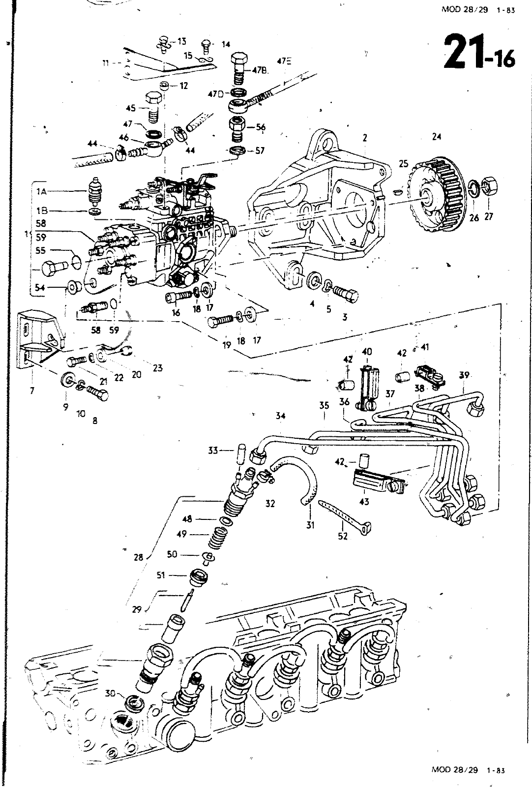
MOD 28 29 1 83 21 475 4m 470 46 o 25 18 a 26 27 59 qqiuy w 59 54 ÄO 1 17 53 59 18 17 40 42 39 37 z 0 C c O 06 Y MOO 28 29 1 47 478 470 47E I47EI I47EI 48 1481 1481 1481 1481 1481 1481 1481 1481 1481 1481 1481 1481 1481 1481 1481 1481 1481 1481 1481 49 50 51 52 54 55 56 57 58 59 N 013 812 2 068 130 157 N 013 812 2 076 130 309 281 130 309 281 130 309 8 068 130 068 130 Qt 130 068 130 068 130 068 130 068 130 068 130 068 130 WW1M WIM 068 130 M8 1M 068 130 068 130 MaiK 068 130 M8I30 8IW PWIM WIM M8 1W N 020 068 130 N 431 N 013 209 013 068 130 068 130 251 25t 253 254 255 256 257 258 259 260 261 262 263 264 265 266 267 268 269 270 271 273 275 502 1 199 807 1 197 812 2 795 787 DICHTRING HOHLSCWRAUBE MIT RUECKLAUFOROSSEL DICHTRING KRAFTSTOFFROHR KRAFTSTOFFROHR FUER FAHRZEUGE MIT WASSERVORABSCWEIOER KRAFTSTOFFROHR FUER FAHRZEUGE MIT WASSERVORAOSCWEIDER EINSTELLSCHEIBE EINSTELLSCHEIBE EINSTELLSCHCIBE EINSTELLSCWEI8E EINSTELLSCHEIBE EINSTELLSCHCIBE EINSTELLSCHEIBE EINSTELLSCHEIBE EINSTELLSCHCIBE EINSTELLSCHEIBE EINSTELLSCHEIBE EINSTELLSCHCIBE EINSTELLSCHEIBE EINSTELLSCHCIBE EINSTELLSCHCIBE EINSTELLSCHEIBE EINSTELLSCHEIBE EINSTELLSCHEIBE EINSTELLSCHEIBE EINSTELLSCHEIBE DUCSENFEDER DRUCKBOLZEN OUESENHALTEREINSATZ KABELBINDER BUCHSE ßlCHTRING ZWISCHENSTUEOK DICHTRING ANSCHLUSSSTUTZEN OlCHTRING A12X 12X15 300 MM 1 0 MM xwm 1 10 MM 1 15 MM I 20 MM 1 30 MM I 35 MM 1 40 MM 1 45 MM 1 50 MM 1 55 MM 1 60 MM 1 65 MM 1 70 MM r 5MM 1 80 MM L 5MM 1 90 MM 1 95 MM 6 5X210 8X11 5 A12X15 5 X X X X X X X X X X X X X X X T X X X 6 6 6 X 1 1 1 t 6 6 21 16 0 11 043

Vorschau Lastentransporter LT F-28-D-007 273 Seite 161
Hinweis: Dies ist eine maschinenlesbare No-Flash Ansicht.
Klicken Sie hier um zur Online-Version zu gelangen.