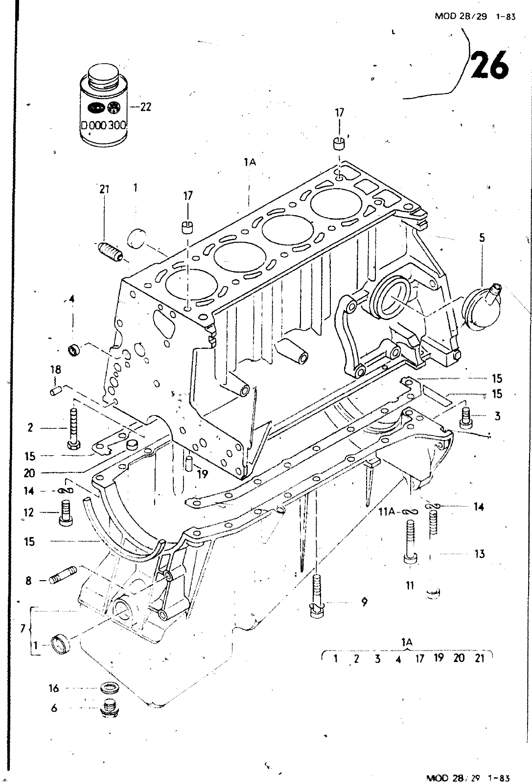
NKX 28 29 1 a3 22 D000300 8 21 1 8 5 g c X 4 B X IC 20 19 M IIA co M 1A 16 rT Y 3 4 iri 20 VKX 28 29 1 83 HAUPTGRUPPE 1 MOtpn BILD ERSATZTEILE NR BENENNUNG 1 2 3 4 5 6 16 9 11 II 12 13 1131 M 15 16 17 I IS 20 1201 21 22 O O 103 101 OGS 103 113 N 010 4 0 N 014 724 N Oll 903 03 103 129 059 103 193 021 103 059 O O 103 tot 014 42 9 090 1B 1 014 722 2 012 22 5 014 72 3 014 72 1 044 724 2 012 241 11 O O 19 041 N W3IM0I 04 10 139 N 043 207 2 N 013 214 I N 01I 903 3 N Oll 907 4 059 115 721 0 000 300 040 191 01I BEMERKUNG ZYLINOERBLOCK OELWANNE ZYLINQCR8L0CK MIT KOLBEN MITVERWENOEN F m 28t 2510 159 VEASCHLUSSOECKEL ßECWSKAMTSCWRAUBE wLlNOEmSCH U E vkmgßWLUSSDECKEL ENTIUEFTEN VEmSCHLUSSSCH U8E F 2 2512 552 OCLAIlASSSCHMAueE MWaWETISCM F 2 2312 553 OCLWANNE STIFTSCHMAUK KOM l CHm U E ECH K NT CHmAU E F C CMCI E fUWB SCW UBE ZYLINOE CWmAU E ZYLINCg CW U E FEO SCHEI0E I SATZ OICHTUNGEN FUEN OtLNANME OICMTNI fAtMyCLK kYLINO TlFT ZYLINOEMSTIFT V CMlU 0 CKEL F 2 7 2517 42 VEMCHLiaWCCKfL 217 2517 427 SCHm U STUTZEN EWAEUSEDICHTUWaSMASSE DICWTUMeSSATZ FUEM ZYLINOERBLOCK f ST KENNBUCHST CH CL CH 046 105 021 046 105 501 046 105 561 046 105 36 m M12X85 ülpxao 16 MM 24X1 5 AM8AX48 M6X1 M X60 Bt M0X3O M X140 M8X70 B X15 C24X32 BH8X14 8H6X18 16 MM 14 MM 5 10 2 2 1 1 1 1 13 2 2 2 1 1 4 X 1 2 2 10 26 D 11 04

Vorschau Lastentransporter LT F-28-D-007 273 Seite 171
Hinweis: Dies ist eine maschinenlesbare No-Flash Ansicht.
Klicken Sie hier um zur Online-Version zu gelangen.