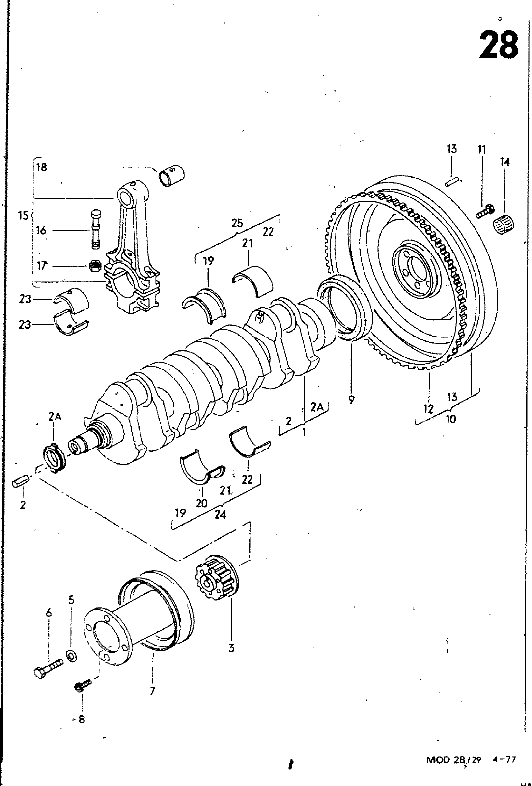
25 I 2t 19 J 24 3 23 123 231 23 123 23 1231 24 25 124 25 1241 25 24 25 046 059 046 059 046 059 046 059 059 046 059 046 059 046 059 046 046 059 046 059 046 059 046 059 105 701 105 701 105 707 105 707 105 713 105 713 105 719 105 719 198 451 198 451 198 453 198 453 198 455 198 455 198 457 198 457 198 501 A 198 501 198 503 A 198 503 198 505 A 198 505 198 507 A 198 507 PLEUELLAGERSCHALE F 287 2525 483 PLEUELLAGERSCHALE F 287 2525 482 PLEUELLAGERSCHALE F 287 2525 483 PLEUELLAGERSCHALE F 287 2525 482 PLEUELLAGERSCHALE F 287 2525 483 PLEUCLLAGERSCHALE F 287 2525 482 PLEUELLAGERSCHALE F 287 2525 483 PLEUELLAGERSCHALE F 287 2525 482 IsSATZ KURBELWELLENLAGER F 286 2511 1 560 560 560 560 SATZ KURBELWELLENLAGER F 286 2511 561 1 SATZ KURBEtWE LENLAGER F 286 2511 1 SATZ KURBELWELLENLAGER F 286 2511 561 1 SATZ KURBELWELLENLAGER F 286 2511 1 SATZ KURBELWELLENLAGER F 286 2511 561 1 SATZ KURBELWELLENLAGER F m6 25M 1 SATZ KURBELWELLENLAGER F 286 2511 561 1 SATZ PLEUELLAGER 287 2525 483 1 SATZ PLEUELLAGER 287 2525 482 1 SATZ PLEUELLAGER 287 2525 483 1 SATZ PLEUELLAGER 287 2525 482 1 SATZ PLEUELLAGER 287 2525 483 1 SATZ PLEUELLAGER 287 2525 482 1 SATZ PLEUELLAGER SATZ PLEUELLAGER 287 2525 482 UNTERGR UNTERGR UNTERGR UNTERGR UNTERGR UNTERGR UNTERGR UNTERGR UNTERGR UNTERGR UNTERGR UNTERGR UNTERGR UNTERGR UNTERGR UNTERGR UNTERGR UNTERGR 0 25 0 25 0 50 0 50 0 75 0 75i 0 25 0 25 0 50 0 50 0 75 0 75 0 25 0 25 0 50 0 50 0 75 0 75 8 8 X X X X X X 1 1 X X X X X X X X X X X X X 28 D 11 0521

Vorschau Lastentransporter LT F-28-D-007 273 Seite 181
Hinweis: Dies ist eine maschinenlesbare No-Flash Ansicht.
Klicken Sie hier um zur Online-Version zu gelangen.