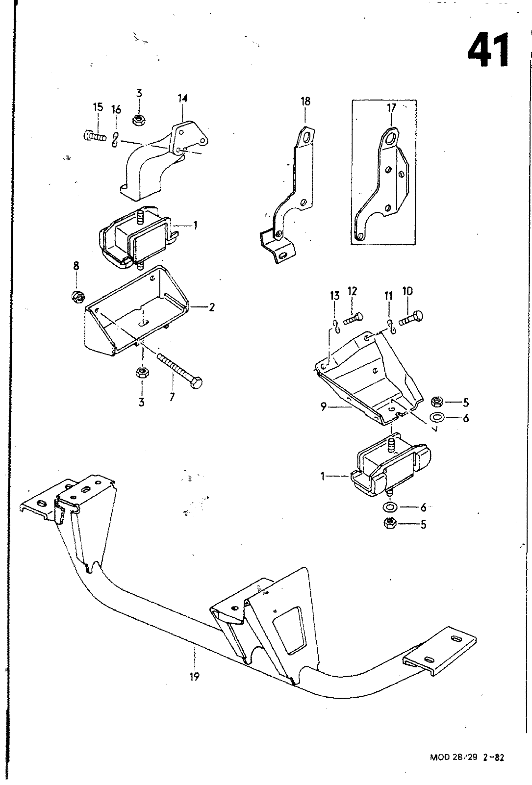
41 17 W M er 6 HAUPTGRUPPE 1 MOTOR BILD ERSATZTEILE NR BENENNUNG 1 2 3 5 6 7 8 9 10 11 12 1 3 14 15 16 1171 17 18 19 BEMERKUNG ST KENNBUCHST 281 199 281 199 N 011 N 011 211 707 N 010 N 022 060 199 N dio N OU N 010 N 012 O Ö 199 N 014 N 012 060 199 201 294 185 185 163 375 146 307 251 231 2M11 1241 308 721 231 343 060 199 343 A 060 199 341 291 199 203 A BEFESTIGUNGSTEILE FUER MOTOR GUMMIMETALL LAGER KONSOLE RECHTS SECHSKANTMUTTER SELBSTSICHERND SECHSKANTMUTTER SELBSTSICHERND DISTANZSCHEIBE SeCHSKANTSCHRAUGE SECHSKANTMUTTER SELBSTSICHERND STUETZE LINKS SECHSKANTSCHRAUBE FEDERSCMEIBE SECHSKANTSCHRAUBE FEDERSCHEIBE STUETZE RECHTS ZYiiNocmscHmAueE FEOtmSCHEIBE HALTER FUER MOTORTRANSPORT F 28A 0000 001 HALTER FUER MBTORTRANSPORT F 288 2500 001 289 2600 000 HALTER FUER MOTORTRANSPORT F 28A 0000 001 MOTORTRAEOER MIO MIO M8X75 VM8 M10X18 A10 M8X18 88X15 M10X25 A10 CH CL CL M512 0 11 079

Vorschau Lastentransporter LT F-28-D-007 273 Seite 227
Hinweis: Dies ist eine maschinenlesbare No-Flash Ansicht.
Klicken Sie hier um zur Online-Version zu gelangen.