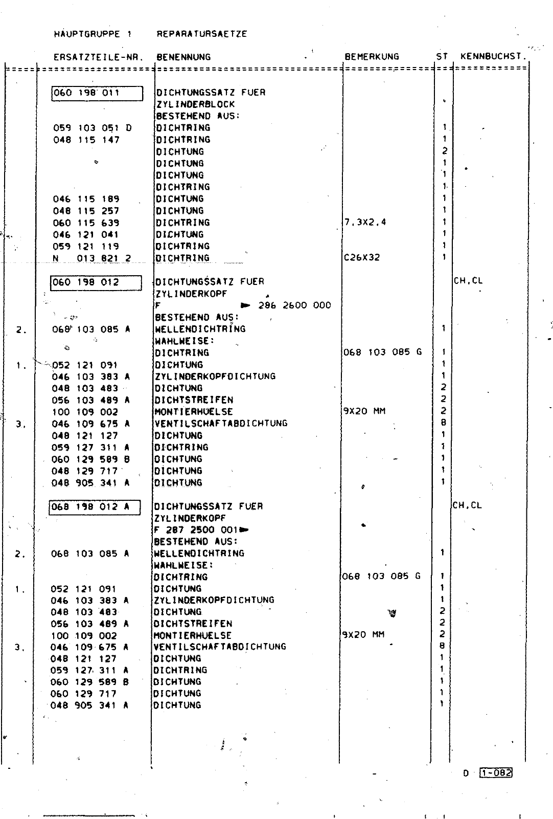
HAUPTGRUPPE 1 ERSATZTEILE NR REPARATURSAETZE BENENNUNG BEMERKUNG ST KEHNBUCHST 060 198 011 059 103 051 D 048 115 147 046 115 189 048 115 257 060 115 39 046 121 041 059 1 21 119 N 0 13 821 2 060 198 012 O y 103 085 A 452 121 046 103 048 103 0 6 103 100 T09 046 109 048 121 069 127 060 129 048 129 048 905 091 383 A 483 89 A 002 675 127 311 A 589 e 717 341 A 068 198 012 A 068 103 085 A 052 121 046 103 048 103 056 103 100 109 046 109 048 121 0 9 127 060 129 060 129 048 905 091 383 483 489 A 002 675 127 311 A 589 B 717 341 A DICHTUNGSSATZ FUER ZYLINOERBLOCK BESTEHEND AUS DICHTRING DICHTRING DICHTUNG DICHTUNG DICHTUNG DICHTRING DICHTUNG DICHTUNG DICHTRING DICHTUNG DICHTRING OlCHTmiNO DICHTUNGSSATZ FUER ZYLINDERKOPF F 286 2600 000 8ESTEHEN0 Aug WELLENDICHTRING WAHLWEISE DICHTRING DICHTUNG ZYlINOEBKOPfOICHTUNG DICHTUNG DICHTSTREIFEN MONTIERWOELSE VENTILSCHAFTABDICHTUNG DICHTUNG OfCHTRING DICHTUNG OiCHTUNB DICHTVW9 0ICHTUN8SSATZ FUER ZYLINDERKOPF 287 2500 001 BESTEHEND AUS WELLENDICHTRING WAHLWEISE DICHTRING DICHTUNG ZYLINQERKOPFDICHTUNG OICHTUNO OlCHTSTREIFEN MONTIENWUCLSE VENTILSCHAFTABOICHTUNG DICHTUNG DICHTRING DICHTUNG DICHTUNG DICHTUNG 7 3X2 4 C26X32 068 103 085 G 9X20 MM 068 103 085 G 9X20 MM CH CL CH CL 0 li oea

Vorschau Lastentransporter LT F-28-D-007 273 Seite 242
Hinweis: Dies ist eine maschinenlesbare No-Flash Ansicht.
Klicken Sie hier um zur Online-Version zu gelangen.