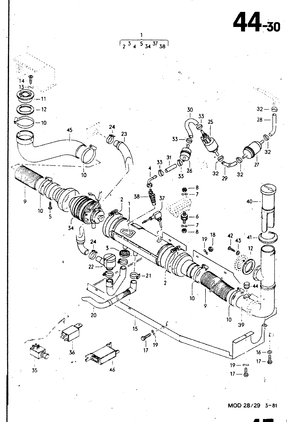
44 30 2 4 5 34 37 I 32 I 33 I 25 33 a 1 i r 26 J 32 32 e 7 38 37 8 18 42 41 43 24 t 12 I 3 S j i 2i co 43 44 45 46 N 011 651 1 4j1 261 293 281 261 969 281 963 135 211 963 239 SCHEIBE VERSCHLUSSSTOPFEN KRUEMMER STEUERGERAET F0ER HEIZUNG UE8ERHITZUNGSSCHALTER 44 30 D ß orn MOD 28 29 3 81 HAUPTGRUPPE 2 KRAFTST0FF8EHAELTER UNO ROHRE ABGASANLAGE HEIZUNG

Vorschau Lastentransporter LT F-28-D-007 273 Seite 283
Hinweis: Dies ist eine maschinenlesbare No-Flash Ansicht.
Klicken Sie hier um zur Online-Version zu gelangen.