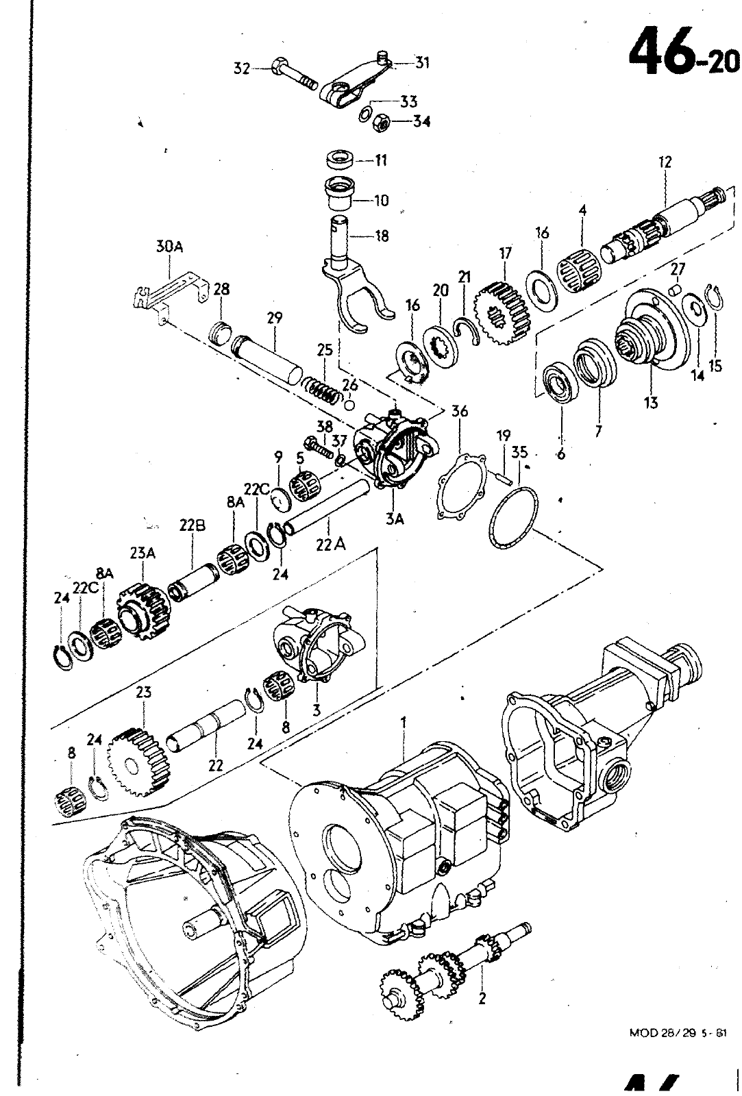
33 34 21 30A 7 128 20 13 1 29 25 26 36 38 35 4 9 5 1 3A 22B 23A ggS Sgrf BAI 24 24 24 7 A 20 1201 120 1201 HAUPTGAUPPE 3 GETRIEBE wZC BILD ERSATZTEILE NR BENENNUNG BEMERKUNG ST KENNBUCHST 008 301 103 A 008 311 421 A 015 311 421 B 015 301 803 015 301 B03 015 301 803 B 015 301 807 015 301 808 020 311 113 015 301 817 015 301 804 015 301 809 015 311 848 N 011 602 1 001 301 209 001 301 227 015 311 803 015 311 807 015 311 337 N 023 640 I 015 301 821 008 311 815 015 3t1 815 015 311 631 A N aM2 015 311 817 015 311 817 Ä 015 311 817 B 015 311 817 C GETRIEBEGEHAEUSE NEBENABTRIÖB GETRIEBEGEHAEUSE VORGELEGE VORGELEGE GEHAEUSE FUER NEBENABTRIEB G 30 11 0 GEHAEUSE FUER VERSTAERKTEN NEBENABTRIEB 30 11 1 MERKBLATT 01 12 0 BEACHTE TECHN GEHAEUSE FUER VERSTAERKTEN NEBENABTRISB G 01 12 1 NADELLAGER NADELLAGER DICHTRING SCHUTZKAPPE NADELLAGER 0 30 11 0 NADELLAGER FUER VERSTAERKTEN NEBENABTRIEB G 01 12 0 30 11 1 BEACHTE TECHN MERKBLATT NADELLAGER FUER VERSTAERKTEN NEBENABTRIEB G 01 12 1 VERSCHLUSSSCHEIBE BUCHSE OlCHTRING A8TRIEBSWELLE FLANSCH TELLERFEDER SICHERUNGSRING ANLAUFSCHEIBE ABTRIEBSRAD ABTRIEBSRAD SCHALTSTANGE MIT SCHALTGABEL FUER VERSTAERKTEN NEBENABTRIEB ZYLINDkRSTIFT STUETZSCMEigE STUCTZSCMEIBE STUETZSCHEIBE STUETZSCHEIBE 4 5 GANG 5 GANG SCHALTGETRIEBE 4 GANG SCHALTGETRIEBE 5 6 10 81 5 6 10 81 28 A16X1 2 5 GANG SCHALTGETRIEBE 4 GANG SCHALTGETRIEBE 4H8X36 2 9 MM 3 0 MM 3 1 MM 3 2 MM 46 20 CS LC LE SA SH LR CS LC LE LR SA SH I CS LC LE LR SA SH 1 1 1 CS LC LE SA SH LR CS LC LE LR SA SH CS LC LE LR SA SH CS LC LE LR SA SH D 13 OOa MOD28 28 5 81 j 1201 015 311 817 D jSTUETZSCHEIBE 3 3 MM

Vorschau Lastentransporter LT F-28-D-007 273 Seite 303
Hinweis: Dies ist eine maschinenlesbare No-Flash Ansicht.
Klicken Sie hier um zur Online-Version zu gelangen.