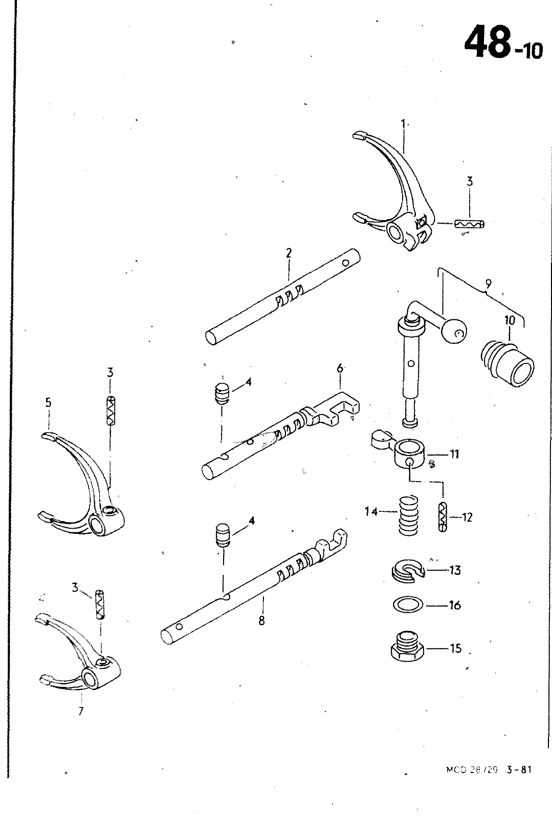
48 10 0 0 K3 3 15 HAUPTGRUPPE 3 GETRIEBE BIUP ERSATZTEILE NR BENENNUNG BEMERKUNG ST KENNBUCHST 3 4 5 6 7 8 9 10 11 12 13 14 15 16 OOS 311 552 008 31I 558 015 311 595 015 311 29 015 311 551 015 311 557 015 311 561 015 311 567 008 311 541 A 281 711 184 A 015 311 545 015 311 546 008 311 547 008 311 548 A 008 311 554 008 311 556 SCHALTGABEL SCHALTSTANGE SCHALTFINGER SCHALTGABEL SCHALTSTANGE SPANMHUELSE SPERRSTUECK SCHALTGABEL SCHALTSTANGE SCHALTGABEL SCHALTSTANGE SCHALTHEBEL INNEN MIT SCHUTZKAPPE BEACHTE TECHN MERKBLATT SCHUTZKAPPE SCHALTFINGER SPANNHUELSE SCHEIBE DRUCKFEDER VERSCHLUSSSCHRAUGE DICHTRING 5 GANG SCHALTGETRIEBE 1 UND RUECK WAERTSGANG 1 UNO RUECK WAERTSGANG 7X30 2 3 2 3 GANG GANG 4 5 GANG 4 5 GANG 4 2 1980 7X25 MCD 38 29 3 81 48 10 D 13 01

Vorschau Lastentransporter LT F-28-D-007 273 Seite 321
Hinweis: Dies ist eine maschinenlesbare No-Flash Ansicht.
Klicken Sie hier um zur Online-Version zu gelangen.