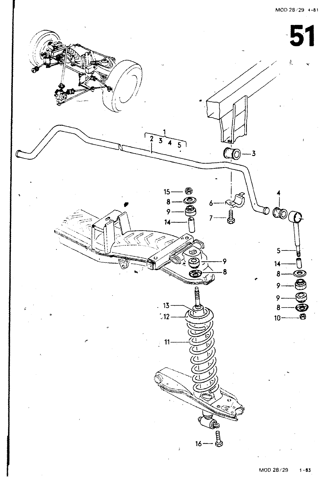
MOO 28 29 1 ac f 3 15 8 Ä 14 n 8 0 8 W 12 e 16 MOO 28 29 1 83 HAUPTGRUPPE VORDERACHSE LENKUNG 8ULD ERSATZTEILE NR BENENNUNG BEMERKUNG IST DELL SCHRAUBENFEDER STOSSOAEMPFER STABILISATOR VORN FUER VORDERACHSE MIT SCHRAUGENFEDER 1 2 3 4 5 6 7 8 9 10 11 11 12 1 3 13 14 15 16 281 281 281 281 281 281 N 411 411 N 281 4 75 281 4 7S 281 281 91 N N 411 023 411 025 A 411 041 411 045 411 051 411 0 3 010 239 11 513 131 513 121 011 010 11 411 1MB nww W2 411 105 F 11 82 952 411 2U A 413 031 B 413 031 B 419 439 011 011 5 010 241 15 STABILISATOR VORN KOMPLETT STABILISATOR VORN OUMMILÄOEM GUMMILAGER STUETZE SCHELLE SECHSKANTSCHRAUBE TELLER FUER DAEMPFUNGSRIÜG DAEMPFUNGSRINQ SECHSKANTMUTTER SCHNAUeCNFEDEM 2 FARBSTRICHE SCH AU CNFEDER VERSTAERKT 2 FARBSTRICHE UNTENLAQE STOSSOAEMPFER STOSSOAEMPFER F 2W 2514 173 ABSTANOSHUCLSE SECHSKANTMUTTER SECHSKANTSCHRAUBE M8X18 MIO GELB BLAU KRANKENWAGEN 0 M8X22 0 14 OOW

Vorschau Lastentransporter LT F-28-D-007 273 Seite 333
Hinweis: Dies ist eine maschinenlesbare No-Flash Ansicht.
Klicken Sie hier um zur Online-Version zu gelangen.