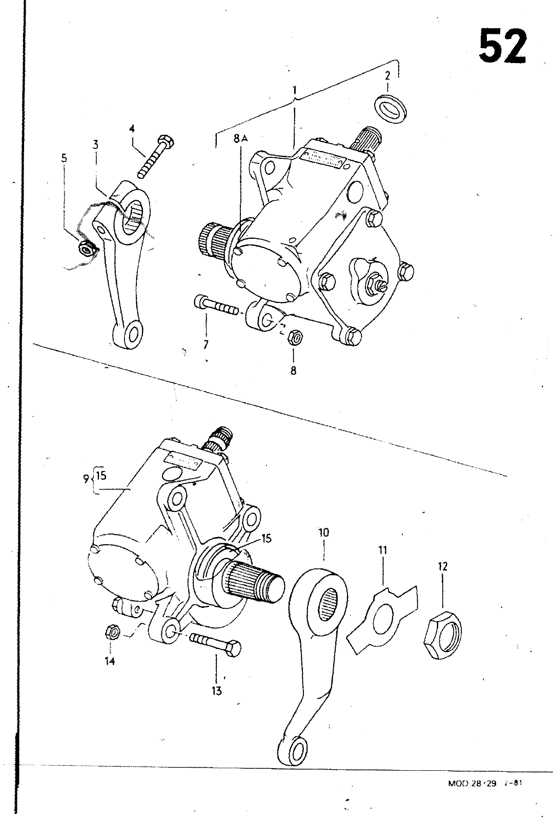
0 0 52 W0D28 29 2 11 HAUPTGRUPPE 4 VORDERACHSE LENKUNG BILD ERSATZTEILE NR BENENNUNG BEMERKUNG ST MODELL 1 11 2 3 4 5 7 8 8A 9 19 10 110 110 110t 11 12 13 1 1 281 415 049 B 282 415 049 211 415 109 281 415 371 N 010 165 2 N 022 141 4 N 011 021 2 281 415 273 291 415 049 292 415 049 291 415 371 291 415 371 29t 415 371 B 291 415 371 8 291 415 385 N 011 154 1 N 011 021 2 291 415 273 LLKG RLKG LENKGETRIEBE LENKSTOCKHEBEL LENKGETRIEBE OHNE LENKSTOCKHEBEL LENKGETRIEBE OHNE LENKSTOCKHEBEL DICHTKAPPE FUER LENKSPINDEL LENKSTOCKHEBEL SECHSKANTSCHRAUBE SECHSKANTMUTTER SELBSTSICHERND NICHT MEHR LIEFERBAR ZYLINOERSCHRAUBE SECHSKANTMUTTER DICHTRING LENKGETRIEBE LENKSTOCKHEBEL LENKGET fE8E OHNE LENKSTOCKHEBCL LENKGETRIEBE OHNE LENKSTOCKHEBEL LENKSTOCKHEBEL 287 L0ja 540 LENKSTOCKWEBEL F LENKSTOCKHEBCL F 28 B 018 541 LENKSTOCKWCKEL F 28 8 091 163 SICH mUN LECM SECHSKANTMUTTER NICHT MEHR LIEFERBAR SECHSKANTSCHRAUBE SECHSKANTMUTTER DICHTRING 28 B 091 162 MI2X1 5X65 VMI2X1 5 M14X1 5X58 MI 4X1 5 32X42X7 LLKG RLKG LLKG RLKG LLKG RLKG M 30X1 5 M14X1 5X45 M14X1 5 M512 52 0 14 00 HAUPTGRUPPE 4 VORDERACHSE LENKUNG

Vorschau Lastentransporter LT F-28-D-007 273 Seite 337
Hinweis: Dies ist eine maschinenlesbare No-Flash Ansicht.
Klicken Sie hier um zur Online-Version zu gelangen.