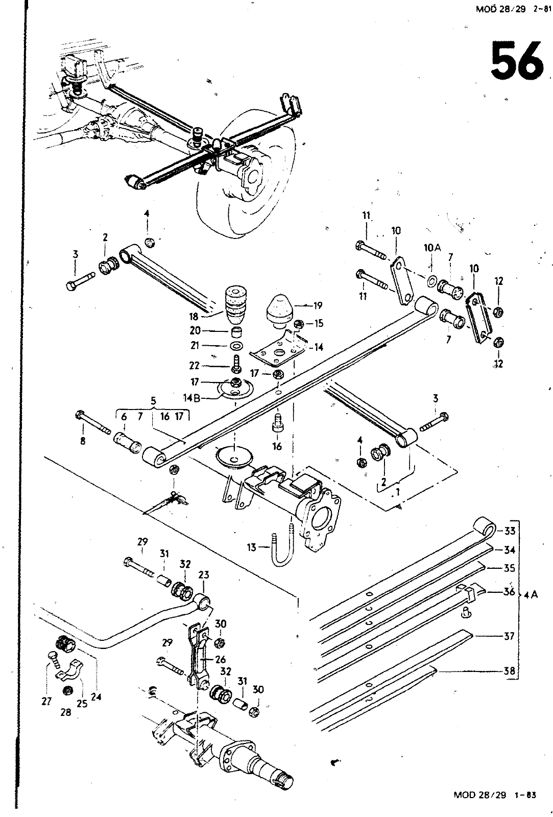
MOO 28 28 2 11 56 HAUPTGRUPPE HINTERACHSE 10A ZI 17 zm 6 7 IM Ml w 32 35 Q 36 38 27 2S OJ BILD 1 2 3 4 4A 45 5 6 6 71 8 8 9 10 10 10A 11 III 12 f2 13 13 113 13 1 14 14 148 148 15 15 ERSATZTEILE NR BENENNUNG 281 505 173 281 505 181 N 010 185 6 N 011 020 4 281 511 151 B 281 511 151 D 29 5 1 151 291 511 151 D 28 11 171 2 5U 171 C 2qp 511 181 291 511 181 1 N OttU OO 2 N 040 161 1 N 291 022 150 1 599 195 291 599 195 281 07 089 010 167 040 16t CG2 141 011 021 N N N N 281 599 173 281 599 173 291 599 173 291 599 173 281 599 175 291 599 175 291 599 175 291 501 125 291 50t 125 N 022 141 H 011 021 BEMERKUNG FEDERUNG HINTEN STABILISATOR DIAGONALSTREBE DIAGONALSTREBE GUMMIMETALL LAGER SECHSKANTSCHRAUBE SECHSKANTMUTTER BLATTFEDER BLATTFEDER MITVERWENOEN 286 2504 036 28 8 003 542 BEACHTE TECHN MERKBLATT BLATTFEDER BLATTFEDER GUMMIMETALL LAGER VORN F 286 2504 035 GUMMIMETALL LAGER VORN F 286 2504 036 GUMMIMETALL LAGER HINTEN UNTEN F 286 2504 035 OBEN F 286 2504 036 GUMMIMETALL LAGER HINTEN UNTEN F 286 2504 036 0 EN UNTEN F 2 250 03 SECHSKANTSCHRAUBE 28 B 000 001 SECHSKANTSCHRAUBE 28A 0033 976 2 000 001 SECHSKANTMUTTER SELBSTSICHERND FEDERLASCHE F OCNL CHC CHC C SECHSKANTSCHRAUBE SECHSKANTSCHRAUBE SECHSKANTMUTTER SELBSTSICHERND SECHSKANTMUTTER FEOeR UE EL FUER VERSTAERKTE BLATTFEDER EO Ue CL FEOCRBUEGEL FEOEfmUEGEL FEDERSPANNPLATTE FEOCRSPANNPLATTE FEDERSPANNPLATTE FEDERTELLER FEDERTELLER SECHSKANTMUTTER SELBSTSICHENNO SECHSKANTMUTTER M12X1 5X80 M12X1 5 6 BLATT VERSTAERKT 3 BLATT 281 599 173 C 2 BIATT 4 BLATT M14 l 5X100 M14X1 5X110 VM14X1 5 M12XI 5X105 M14XI 5XI10 VM12XI 5 M14X1 5 161 5 MM 133 MM 146 MM 180 MM WM12X1 5 MI 4X1 5 ST MODELL 2B1 2 6 281 286 281 286 281 286 2B1 286 281 286 291 296 M512 283 285 283 285 281 286 281 286 291 296 281 286 291 296 M5I2 M512 M512 M512 281 286 2 1 286 291 296 M512 281 286 291 296 M512 291 296 M512 M512 56 0 15 0031 MOO 28 29 1 3

Vorschau Lastentransporter LT F-28-D-007 273 Seite 355
Hinweis: Dies ist eine maschinenlesbare No-Flash Ansicht.
Klicken Sie hier um zur Online-Version zu gelangen.