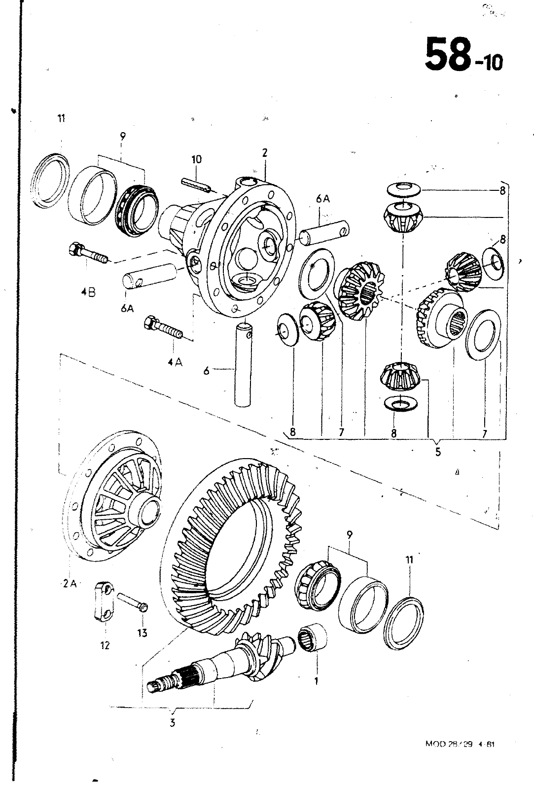
58 10 6A o 4B 6A 4A MnO 78 29 4 81 HAUPTGRUPPE 5 HINTERACHSE BILD ERSATZTEJLE NR BENENNUNG BEMERKUNG ST MODELL 2A 3 I 3 13 4 4B 5 16 16 1 6 291 525 039 291 525 121 291 525 135 291 525 1 3 291 525 1 3 291 525 1 3 B N 900 518 01 N 900 519 01 291 598 081 281 525 177 281 525 177 291 525 177 291 525 177 A 281 525 183 281 525 189 281 598 073 t I 281 281 281 281 281 281 281 281 281 281 281 281 281 281 281 281 281 291 517 181 525 231 KM2M 525 233 525 23 535 235 525 23 525 237 525 238 525 239 525 2 0 525 2 1 525 2 2 525 2 3 525 2 525 2 5 525 2 6 525 2 7 525 423 525 25 AUSGLEICHGETRIEBE NADELLAGER HIERFUER WIRD WAHLWEISE GELIEFERT GEHAEUSE FUER AUGGLEICHGETRIEBE DECKEL TRIEBIING UNO TELLERRAD TRIEBLIN UNO TELLERRAD TRIEBLING UNO TELLERRAD K0M CH AUBE KOMBI SCHRAUeE mEPARATUmSATZ FUER AUSGLEICWGETRIEBE BEACHTE TECHN MERKBLATT AUSGLEICHKEGELRADACHSE MIT SPIRALNUT F 28 8 007 002 AUSGLEICHKEGELRADACHSE OHNE SPIRALNUT F 28 8 007 003 AUSGLEICHKEGELRADACHSE MIT SPIRALNUT F 28 8 007 002 AUSGLEICHKEGELRADACHSE OHNE SPIRAlNUT F 2 Te 007 003 Nl UF CMEI C US LEICH CHEIK 1 SATZ KEGELROLLENLAGER FUCN AUamLEICHBETRlEBE SPfWNWUClSE EINSTELLSCHEIBE EINSTELLSCHEIBE EINSTELLSCHEIBE EINSTELLSCHEIBE EINSTELLSCHEIBE EINSTELLSCHEIBE EINSTELLSCHEIBE EINSTELLSCHEIBE EINSTELLSCHEIBE EINSTELLSCHEIBE EINSTELLSCHEIBE EINSTELLSCHEIBE EINSTELLSCHEIBE EINSTELLSCHEIBE EINSTELLSCHEIBE EINSTELLSCHEIBE EINSTELLSCHEIBE GLEITSTEIN FUEWRUNGSBOLZEN 291 525 059 A 291 525 029 B 39 8 3 8 1 7 3 8 39 8 1 7 M12XIX 0 M12X1X65 5 10 81 150 MM 150 MM 79 MM 79 MM 80 3 1 3 95 00 05 10 15 20 4 25 30 4 35 0 5 50 55 4 60 M5I2 58 10 D 15 0071

Vorschau Lastentransporter LT F-28-D-007 273 Seite 363
Hinweis: Dies ist eine maschinenlesbare No-Flash Ansicht.
Klicken Sie hier um zur Online-Version zu gelangen.