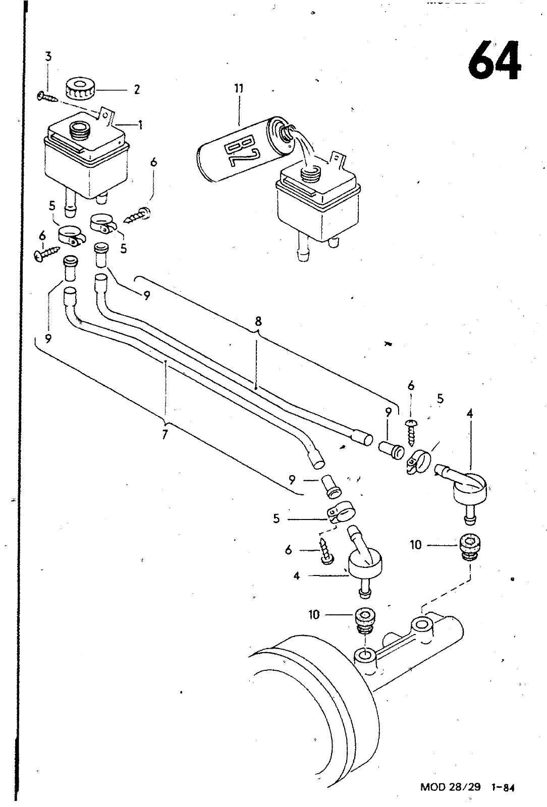
g 5 10 o 64 MOD 28 29 1 84 HAUPTGRUPPE 6 RAEOER BREMSEN BILD ERSATZTEILE NR BENENNUNG K BEMERKUNG ST MODELL 1 2 3 4 5 6 7 171 171 171 181 181 181 9 10 Ittl 1111 1111 281 61I 309 281 611 349 A N 013 957 5 281 611 313 A 211 611 403 N CW3 940 1 281 611 803 281 611 282 611 282 611 281 611 281 611 282 611 282 611 211 611 211 611 B 000 B 000 B 000 803 C 803 803 B 804 804 C 804 804 e 833 C 817 A 600 0 600 10 600 15 AUSGLEICHBEHAELTER NACHLAUFROHR NACHFUELLBEHAELTER SCHAAUpvEmSCHLUSS LINSENBLECHSCHRAUBE AUSGLEICHBEHAELTER SCHCLUE LINSENBLECHSCHRAUBE NACHLAU ROHR F 28A 0005 294 NACHLAUFROHR F 28A 0005 295 NACHLAUrmOH F 28A 0005 294 NACHIAUFMOHM F 28 oooa 295 NACHLAUFROHR F 28A 0005 294 NACHLAUFROHR F iw 0009 295 NACHLAUFROHR F 28A 0005 294 NACMLAUFROHR F 28 0005 2 W TUELLE DICHTUNGSSTOPFEN IWEMSFLUESSIOKEIT BNEMSFLUESSIBKEIT BREMSFLUESSIGKEIT LLKG 5X9 5 B3 9X25 LLKG LLKG RLKG RLKG LLKG LLKG RLKG RLKG 0 25 LITER t LITER 5 LITER 64 D 16 0071

Vorschau Lastentransporter LT F-28-D-007 273 Seite 383
Hinweis: Dies ist eine maschinenlesbare No-Flash Ansicht.
Klicken Sie hier um zur Online-Version zu gelangen.