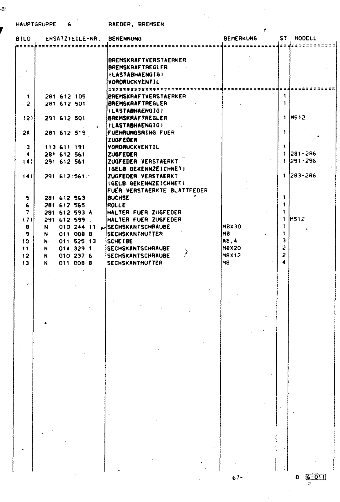
klOO 28 29 1 81 15 3M 0 2A 1 0 UCC28 MS4 HAUPTGRUPPE 6 RAEDER BREMSEN BILD ERSATZTEILE NR BENENNUNG BEMERKUNG ST MODELL 1 2 121 2 3 4 141 5 6 7 171 a 9 10 11 12 13 281 612 105 281 612 501 291 12 501 281 612 519 113 611 191 281 612 561 291 612 561 291 612 561 281 612 281 612 281 612 291 612 N 010 011 Otl 014 010 011 563 565 593 A 599 244 11 008 8 525 13 329 1 237 6 008 8 BREMSKRAFTVERSTAERKER BREMSKRAFTREGLER ILASTABMAENGIGI VOmORUCKVENTIL BREMSKRAFTVERSTAERKER BREMSKRAFTREGLER LASTA M ENGfGI BREMSKRAFTMEGLER ILASTABHAENGIGI FUEWmUNGSRlNG FUER VOmomWCKVENTIL z rcDE ZUGFEBCR VERSTAERKT I8EL KENNZEICHNETI ZUGFEDER VERSTAERKT GELB GEKENNZEICHNET FUER VERSTAERKTE BLATTFEDER IWCW E ROLLE HALTER FUER ZUGFEDER HALTER FUER ZUGFEDER SECHSKANTSCHRAUBE SECHSKANTMUTTER SCHEIBE SECHSKANTSCHRAUBE SECHSKANTSCHRAUBE SECHSKANTMUTTER M8X30 M8 A8 4 M8X20 M8X12 M8 M512 281 286 291 296 283 286 M512

Vorschau Lastentransporter LT F-28-D-007 273 Seite 392
Hinweis: Dies ist eine maschinenlesbare No-Flash Ansicht.
Klicken Sie hier um zur Online-Version zu gelangen.