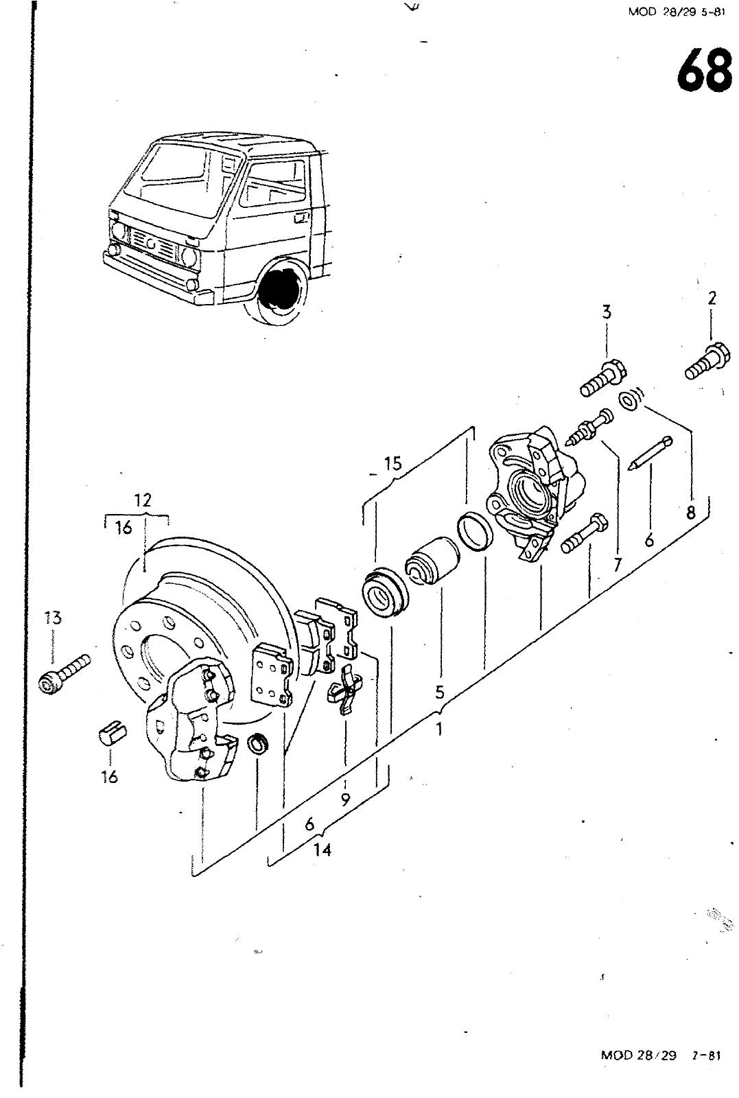
WOO 28 29 5 81 68 HAUPTGRUPPE BILD AAEOER BREMSEN r O a 15 12 16 14 111 111 111 2 3 5 6 7 8 9 12 1121 15 16 ERSATZTEILE NR BENENNUNG BEMERKUNG ST MODELL 281 615 107 291 615 107 281 615 108 241 615 08 281 615 141 211 615 143 A 281 615 155 281 615 261 281 615 273 211 611 483 281 615 261 281 615 283 281 615 283 A 281 615 300 281 698 151 A 281 698 471 N 023 278 1 SCHEIBENBREMSE FESTSATTEL LINKS OHNE 8REMS8ELAEGE FESTSATTEL LINKS OHNE BAEMSBELAEGE FESTSATTEL RECHTS OHNE MCM tLAC E FESTSATTEL RßCHTS OHNE EM EL EQE SECH K WT CHmAUeE SECHSKANTSCHRAUBE KOLmCM HALTESfiFT ENTLUEFTERVENTIL STAUBKAPPE SPREIZFEDER BREMSSCHEIBE F 28 012 326 28 8 018 540 28 B 019 162 MEMSSCHEIK F 28 B 012 327 F 28 B OtB 541 F 28 8 019 163 ZYLINOERSCHRAUBE 1 SATZ BREMGBELAEGE FUER SCHEIBENBREMSE 1 SATZ DICHTUNGEN FUER 1 FESTSATTEL SPANNHUE SE M 16X1 5 M 14X1 20 MM 20 MM 89 75 18 5 13X22 291 296 281 283 285 282 284 286 291 296 281 283 285 282 284 286 M512 M512 68 D oia IWCM 28 29 t

Vorschau Lastentransporter LT F-28-D-007 273 Seite 393
Hinweis: Dies ist eine maschinenlesbare No-Flash Ansicht.
Klicken Sie hier um zur Online-Version zu gelangen.