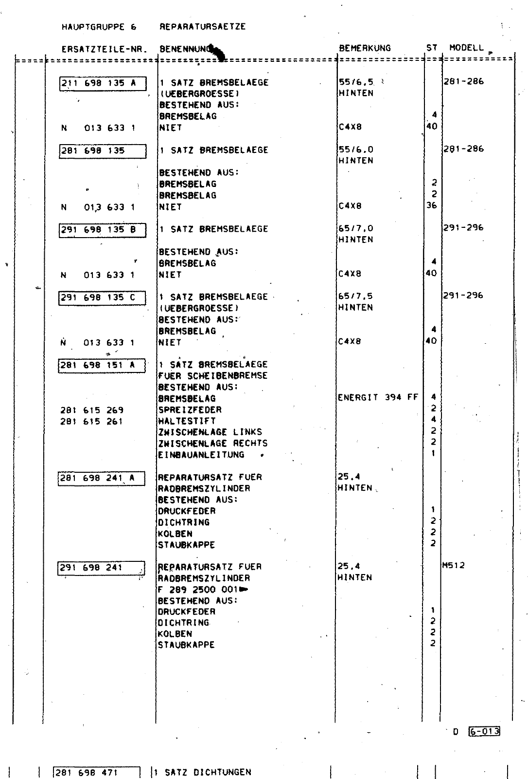
HAUPTGRUPPE REPARATURSAETZE ERSATZTEILE NR 8ENENNUNd BEMERKUNG ST MODELL 211 698 135 A N 013 633 1 281 698 135 N 013 633 1 291 698 135 B N 013 633 1 291 9B 135 C N 013 633 1 281 698 151 281 615 269 281 615 261 281 698 241 A 291 698 241 1 SATZ BREMSBELAEGE UCBCRGROESSEI BESTEHEND AUS BREMSBELAG NIET 1 SATZ BREMSBELAEGE BESTEHEND AUS BREMSBELAG amcMsacLAo NIET 1 SATZ BREMSBELAEGE BESTENCNO AUS emcMsacLAG NIET 1 SATZ BREMSBELAEGE lUCBERSmOESSEI BESTEHEND AUS BAEMSaELAG NIET 1 SATZ BREMSBELAEGE FUER SCHEIBENBREMSE BESTEHCWO AUS BREMSBELAG SPfKIZFCOER HALTESTIFT ZWISCHENLAGE LINKS ZWISCHCNIAGE RECHTS EINBAUANLEITUNG REPARATURSATZ FUER RAOBREMSZYLINOER BESTEHEND AUS DRUCKFEDER DICHTRING KOLBEN STAUBKAPPE REPARATURSATZ FUER RAOBREMSZYLINOER F 289 2500 001 BESTEHEND US DRUCKFEDER DICHTRING KOLBEN STAUBKAPPE 55 6 5 HINTEN C4X8 55 6 0 HINTEN C4X8 65 7 0 HINTEN C4X8 65 7 5 HINTEN C4X8 ENERGIT 394 FF 25 4 HINTEN 25 4 HINTEN 281 286 281 286 291 296 291 296 M512 0 oia I 281 698 471 l SATZ DICHTUNGEN

Vorschau Lastentransporter LT F-28-D-007 273 Seite 396
Hinweis: Dies ist eine maschinenlesbare No-Flash Ansicht.
Klicken Sie hier um zur Online-Version zu gelangen.