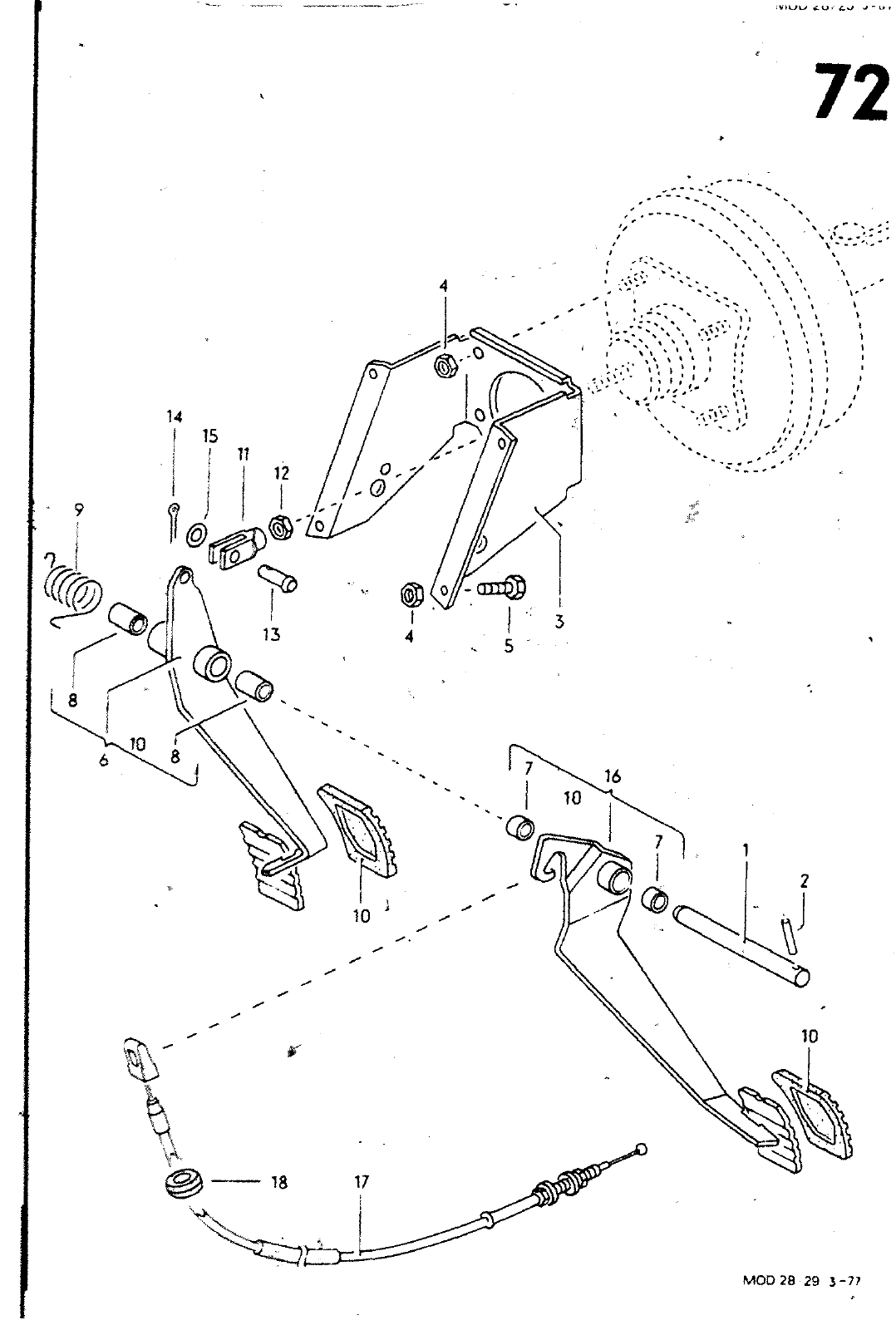
72 O 18 17 HAND UNO HAUPTGRUPPE 7 FUGSHEBELWERK BILD ERSATZTEILE NR BENENNUNG BEMERKUNG ST MODELL 1 2 3 4 5 6 16 7 a 9 10 t 1 1 1 1 1 11 1 1 11 I 281 721 075 N 013 319 281 721 117 N 011 00 a N 0 2 3 2 1 721 IM 2 2 721 IM 2ai 721 IS n 721 153 281 721 I 3 311 721 173 5X36 7 M8 Mdkl5 BREMS UND KUPPLUNGSfUSSHEBELWERK KUPPLUNGSZUG L Cm OCK BOLZEN SfANMNUCLSE lASEmioCK SIEHE BILDTAFEL XCWNÜWTMUTTEm KCMWWTKHmAUK mmcMSFWSMcecL LLKa l FUS9MEeEL f LKQ UCHM UCHK muECKZuarcocM KAPPE Fuem mmgMs UMO KUWlÜNeSFUSSMEBEL 211 721 213 0 8AKLK0PF N 011 153 1 SECHSKANTMUTTER N 013 231 1 BOLZEN N 012 512 t SPLINT N Oll 55 2 SCHEIBE 281 721 315 KUPM UN8SFUSSHEKL LLKO 282 721 315 KUWIUN SFUSSHEBEL LKG 2 1 721 335 KUPPLUMSZUe LLKG 2 1 721 335 A KUPPIUNOSZUQ LLKO 282 721 335 KUPPLUN8SZUC RLKG N 020 124 1 TUELLE MtXI 8HI1X22X19 2X12 8 4 DIESEL CP 72 D 17 00 MOOZa 29 3 7

Vorschau Lastentransporter LT F-28-D-007 273 Seite 413
Hinweis: Dies ist eine maschinenlesbare No-Flash Ansicht.
Klicken Sie hier um zur Online-Version zu gelangen.