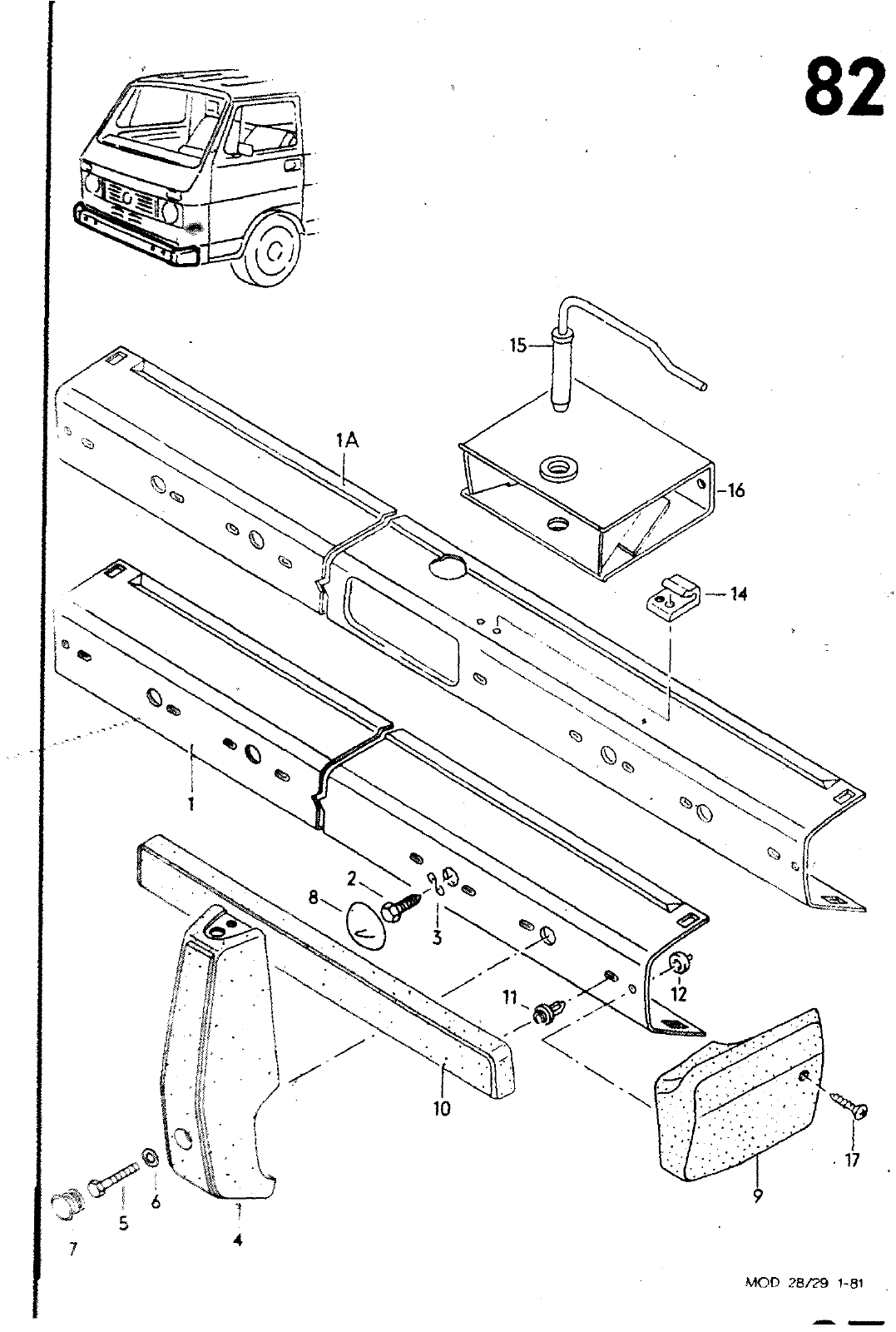
82 W 1A 8 6 MOO 28 29 t 81 HAUPTGRUPPE 8 AUFBAU BILD ERSATZTEILE NA BENENNUNG BEMERKUNG ST MODELL 141 191 10 11 12 14 15 16 17 281 281 N N 2B1 N N 211 211 4 75 2 1 8f79 8 79 2 1 8 79 MfTg 2 171 321 281 1 79 2 291 N 807 III 807 III D 010 23 13 012 241 11 807 155 2 1 807 15 040 2W 2 012 241 11 707 1 2 707 112 IM 07 123 B lea 510 07 124 B 1B 51 07 221 807 245 07 335 07 405 ISO 07 407 07 431 501 041 01 STOSSFAENGER VORN STOSSFAENQER ST0S5FAENGER FUER AMCHLEWKUPPLUNG F 2 5 2513 727 SECMSKANTSCHRAmE FEOEWCMEIK STOSSFAEieCRMORN LINKS FUER FAmZEUeE MIT SCHEMlMEmFEmWSCHANLAaE STQSSFAEWEWiRN RECHTS FUER FAHRZEUGE MIT SC imERFERWASCMANL GE SECHSKANTSCHRAUBE FMKMCMeiM ABOECKKAWE MOtCKKWPE GRAPHIT IBRAUI SCHWTZECKE GRAPHIT IQRAUl PAMmuweiss SCHWTZECKE GRAPHIT IGRAUl PAPYRUSWEISS GUMMILEISTE CLIP KLEMMRING KLEMMSTUECK GRAPHIT lÖRAUl F 285 2913 727 BOLZEN ABSCWLEPPKUPPLUNG F 285 2513 727 ABSCHIEPPKUPPLUNG 2 5 2513 727 LINSENSENK BLECHSCHRAUBE M8X15 B X15 M8X50 B8XI5 LINKS RECHTS 084 8X50 FEUERWEHR FEUERWEHR 82 D irma HAUPTGRUPPE 8 AUFBAU

Vorschau Lastentransporter LT F-28-D-007 273 Seite 469
Hinweis: Dies ist eine maschinenlesbare No-Flash Ansicht.
Klicken Sie hier um zur Online-Version zu gelangen.