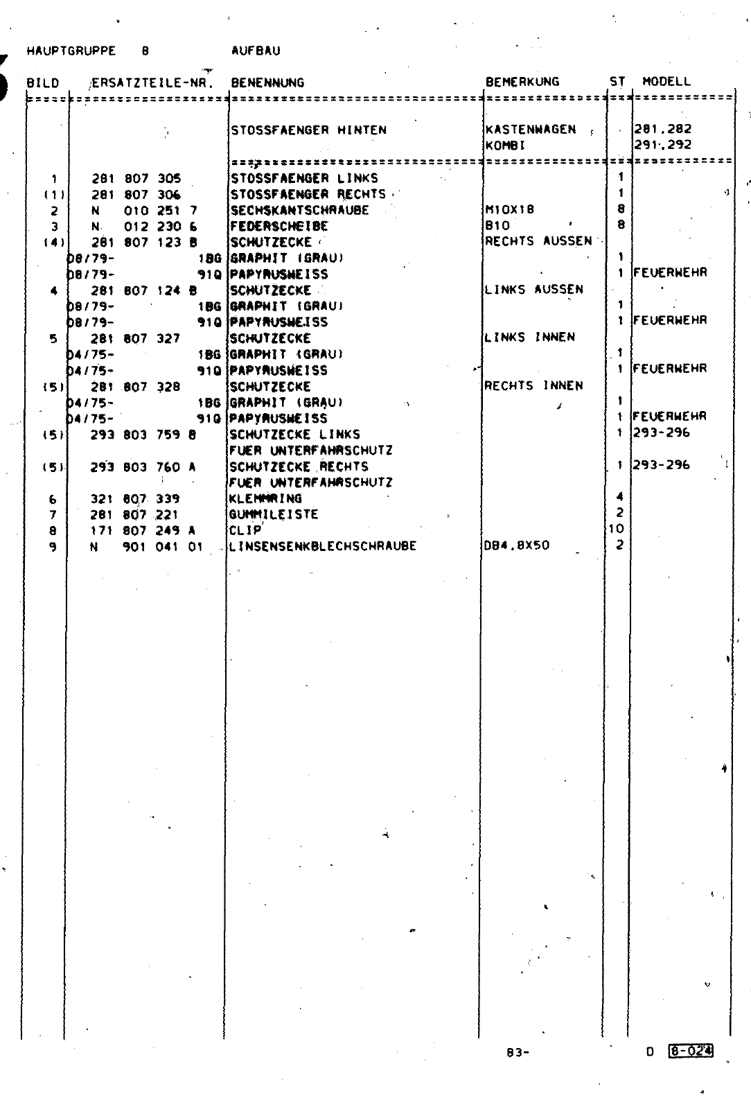
MOD 28 29 1 81 J o 0 83 HAUPTGRUPPE 8 AUFBAU BILD ERS TZTEILE NRl BENENNUNG ST0SSFAEN6ER HINTEN o t 11 2 3 141 151 ISI ISI 6 7 8 9 2 281 N N 281 l 18 79 281 8 79 8 79 2H 4 75 14 75 281 14 75 14 75 293 807 305 807 306 010 251 012 230 807 123 7 B IM 910 807 124 07 327 07 328 03 7 9 B IB 910 1BG 910 IB6 910 293 103 760 321 807 339 2 1 07 221 171 07 249 901 041 01 N STOSSFAENGER LINKS STOSSfAENGER RECHTS SECWSKANTSCHRAUBE FEOEB CMe E CWWTZCCKE APMIT 8 UI PAPYMWBWEISS SCHWTkCKC GRAPHIT IGRAUI P PYNU WEj95 SCHUTZECKE GRAPMIT IGRAUI P PT U WEISS CMUTZECKE PMIT IBm UI APymusMEiss SCHUTZECKE LINKS FUEM UNTENfAHMSCHUTZ SCHUTZECKE RECHTS FUE UNTENFAHmSCHUTZ KLEMMRIN UMMILEISTE CLIP LINSENSENKBLECHSCHRAueE BEMERKUNG KASTENWAGEN KOMBI M10X18 BIO RECHTS AUSSEN LINKS AUSSEN LINKS INNEN RECHTS INNEN 084 8X50 ST MODELL 281 282 291 292 FEUERWEHR FEUCRMEHR FEUCRWEH FEUERWEHR 293 296 293 296 9 3 2 83 0 I8 0Z4I WOO 28 29 täl

Vorschau Lastentransporter LT F-28-D-007 273 Seite 472
Hinweis: Dies ist eine maschinenlesbare No-Flash Ansicht.
Klicken Sie hier um zur Online-Version zu gelangen.