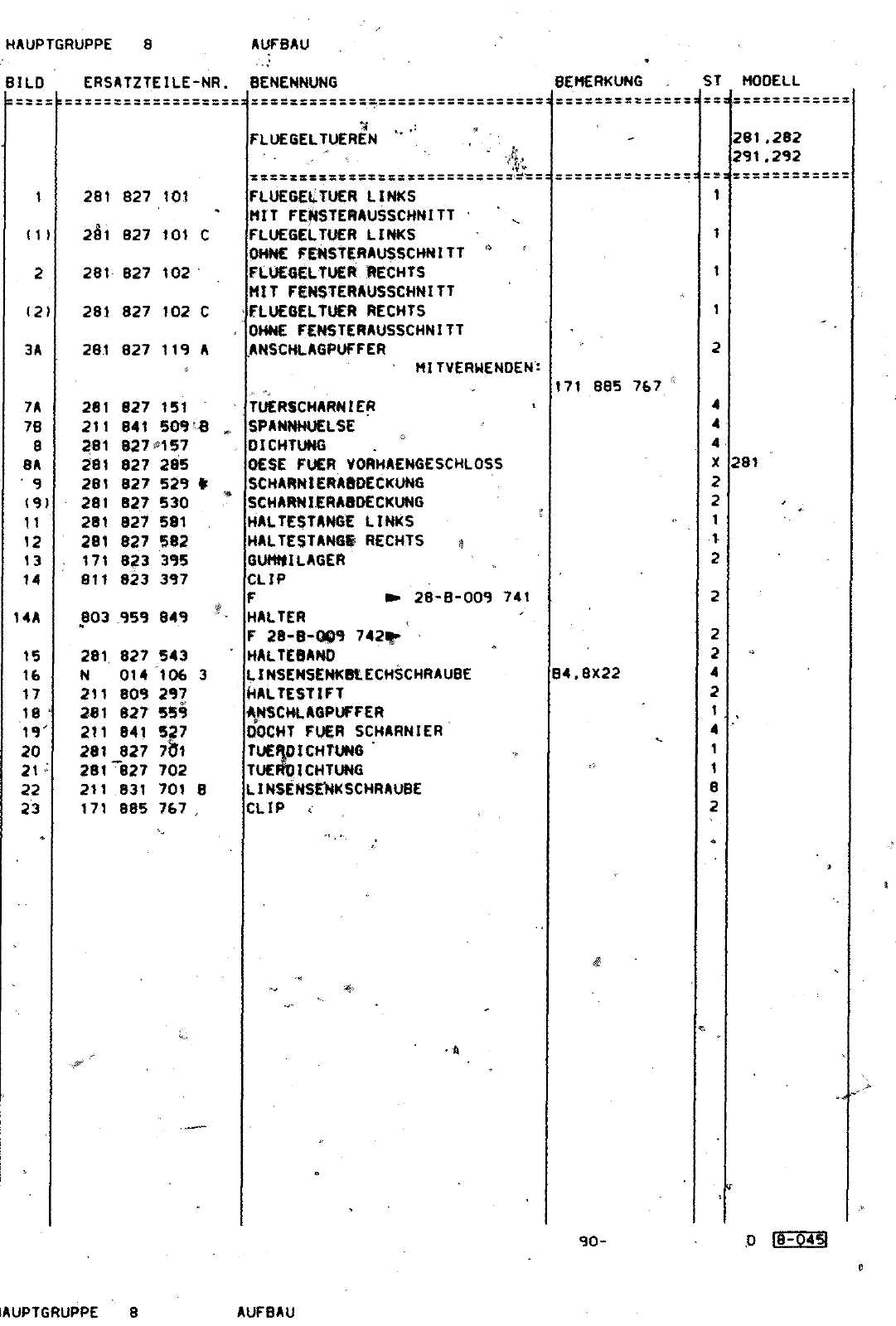
90 23 20 3A 19 8A r7B4 o ß t 13 K 4 14A 7A I 0 M MOO 28 28 2 83 HAUPTGRUPPE 8 AUFBAU BILD ERSATZTEILE NR BENENNUNG BEMERKUNG 1 11 I 2 121 3A 7A 78 8 8A 9 1 1 11 12 13 14 MA 15 16 17 1 19 20 21 22 23 281 827 101 2 1 827 101 C 281 827 102 281 827 102 C 281 827 119 A 281 827 211 841 aei 827 281 827 281 827 281 827 281 827 281 827 171 823 811 823 151 50918 157 285 529 530 581 582 395 397 803 959 849 281 827 543 N 014 106 211 809 297 381 827 55 211 841 281 827 281 827 702 211 831 701 8 171 885 767 171 885 767 FLUEGELTUEREN FLUEGELTUER LINKS MIT FEßSTERAUSSCHNITT FLUEGELTUER LINKS OMNE FENSTERAUSSCHNITT FLUEGELTUER RECHTS MIT FENSTERAUSSCHNITT FLUEGELTUER RECHTS OHNE FENSTERAUSSCHNITT ANSCHLAGPUFFER MITVERWENDEN TUERSCHARNIER SPANNHUELSE DICHTUNG OESE FUER VORHAENGESCHLOSS SCHARNIERAOOECKUNG SCHARNIERABDECKUNG HALTESTANGE LINKS MALTEST RECHTS GUMNILAGER CLIP F 28 B 009 741 HALTER F 28 B 0 742 HALTEBAND LINSENSENKBtECHSCHRAUBE HALTESTIFT A RCHLAGPUFFER DOCHT FUER SCHARNIER TiempiCHTUwa TlCNqiCMTUNG LlNSäNSEkKSCHRAUBE CLIP 84 8X22 ST MODELL 281 282 291 292 281 8 AUFBAU 90 P 18 0451

Vorschau Lastentransporter LT F-28-D-007 273 Seite 514
Hinweis: Dies ist eine maschinenlesbare No-Flash Ansicht.
Klicken Sie hier um zur Online-Version zu gelangen.