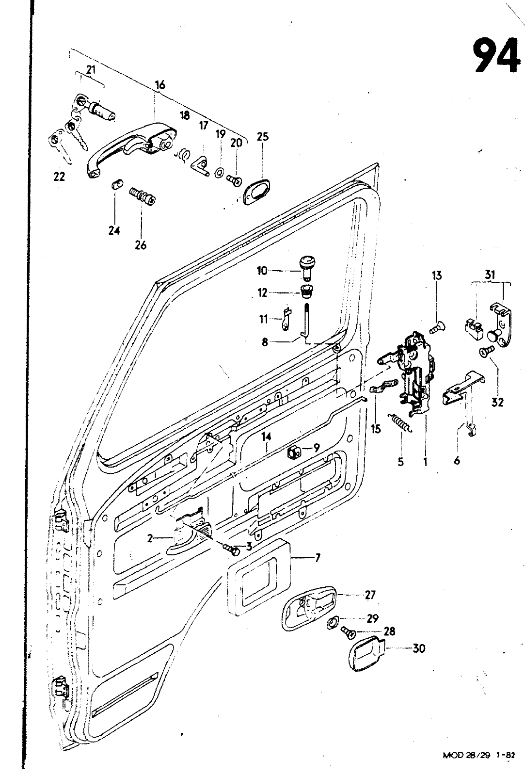
94 25 20 22 24 26 10 13 31 5 1 6 29 tk 2a k 30 MODze a i M HAUPTGRUPPE 8 UFßAU BILO ERSATZT TfEaMMÜV BENENNUNO 11 I 1 121 2 3 5 161 8 9 10 1111 11 13 13 14 15 16 1161 17 18 n 1201 2 i 22 171 a 7s 111 III 171 75 N 2 1 24 25 2t 27 28 29 30 1311 31 32 211 37 015 H 211 837 016 H 211 837 019 837 020 010 210 7 37 061 837 105 C 211 N 211 211 211 837 106 C 171 37 241 2 1 37 1 3 211 43 663 837 1 7 37 319 37 320 37 355 014 276 37 193 043 043 113 37 199 211 837 2Ö5 N 2 1 37 205 B 211 211 N N N 37 213 0 37 221 A 012 11 2 014 257 1 030 119 1 2 1 37 217 B III 37 219 4 75 11f 2 S93 211 211 N 37 209 837 211 090 151 1 III 837 239 8 4 75 N 111 311 4 75 211 211 211 041 014 216 1 837 291 837 247 837 295 H7Z 31 701 043 0 B B BEMERKUNG ST MODELL TueASCHLOSS MIT INNENBCTAETlGyNG VORN TuemeRiFF vomt TuemSCHLOSS LIWKS TWWCHIOSS MECHTS INNENBETAETIGUNG LINKS INNENBCTAETIGUNG RECHTS SECM K NTSCHRAU8E ZUGFEDER ABOKCKUM FUER TUtRSCHLOSS LINKS AäOECKUN FUCR TltRSGMLOSS RECHTS OlCHTUM FUe MMCN ET ETiaUN6 SICWEMUWBSSTANaE FUCMMUN FUER ZUG UNO ZUBSTANBE KNOPF GRAUSCMWApZ KLEMMFEOER LINKS KLEMMFEOER RECHTS FUEMNUNG FUER KNOPF m u CHM mz LINSENNENKSCHMAueE ZU T N E FUER INNENBETAETIGUNG FEOCR Tl m RIFF AUSSEN F 28 2531 725 TUe IFF AUSSEN F 2 9 2500 001 EXZENTER omewFEDEm SICH UM SSCMEIBE LINSENSENKSCHRAUBE LlN ENK CHRAUeE SCHIIESSZYLINOER MIT SCHLUESSeiN SCMLUESSEL ROHLING PROFIL R FUER FERTIGSCHLUESSEL SCHLUESSELNUMMER ANGEBEN UNTERLAGE VORN UNTERLAGE HINTEN KOMBI SCHRAUBE ROSETTE SCHWARZ SEMKSCHNAuaE KEGELSCHCIBE GRIFFSCMALE GRAUSCHWARZ SCMLIESSfLATTE SCHIIESSPLATTE NSENSENKSCHRAUBE M6X10K AM6Xt2 37 5 PROFIL R V4 3 AM4X8 NM4X8 PROFIL R M5XI5Z4 1 AM5X10 0 B3S5

Vorschau Lastentransporter LT F-28-D-007 273 Seite 533
Hinweis: Dies ist eine maschinenlesbare No-Flash Ansicht.
Klicken Sie hier um zur Online-Version zu gelangen.