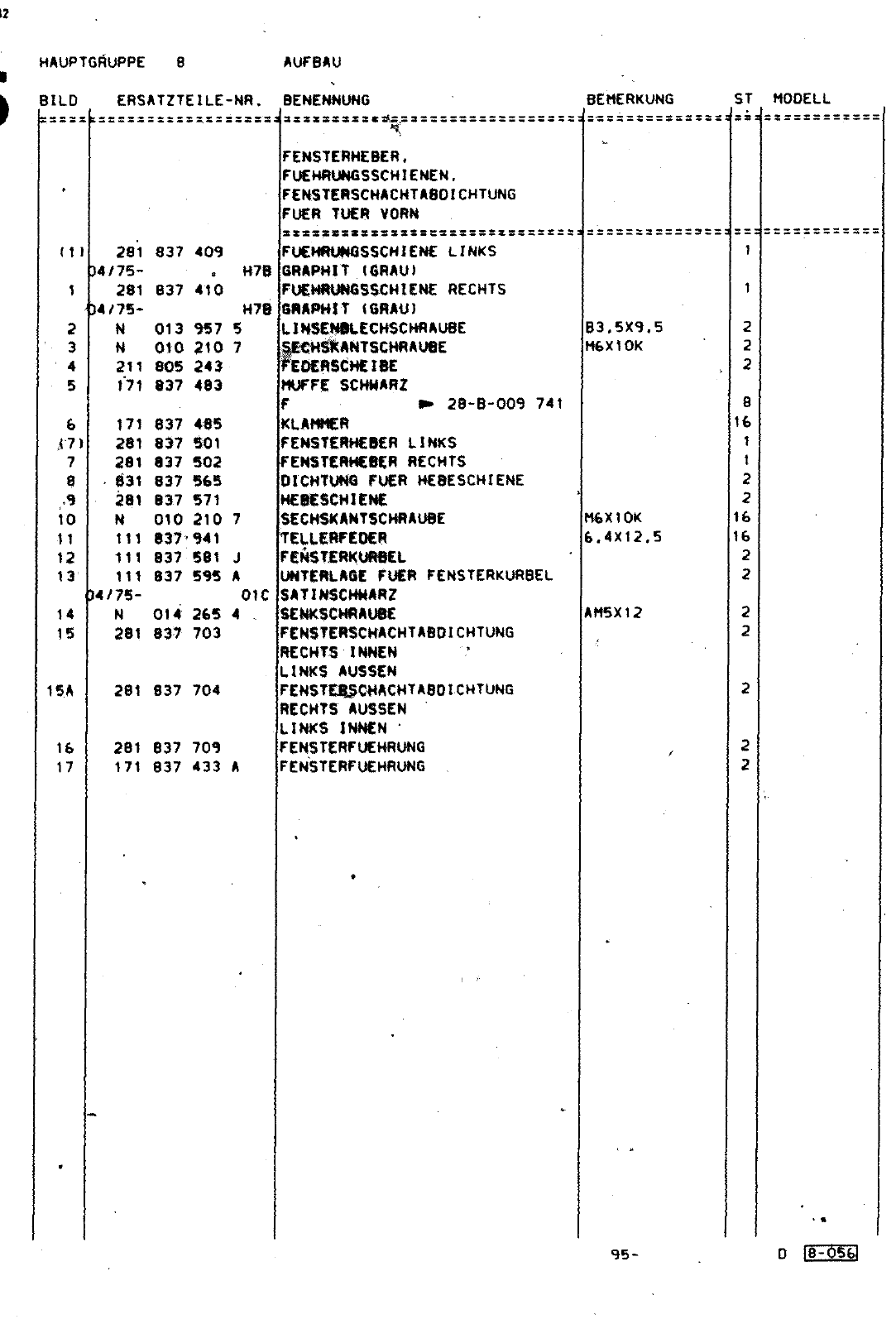
MOO 28 29 1 82 ISA 13 14 MOO 28 29 5 80 HAUPTGßUPPE 8 AUFBAU BILD 2 3 4 5 6 471 7 8 9 10 11 12 13 14 15 15 281 4 7S 2 1 4 75 N N 211 171 171 MI 281 31 ä i N III 111 III M 75 N ERSATZTEILE NR BENENNUNG BEMERKUNG ST 2 1 837 409 837 410 013 957 010 210 05 243 837 483 37 4 S 37 01 37 502 837 5 5 37 571 010 210 37 941 837 581 837 595 014 265 837 703 H7 H78 5 7 J 01C 281 837 704 281 171 37 709 837 433 FENSTERHEBER FUEHAUNGSSCHIENEN FENSTERSCHACHTABOICHTUNG FUEM TUER VORN FUEHRWNGSSCHIENE LINKS GRAPHIT IGRAUl FUCM W 3SCHICNE RECHTS GRAPHIT GRAU LINSENBLECHSCWRAUBE SeCMI ANTSCHRAUBE fEOE SdMei E MUFFE SCHWARZ F 28 B 009 741 KLAMMER FENSTCmWEieR LINKS FEN TCmMC m RECHTS DICHTUNG FUER HEBESCHIENE MCK ewiENC SECWaKANTSCWmAUec ItLlEmFCOEN FENSTBrnKUmaCL UNTEmL FUER FENSTERKURBEL S T N CNW Z ENK9CH ueE FENSTERSCHACHTABDICHTUNG RECHTS INNEN LINKS AUSSEN FENSTESßCMACHTABOICHTUNG RECHTS AUSSEN LINKS INNEN FENSTERFUEWRUNG FENSTERFUEHRUNG MODELL 83 5X9 5 M6X10K M X10K 6 4X12 5 AM5X12 16 1 1 2 2 16 16 2 2 2 2 95 D IMÄS

Vorschau Lastentransporter LT F-28-D-007 273 Seite 536
Hinweis: Dies ist eine maschinenlesbare No-Flash Ansicht.
Klicken Sie hier um zur Online-Version zu gelangen.