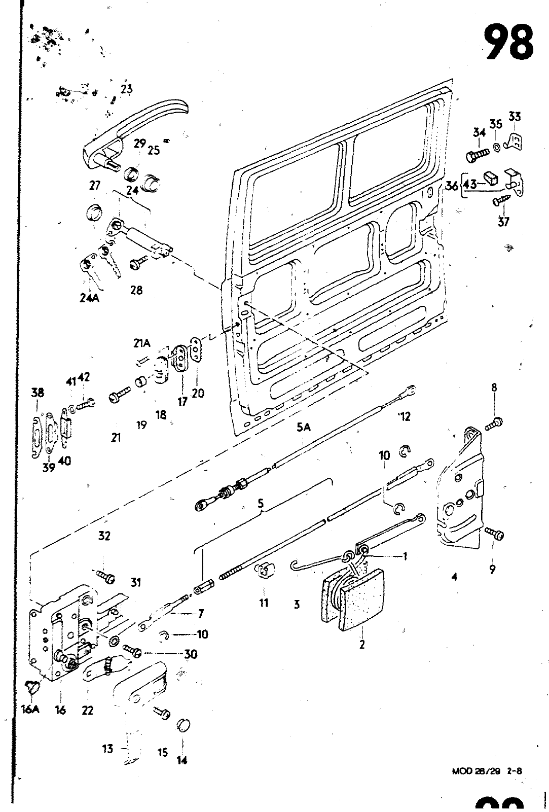
29 25 27 7 8 28 24A 21A ivfsrio 42 ß 41 38 20 5A 3 32 e 11 3 K 10 30 16A 16 22 13 i i 15 WOD 30 28 2 8 HAUPTGRUPPE 8 BILD ERSATZTEILE NR 1 2 3 141 141 SA 7 8 9 10 11 12 1131 13 14 15 I1 I 1161 16 16A 17 18 19 20 21 21 1221 22 1231 23 1241 211 843 554 211 843 555 281 843 557 214 843 603 J 211 843 604 0 211 843 604 J 211 843 719 C 281 843 951 251 843 721 N 033 040 I N 014 141 12 N 012 435 1 211 843 663 N 012 435 1 282 843 641 281 843 642 281 843 645 N 014 131 3 282 843 653 A 281 843 654 281 843 654 A 221 843 69 A 211 843 467 A 211 843 471 251 843 475 211 843 479 A N 033 042 1 N 014 141 12 282 843 685 281 843 686 281 843 703 281 843 703 B 282 843 709 AUFBAU Bf NENNUNG TUERSCHLOSS MIT INNEN BETAETIGUNG TUERGRIFF SPANNFEDER DAEMPFUNG FUER SPANNFEDER ZU8ST N8 ZENTRALSdwLOSS FUER LINKE SCHIEBETUER ZENTRAISCMLOSS FUER RECHTE SCHIEBETUER ikl FERWeeTAETlGUNGSSCHLOSS MIT ZUSATZVERRIEGELUNGI ZENTRALSCMLOSS FUER RECHTE SCHIEBETUER ZUGSTANGE FUER FERN8ETAETIGUNG ZU8 FUER FERNBETAETIGUNG ZUGSTANGE FUER FEIWKTWT GUN8SSCHL0SS LINSENSENKSCHRAUBE LlNSENSCmAUBE ICHCmVN CMEI ruEMiwie Fiem zua UNO ZUMTAN8E SICWERimSSCHElBE TuemWMFF iwCN FUER SCHIEBETUER LINKS TIERGRIFF INWCN FUER SCMfEBETUER RECHTS e eoM LIN NNMMU E FEm ETAETIGUNGSSCHLOSS LINKS FERWTAETIGUNG RECHTS MIT gUSATZVENNIEGELUNG FERNBETAgTlGUNGSSCHLOSS RECHTS SICHERUNGSRIEGEL FUER FERt ET ETI SUNGSSCHLOSS IVOR MONTAGE AUF 70 GRAD ERWAEIMENI KAEFIG FUER KEILPÜFFER ßEILPUFFER WWELSE FUER KEILPUFFER AUSGLEiCHPLATTE SENKSCH U8E LINSENSCHRAimE RASTE FUER INNENGRIFF FUER FERNBETAETIGUNGSSCHLOSS LINKS RASTE FUER INNENGRIFF FUER FERNBETAETIGUNGSSCHLOSS RECHTS TUERGRIFF AUSSEN 288 2531 725 TUERGRIFF AUSSEN 289 2500 001 SCHLIESSZYLINDER FUER LINKE SCHIEBETUER BEMERKUNG ST MODELL 33 M6XI4 M Xt8 5 AM5X15 M6X18 M6X18 PROFIL R 98 0 iFSP 1241 282 843 709 B jSCHLIESSZYLINDER MIT

Vorschau Lastentransporter LT F-28-D-007 273 Seite 549
Hinweis: Dies ist eine maschinenlesbare No-Flash Ansicht.
Klicken Sie hier um zur Online-Version zu gelangen.